Запчасти Case IH 1640 (5-36) - 1315503C1 HYDRAULIC SYSTEM, POWER GUIDE AXLE, PRIOR TO P.I.N. JJC0034001 (04) - STEERING

Схема запчастей Case IH 1640 - (5-36) - 1315503C1 HYDRAULIC SYSTEM, POWER GUIDE AXLE, PRIOR TO P.I.N. JJC0034001 (04) - STEERING
2
23
21
20
3
5
15
4
11
7
17
13
6
18
16
19
8
8
2
10
22
9
6
12
8
8
7
14
6
22
1
6
FIT
1:1
100%

Артикул

Название

Примечание

Количество

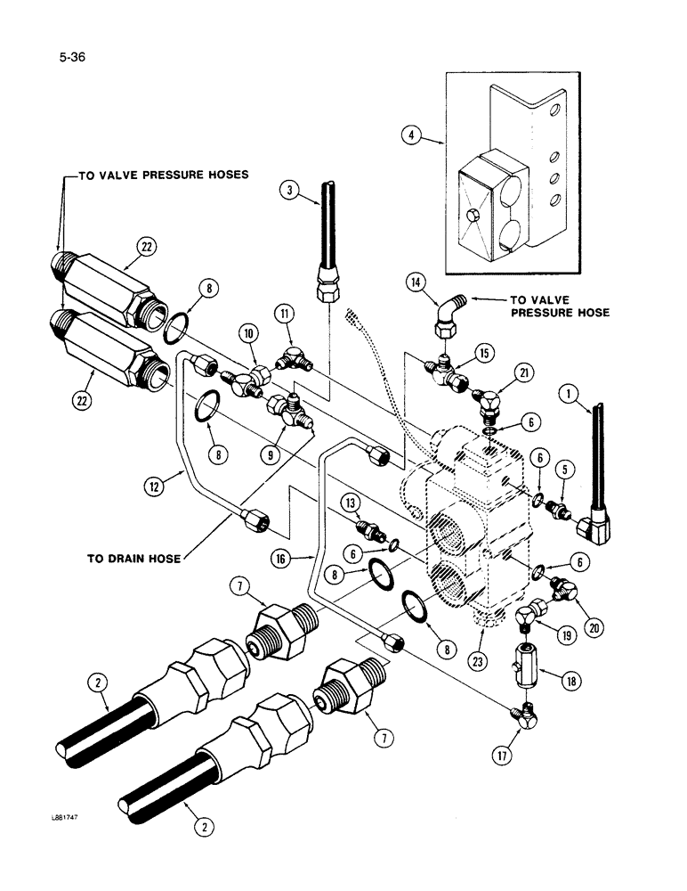
1

1315503C1

HOSE

- charge pressure, 1/4 ID x 75 inch

1шт.

2

1315501C1

HOSE

- drive pressure, 3/4 ID x 62 inch

2шт.

3

1315502C1

HYDRAULIC HOSE,9.52 mm ID x 1600.00 mm

- Drain 9.52 mm ID x 1600.00 mm

1шт.

4

REF

INSTRUCTION

KIT - steering hose mounting (See Figure 5-54)

1шт.

5

9410200

HYD CONNECTOR,7/16" - 20 JIC x 7/16" - 20 ORB

CONNECTOR - short straight, 1/4 inch tube

1шт.

6

369751R1

O-RING,0.072" Thk x 0.351" ID, -904, Cl 6, 90 Duro

4-1, 90 Duro, .351" ID x .072" Thk, 1/4 OD tube

4шт.

7

9410205

HYD CONNECTOR,1 1/16"-12, 37 Degree x 1 1/16"-12, O-Ring

CONNECTOR - short straight, 3/4 inch tube

2шт.

8

368269R1

O-RING,0.116" Thk x 0.924" ID, -912, Cl 6, 90 Duro

- 3/4 O.D. tube

4шт.

9

9410332

TEE,37 Degree, 9/16"-18, x 9/16"-18, Fem Sw Run

- swivel, 3/8 inch tube

1шт.

10

9410306

TEE,37 Degree, 9/16"-1 x 9/16"-18, Fem Sw Br

- swivel, 3/8 inch tube

1шт.

11

585694R1

ELBOW,90 Degree, 9/16"-18, 37 Degree x 3/8"-18, NPTF

- 90 degree reducing, 9/16-18 x 1/8 PT

1шт.

12

1324488C1

TUBE

- housing drain

1шт.

13

394955R1

HYD CONNECTOR,9/16"-18, 37 Degree x 7/16"-20, O-Ring

CONNECTOR - short reducing, 3/8 inch tube

1шт.

14

9410278

ELBOW,90 Degree, 7/16"-20, 37 Degree x 7/16"-20, 37 Degree Fem Sw

- 90 degree swivel, 1/4 inch tube

1шт.

15

9410330

TEE,37 Degree, 7/16"-20 x 7/16"-20, Fem Sw Run

- swivel 1/4 inch tube

1шт.

16

1324484C1

TUBE

1шт.

17

9402862

ELBOW,90 Degree, 7/16"-20, 37 Degree x 1/8"-27, NPTF

- 90 degree, 7/16-20 x 1/8 PT

1шт.

18

1324485C1

VALVE

- check

1шт.

19

1324486C1

ELBOW

1шт.

20

1324487C1

ELBOW

1шт.

21

9410974

ELBOW,90 Degree, 7/16"-20, 37 Degree x 7/16"-20, O-Ring

- 90 degree adjustable, 1/4 inch tube

1шт.

22

1310542C1

VALVE

- flow limiter, 3 GPM

2шт.

23

REF

INSTRUCTION

VALVE - selector (See Figure 5-52)

1шт.

Выбрано товаров: 23