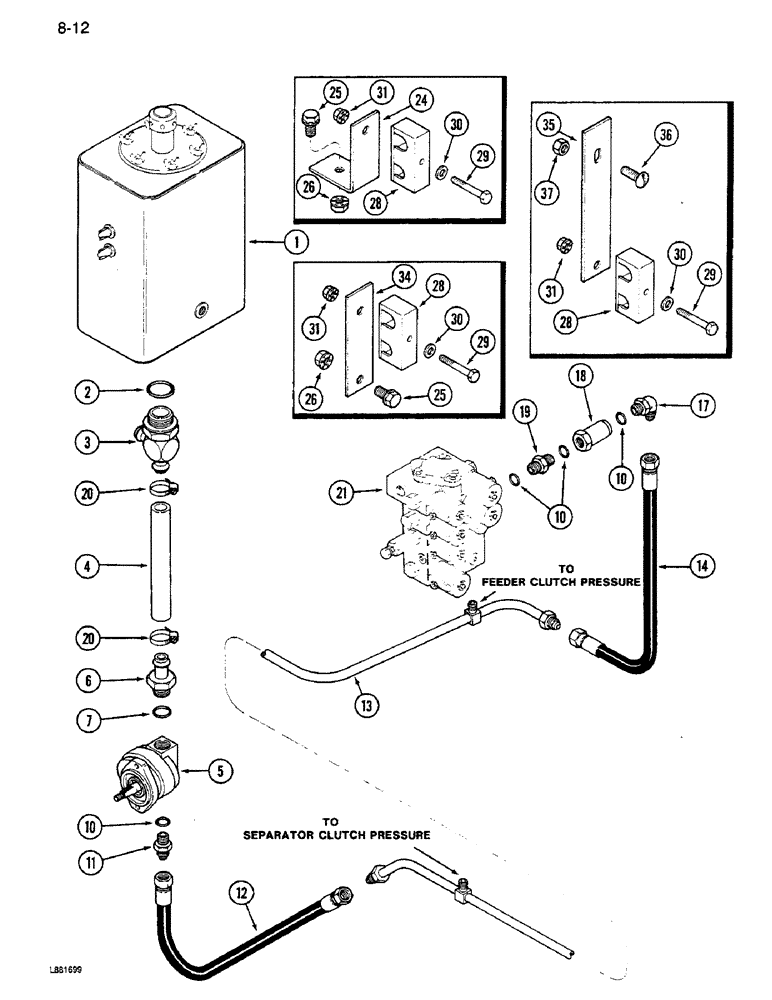
Запчасти Case IH 1640 (8-12) - HEADER LIFT SUPPLY SYSTEM, PRIOR TO P.I.N. JJC0034001 (07) - HYDRAULICS

Схема запчастей Case IH 1640 - (8-12) - HEADER LIFT SUPPLY SYSTEM, PRIOR TO P.I.N. JJC0034001 (07) - HYDRAULICS
20
31
14
20
31
30
28
28
31
4
25
17
6
36
10
29
10
29
29
10
18
2
3
25
34
30
24
12
37
1
19
7
5
13
28
11
35
26
30
21
26
FIT
1:1
100%

Артикул

Название

Примечание

Количество

1

REF

INSTRUCTION

RESERVOIR ASSEMBLY - hydraulic oil (See Figure 8-2)

1шт.

2

301016R1

O-RING,0.118" Thk x 1.720" ID, -924, Cl 6, 90 Duro

- 1-1/2 inch O.D. tube

6шт.

3

1301506C1

TEE

- 1-1/2 tube 1-7/8-12 thread x 1 inch O.D.

1шт.

4

1310703C1

HOSE

- headcr lift suction, 13 inch

1шт.

5

REF

INSTRUCTION

PUMP ASSEMBLY - auxiliary hydraulic lift (See Figure 8-24)

1шт.

6

180182C1

FITTING

CONNECTOR - 1 inch tube 1-5/16-12 thread x 1 inch O.D.

1шт.

7

237-6016

O-RING,0.116" Thk x 1.171" ID, -916, Cl 6, 90 Duro

- 1 inch O.D. tube

1шт.

10

237-6010

O-RING,0.097" Thk x 0.755" ID, -910, Cl 6, 90 Duro

- 5/8 O.D. tube

4шт.

11

218-5062

HYD CONNECTOR,7/8"-14, 37 Degree x 7/8"-14, O-Ring

CONNECTOR - short, 5/8 inch tube 7/8-14 thread

1шт.

12

381173R91

HOSE,12.7mm ID x 209.55mm L, SAE 100R1

- header lift pressure, 18-1/4 inch

1шт.

13

196747C1

HYD TUBE

TUBE ASSEMBLY - header lift pressure

1шт.

14

156436H1

HYDRAULIC HOSE,0.50" ID x 20.00", SAE 100R1 Class 7

Header Lift Pressure 0.50" ID x 20.00", SAE 100R1 Class 7

1шт.

17

218-5107

90 ELBOW,90 Degree Elbow, 7/8" - 14 Male JIC x 7/8" - 14 Male ORB

- 90 degree adjustable, 5/8 inch 7/8-14 thread

1шт.

18

1267150C91

FILTER ASSY

FILTER ASSEMBLY - valve pressure line

1шт.

19

1267158C1

CONNECTOR, ELEC

UNION - 5/8 inch tube o-ring, Boss 7/8-14 thread

1шт.

20

27724R1

HOSE CLAMP,#24, 1.06/2.00 Type F Worm, W/liner

CLAMP - hose, No. 24, Type F

2шт.

21

REF

INSTRUCTION

VALVE ASSEMBLY - control (See Figure 8-32)

1шт.

24

178950C1

ANGLE

SUPPORT - header lift tube

2шт.

25

121-228

SERRATED BOLT,Hex, 3/8" - 16 x 3/4"

3шт.

26

482256R1

BEARING LOCK NUT,Flg, USR, 3/8"-16

- flange lock, 3/8 NC

4шт.

28

121714C1

CLAMP

- header lift tubes

3шт.

29

113-132

BOLT,Hex, 1/4" - 20 x 1-3/4", Gr 5

- hex, 1/4 NC x 1-3/4 inch

3шт.

30

25707R1

WASHER,.281" x 5/8" x .075", HDN

- 9/32 x 5/8 x 3/64

3шт.

31

938016R1

FLANGE NUT,Flg, USR, 1/4"-20

- flange lock, 1/4 inch

3шт.

34

187509C1

BAR

- header lift tubes, 5 inch long

1шт.

35

187510C2

BAR

- header lift tubes, 7-1/2 inch long

1шт.

36

135270

SERRATED SCREW,5/16" - 18 x 3/4"

BOLT - slotted truss head, 5/16 NC x 3/4 inch

1шт.

37

938017R1

FLANGE NUT,Flg, USR, 5/16"-18

- hex flange lock, 5/16 inch NC

1шт.

Выбрано товаров: 28