Запчасти Case IH 1640 (9G-36) - BLOWER (10) - CAB & AIR CONDITIONING

Схема запчастей Case IH 1640 - (9G-36) - BLOWER (10) - CAB & AIR CONDITIONING
5
6
1
11
12
8
11
9
7
10
3
2
10
2
4
FIT
1:1
100%

Артикул

Название

Примечание

Количество

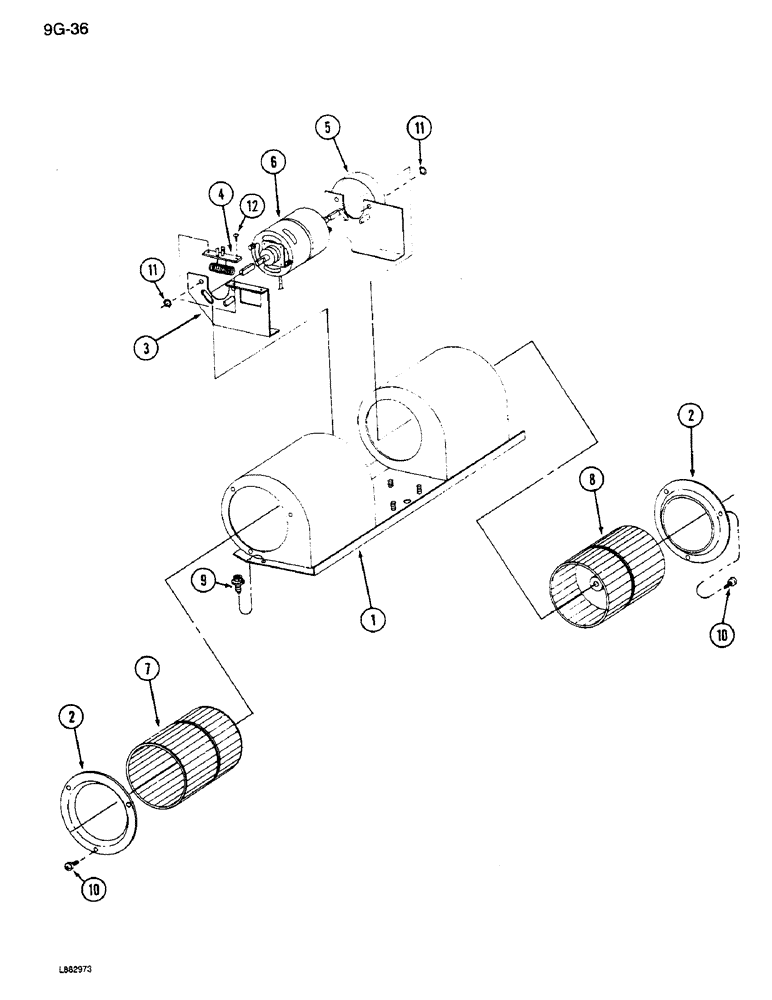
1255878C91

BLOWER ASSY.

BLOWER ASSEMBLY - pressurizer, Includes: Ref. 1 - 12

1шт.

1

117785C2

HOUSING ASSY.

HOUSING ASSEMBLY - weldment

1шт.

2

65010C1

RETAINER

- inlet

2шт.

3

1262098C1

SUPPORT ASSY.

SUPPORT ASSEMBLY - resistor

1шт.

4

1255876C1

RESISTOR

ASSEMBLY

1шт.

187-1714

SELF-TAP SCREW,Slotted Pan Hd, #6 x 3/8"

SCREW - No. 6 x 3/8 inch

2шт.

5

143167C1

SUPPORT ASSY.

BRACKET ASSEMBLY - motor mounting, right

1шт.

6

142990C2

MOTOR, ELECTRIC

MOTOR - 12V

1шт.

190333A1R

REMAN-ELECTRIC MOTOR,12V

1640 Prior To S/N JJC0034705, Reman For New P/N's 142990C2 & 190333A1,

1шт.

190333A1C

CORE-ELECTRIC MOTOR,12V

Return Number

1шт.

7

539077R2

FAN

- wheel, right

1шт.

8

539018R2

FAN

- wheel, left

1шт.

9

23986R1

SELF-TAP SCREW,Hex Wash Hd, 1/4" x 1/2"

SCREW, SELF TAPPING, Hex Wash Hd, 1/4" x 1/2"

8шт.

10

1276100C1

SELF-TAP SCREW,Cross Pan Hd, #10 x 3/8"

SCREW - No. 10 NC x 3/8 inch

6шт.

11

66299C1

NUT

- hex Keps, No. 10-32

8шт.

12

187-1714

SELF-TAP SCREW,Slotted Pan Hd, #6 x 3/8"

SCREW - No. 6 x 3/8 inch

2шт.

Выбрано товаров: 16