Запчасти Case IH 1640 (9A-22) - FEEDER DRIVE, (CONT) (13) - FEEDER

Схема запчастей Case IH 1640 - (9A-22) - FEEDER DRIVE, (CONT) (13) - FEEDER
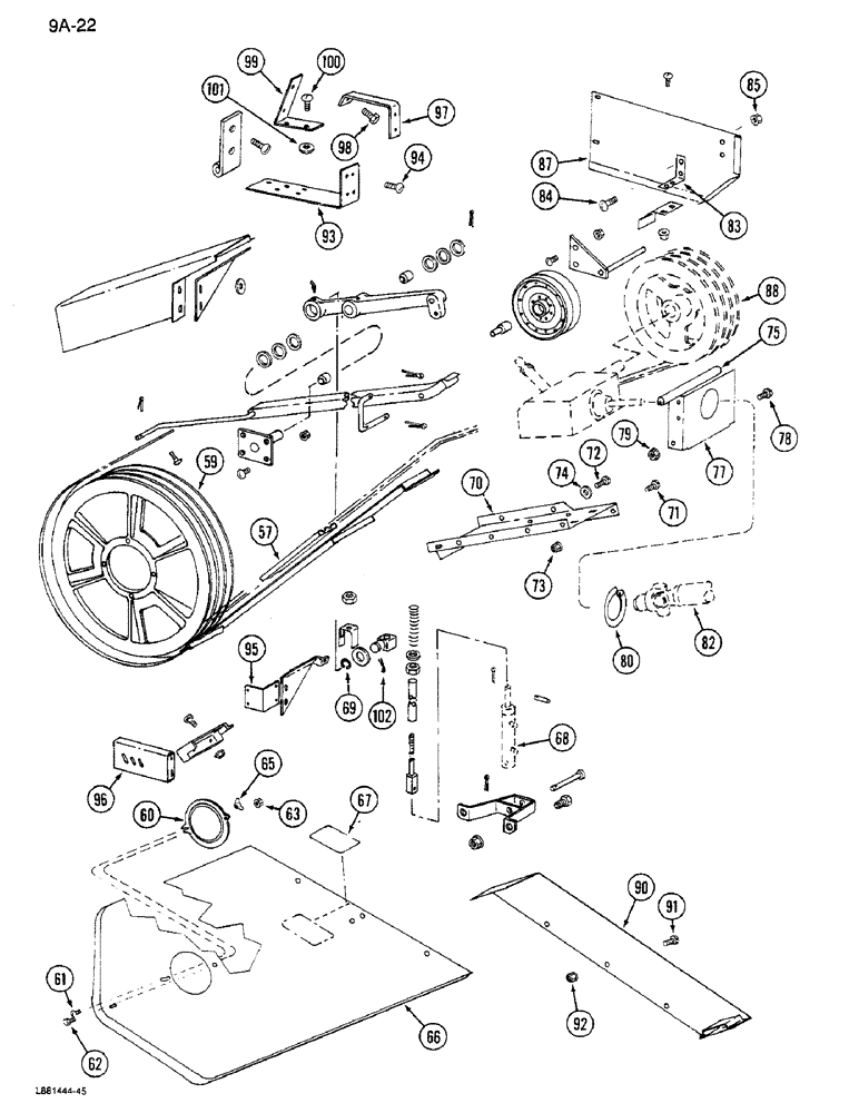
66
65
90
95
67
74
75
63
91
72
84
57
59
79
71
100
77
61
96
93
69
85
78
92
87
70
99
68
60
83
88
80
98
82
62
102
97
73
94
101
FIT
1:1
100%

Артикул

Название

Примечание

Количество

57

192738C1

BELT,22.225 mm W x 3814.70 mm L, 3, Ribs

V-BELT , Drive, Feeder (Without rock trap) 22.225 mm W x 3814.70 mm L, 3, Ribs

1шт.

57

1315168C1

V-BELT,22.23 mm W x 4228.70 mm L

Drive, Feeder, With Rock Trap 22.23 mm W x 4228.70 mm L

1шт.

59

1305297C1

PULLEY

- driven, feeder, 22-9/16 inch O.D.

1шт.

60

188315C1

DOOR

- access, belt

1шт.

61

937059R1

SCREW,Serr, M10 x 70mm, Cl 10.9

- slotted truss head, 1/4 NC x 1/2 inch

1шт.

62

113-1

BOLT,Hex, 1/4" - 20 x 1/2", Gr 5

1шт.

63

86625061

NUT,1/4"-20, GB

NUT - hex lock, 1/4 inch NC

1шт.

65

86627130

WING NUT,1/4"-20

NUT - wing, door

1шт.

66

186189C93

GUARD

SHIELD - belt, Includes: Ref. 67

1шт.

67

188199C1

PRODUCT GRAPHIC

DECAL - caution (See Figure 9H-32)

1шт.

68

REF

INSTRUCTION

CYLINDER ASSEMBLY - feeder (See Figure 8-74)

1шт.

69

R13338

SNAP RING,#150, Ext

Ring, Snap, , spring rod , if equipped #150, Ext

1шт.

70

194521C1

SUPPORT

- gear case

1шт.

71

477-73812

SERRATED SCREW,Truss HD, 3/8" - 16 x 3/4"

- slotted truss head, 3/8 NC x 3/4 inch

4шт.

72

477-73816

SERRATED SCREW,Sl Truss Hd, 3/8" x 1"

- slotted truss head, 3/8 NC x 1 inch

2шт.

73

482256R1

BEARING LOCK NUT,Flg, USR, 3/8"-16

- hex flange lock, 3/8 inch NC

6шт.

74

178373R1

WASHER

- 13/32 x 1 x 3/64 inch

4шт.

75

191497C1

SEALING STRIP

- support

1шт.

77

191399C1

SUPPORT

- rear

1шт.

78

477-73812

SERRATED SCREW,Truss HD, 3/8" - 16 x 3/4"

- slotted truss head, 3/8 NC x 3/4 inch

7шт.

79

482256R1

BEARING LOCK NUT,Flg, USR, 3/8"-16

- hex flange lock, 3/8 inch NC

7шт.

80

191496C1

SEALING STRIP

- support

1шт.

82

REF

INSTRUCTION

JOINT ASSEMBLY - drive (See Figure 9A-8)

1шт.

83

186081C1

ANGLE

- upper shield

1шт.

84

477-73108

SERRATED SCREW,Sl Truss Hd, 5/16" - 18 x 1/2"

- slotted truss head, 5/16 NC x 1/2 inch

2шт.

85

938017R1

FLANGE NUT,Flg, USR, 5/16"-18

- hex flange lock, 5/16 inch NC

2шт.

87

186080C2

SUPPORT

- shield, upper

1шт.

88

191603C2

PULLEY

- drive

1шт.

90

1315085C1

GUARD

SHIELD - extension, belt (With rock trap)

1шт.

91

477-73812

SERRATED SCREW,Truss HD, 3/8" - 16 x 3/4"

- slotted truss head, 3/8 NC x 3/4 inch

8шт.

92

482256R1

BEARING LOCK NUT,Flg, USR, 3/8"-16

- hex flange nut, 3/8 inch NC

12шт.

93

1315078C3

SUPPORT

- extension, pivot (With rock trap)

1шт.

94

179464C1

SERRATED SCREW,Sl Truss Hd, 3/8" - 16 x 1 1/4"

- slotted truss head, 3/8 NC x 1-1/4 inch

6шт.

95

1315075C1

ANGLE

SUPPORT - angle, extension

1шт.

96

1315083C1

SUPPORT

- extension, lower (With rock trap)

1шт.

97

1315232C1

SUPPORT

- stiffener, upper (With rock trap)

1шт.

98

113-233

BOLT,Hex, 3/8" - 16 x 1-3/4", Gr 5

1шт.

99

1315079C1

SUPPORT

- shield, upper (With rock trap)

1шт.

100

477-73816

SERRATED SCREW,Sl Truss Hd, 3/8" x 1"

- slotted truss head, 3/8 NC x 1 inch

2шт.

101

49139D

WASHER,10.32mm ID x 38.1mm OD x 5mm Thk

- flat, 13/32 x 1-1/4 x 31/64 inch

1шт.

102

432-1240

COTTER PIN,3/16" x 2 1/2"

3/16" x 2 1/2"

1шт.

Выбрано товаров: 41