Запчасти Case IH 1640 (9A-26) - FEEDER JACKSHAFT DRIVE, (CONT) (13) - FEEDER

Схема запчастей Case IH 1640 - (9A-26) - FEEDER JACKSHAFT DRIVE, (CONT) (13) - FEEDER
65
92
102
89
61
79
61
71
80
78
74
53
73
58
85
56
94
104
54
93
97
90
59
66
77
86
87
70
52
103
96
63
62
67
89
95
60
90
59
101
83
54
55
69
57
75
88
60
58
72
82
68
60
FIT
1:1
100%

Артикул

Название

Примечание

Количество

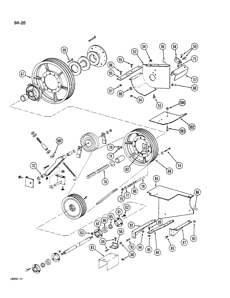
52

1321838C2

GUARD

SHIELD - support, front

1шт.

53

256873

BOLT,Hex Serr, 5/16" - 18 x 1/2", 5SPL, Full Thd

4шт.

54

938017R1

FLANGE NUT,Flg, USR, 5/16"-18

- hex flange lock, 5/16 inch NC

4шт.

55

135270

SERRATED SCREW,5/16" - 18 x 3/4"

BOLT - slotted truss head, 5/16 NC x 3/4 inch

2шт.

56

480523R1

HAIR PIN COTTER

1шт.

57

1329952C2

GUARD

SHIELD - jackshaft end

1шт.

58

10810R

HINGE

- shield

2шт.

59

477-73812

SERRATED SCREW,Truss HD, 3/8" - 16 x 3/4"

BOLT - slotted truss head, 3/8 NC x 3/4 inch

8шт.

60

482256R1

BEARING LOCK NUT,Flg, USR, 3/8"-16

- hex flange lock, 3/8 inch NC

8шт.

61

619333R1

FLANGED BEARING

- bearing, right

2шт.

62

598813R1

CARRIAGE BOLT,Sht Sq Nk, 1/2" - 13 x 1", Gr 5

BOLT - round head square head, 1/2 NC x 1 inch

4шт.

63

131-930

FLANGE NUT,Hex Serr, 1/2" - 13, Gr 5

- hex flange lock, 1/2 inch NC

4шт.

65

664598R11

COLLAR

ASSEMBLY - lock, bearing

1шт.

66

664597R91

BALL BEARING,1.5005" ID x 90 mm OD x 1.625"

- jackshaft, right

1шт.

67

REF

INSTRUCTION

PULLEY - driven (See Figure 9A-22)

1шт.

68

1305288C1

PULLEY

- drive, feeder

1шт.

69

24844R1

BOLT,Hex, 3/8" - 16 x 3 1/2", Gr 8

4шт.

70

492-11038

LOCK WASHER,3/8"

4шт.

71

25522R1

NUT,3/8"-16, G8

- hex, 3/8 inch NC

4шт.

72

M74461

SPACER,26.6mm ID x 33.4mm OD x 19mm L

Support pin 1" Pipe x 3/4"

1шт.

73

151670C1

SHIM

- pin spacer

1шт.

74

1315319C1

BOLT,Hex, 3/8" - 16 x 6", Gr 8

- hex, 3/8 x 6 inch

8шт.

75

9413979

LOCK NUT,3/8"-16, GC

NUT - hex lock, 3/8 inch NC

8шт.

77

477589R1

WASHER

- flat, 13/32 x 1-1/2 x 7/64 inch

16шт.

78

REF

INSTRUCTION

SHAFT - feeder (See Figure 9A-34)

1шт.

79

1305370C3

SPACER

- spring, clutch

8шт.

80

142619H

WASHER

- flat, 13/32 x 3/4 x 7/64 inch

9шт.

195-2152

WASHER,1 13/16" x 2 1/2" x .109"

- flat, 1-25/32 x 2-1/2 x 7/64 inch (Not Shown)

1шт.

82

1315316C1

SUPPORT

- spring, slip clutch

2шт.

83

1321848C2

GUARD

SHIELD - end, jackshaft

1шт.

85

1321841C1

GUARD

SHIELD - drive, jackshaft (47 inch feeder)

1шт.

85

1321866C1

GUARD

SHIELD - drive, jackshaft (54-1/2 inch feeder)

1шт.

86

480523R1

HAIR PIN COTTER

4шт.

87

1327779C1

SUPPORT

- shield, upper rear

1шт.

88

1321851C1

SUPPORT

- shield, lower rear

1шт.

89

598809R1

CARRIAGE BOLT,Sht Sq Nk, 3/8" - 16 x 3/4", Gr 5

BOLT - round head square neck, 3/8 NC x 3/4 inch

3шт.

90

482256R1

BEARING LOCK NUT,Flg, USR, 3/8"-16

- hex flange lock, 3/8 inch NC

3шт.

92

1321853C1

SUPPORT

- shield, lower front

1шт.

93

256873

BOLT,Hex Serr, 5/16" - 18 x 1/2", 5SPL, Full Thd

2шт.

94

938017R1

FLANGE NUT,Flg, USR, 5/16"-18

- hex flange lock, 5/16 inch NC

2шт.

95

1321880C1

SUPPORT

- shield, front

1шт.

96

135270

SERRATED SCREW,5/16" - 18 x 3/4"

- slotted truss head, 5/16 NC x 3/4 inch

2шт.

97

938017R1

FLANGE NUT,Flg, USR, 5/16"-18

- hex flange lock, 5/16 inch NC

2шт.

101

194652C1

PIVOT

BAR - pivot

1шт.

102

1330071C1

GUARD

SHIELD - rear upper

1шт.

103

113-221

BOLT,Hex, 3/8" - 16 x 7/8", Gr 5

- hex, 3/8 x 3/4 inch

1шт.

104

129-103

NUT,Hex, 3/8" - 16, Gr 5

NUT, 3/8"-16, G5

1шт.

Выбрано товаров: 47