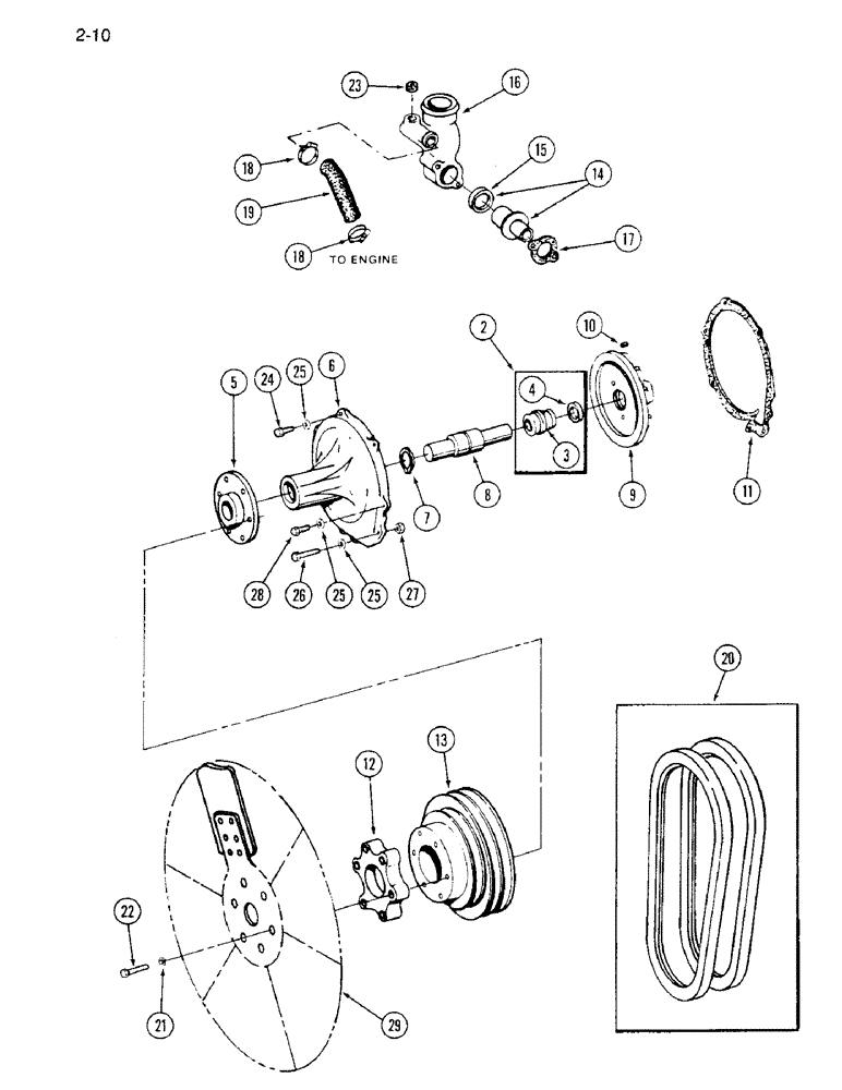
Запчасти Case IH 1640 (2-10) - FAN, BELTS, THERMOSTAT AND WATER PUMP, D466 ENGINE (01) - ENGINE

Схема запчастей Case IH 1640 - (2-10) - FAN, BELTS, THERMOSTAT AND WATER PUMP, D466 ENGINE (01) - ENGINE
9
25
18
27
29
5
28
18
15
25
16
14
23
26
8
12
19
24
7
25
2
17
10
20
4
6
3
21
11
13
22
FIT
1:1
100%

Артикул

Название

Примечание

Количество

673162C94

PUMP, WATER

PUMP ASSEMBLY - water with hub pulley, new

1шт.

749908C91

REMAN-WATER PUMP

PUMP ASSEMBLY - water with hub pulley, remanufactured

1шт.

1928143C1

CORE-WATER PUMP

Return Number

1шт.

2

687161C92

KIT

SEAL KIT - water pump (Use with 676320C1 Impeller only), Includes: Ref. 3 and 4

1шт.

3

NSS

NOT SOLD SEPARAT

SEAL - pump

1шт.

4

NSS

NOT SOLD SEPARAT

SEAT - pump

1шт.

5

675033C1

HUB

HUB - water pump pulley

1шт.

6

675806C3

HOUSING

HOUSING - water pump bearing

1шт.

7

272842R1

SNAP RING,1.875", Int, #187

RING - retaining, 2 inch

1шт.

8

627785C91

BEARING ASSY,47.63mm OD x 177.8mm L

BEARING AND SHAFT ASSEMBLY

1шт.

9

676320C1

IMPELLER

IMPELLER - water pump (Use with 687161C92 Kit)

1шт.

9

NSS

NOT SOLD SEPARAT

IMPELLER - water pump (Order 1810366C91 kit)

1шт.

1810366C91

TURBINE

KIT - impeller and seal, Includes: Ref. seal kit and o-ring

1шт.

1810505C91

GASKET KIT

KIT - seal

1шт.

1802812C1

O-RING

O-RING - 1-27/64 x 1/16 inch

1шт.

10

680481C1

PIN

PIN - dowel, 1/4 x 5/8 inch

2шт.

11

675808C1

GASKET

GASKET - water pump housing

1шт.

12

673013C1

SPACER

SPACER - fan

1шт.

13

691562C1

PULLEY

PULLEY - water pump, triple groove

1шт.

14

684739C1

THERMOSTAT

THERMOSTAT - coolant, 190 degree

1шт.

15

615175C91

SEAL

SEAL - thermostat

1шт.

16

689061C1

HOUSING

HOUSING - thermostat

1шт.

17

675384C1

GASKET

GASKET - thermostat housing

1шт.

18

681896C1

HOSE CLAMP,#20, .81/1.75 Type F Worm, W/liner

CLAMP - thermostat bypass housing hose

2шт.

19

672242C1

HOSE,1.19" ID x 3.44"

Thermostat By-Pass Housing

1шт.

20

537072R92

SET OF BELTS,64.75" L

V-Belt, Fan (Matched Set) (Use with Motorola alternator)

1шт.

20

1979149C1

SET OF BELTS,0.60" W x 65.50" L

V-Belt, Fan, Matched set, Use with Bosch alternator

1шт.

21

492-11038

LOCK WASHER,3/8"

LOCK WASHER, 3/8"

6шт.

22

24621R1

BOLT,Hex, 3/8" - 16 x 2 1/4", Gr 8

BOLT, Hex, 3/8"-16 x 2 1/4", G8

6шт.

23

444783

DRAIN PLUG,Sq Soc, 3/8"-18 NPTF

PLUG - pipe, 3/8-18

1шт.

24

140483H

BOLT,Hex, 3/8" - 16 x 1 1/4", Gr 8, Full Thd

BOLT, Hex, 3/8"-16 x 1 1/4", G8, Full Thd

1шт.

25

25896R1

WASHER,13/32" x 13/16" x .09", HDN

WASHER - hardened

8шт.

26

24844R1

BOLT,Hex, 3/8" - 16 x 3 1/2", Gr 8

BOLT, Hex, 3/8"-16 x 3 1/2", G8

2шт.

27

25522R1

NUT,3/8"-16, G8

NUT - hex, 3/8 inch NC

2шт.

28

24842R1

BOLT,Hex, 3/8" - 16 x 1 3/4", Gr 8

BOLT, Hex, 3/8"-16 x 1 3/4", G8

2шт.

29

84663C1

FAN

BLADE - fan

1шт.

Выбрано товаров: 36