Запчасти Case IH 1640 (9E-14) - GRAIN TANK UNLOADER BELT DRIVE, (CONT) (17) - GRAIN TANK & UNLOADER

Схема запчастей Case IH 1640 - (9E-14) - GRAIN TANK UNLOADER BELT DRIVE, (CONT) (17) - GRAIN TANK & UNLOADER
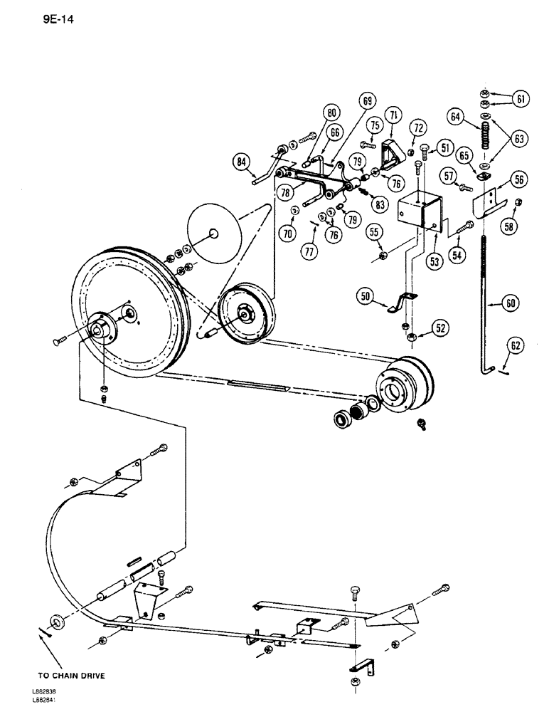
50
75
51
54
61
66
57
62
77
76
56
71
65
52
58
60
83
72
70
84
78
55
53
63
80
69
79
64
79
76
FIT
1:1
100%

Артикул

Название

Примечание

Количество

50

193627C1

SUPPORT

- trap, belt

1шт.

51

154273C1

BOLT,Hex Serr, 3/8" - 16 x 1", Spcl

SCREW - lock, 3/8 NC x 1 inch

2шт.

52

482256R1

BEARING LOCK NUT,Flg, USR, 3/8"-16

- hex flange lock, 3/8 inch NC

2шт.

53

194599C1

SUPPORT

CHANNEL - inner, belt guide

1шт.

54

413-824

BOLT,Hex, 1/2" - 13 x 1-1/2", Gr 5

2шт.

55

131-930

FLANGE NUT,Hex Serr, 1/2" - 13, Gr 5

- hex flange lock, 1/2 inch NC

2шт.

56

185062C1

SUPPORT

- spring

1шт.

57

155807C1

BOLT,Hex Serr, 5/16" - 18 x 1"

2шт.

58

938017R1

FLANGE NUT,Flg, USR, 5/16"-18

- hex flange lock, 5/16 inch NC

2шт.

60

185061C1

ROD

- tightener

1шт.

61

425-108

NUT,1/2" - 13, Gr 5

NUT, , Hex 1/2"-13, G5

2шт.

62

132-344

COTTER PIN,3/16" x 1"

PIN, SPLIT (COTTER), 3/16" x 1"

1шт.

63

20601R1

WASHER

- flat, 17/32 x 1-1/4 x 7/64 inch

2шт.

64

391745R1

SPRING

- arm, tightener

1шт.

65

194652C1

PIVOT

- rod

1шт.

66

193820C1

ROD

- retainer

1шт.

69

648002

KNIFE

PIN SPLIT (COTTER), 1/8" x 3/4"

4шт.

70

142619H

WASHER

- flat, 13/32 x 3/4 x 7/64 inch

4шт.

71

191464C2

SUPPORT

- arm, tightener

1шт.

72

938017R1

FLANGE NUT,Flg, USR, 5/16"-18

- hex flange lock, 5/16 inch NC

2шт.

75

535789R1

BOLT,Hex Serr, 5/16" - 18 x 1 1/4"

- hex flange, 5/16 NC x 1-1/4 inch

2шт.

76

366112R1

WASHER

- flat, 25/32 x 1-1/4 x 7/64 inch

3шт.

77

217973

COTTER PIN,1/4" x 1 1/4"

Pin, Split (Cotter), 1/4" x 1-1/4"

1шт.

78

185059C92

ARM ASSY.

ARM ASSEMBLY - tightener, Includes: Ref. 79, 80 and 83

1шт.

79

382638R2

BUSHING,19.07mm ID x 22.24mm OD x 19.05mm L

- arm

2шт.

80

1302225C1

BUSHING

- arm

1шт.

83

219-87

LUBE NIPPLE,1/4" - 28 NPTF

NIPPLE, LUBE, 1/4"-28 x .56" lg, Self-Tap

1шт.

84

194894C1

ROD

- belt, upper

1шт.

Выбрано товаров: 28