Запчасти Case IH 1640 (9F-14) - STRAW CHOPPER GEAR HOUSING, (CONT) (19) - STRAW SPREADER & CHOPPER

Схема запчастей Case IH 1640 - (9F-14) - STRAW CHOPPER GEAR HOUSING, (CONT) (19) - STRAW SPREADER & CHOPPER
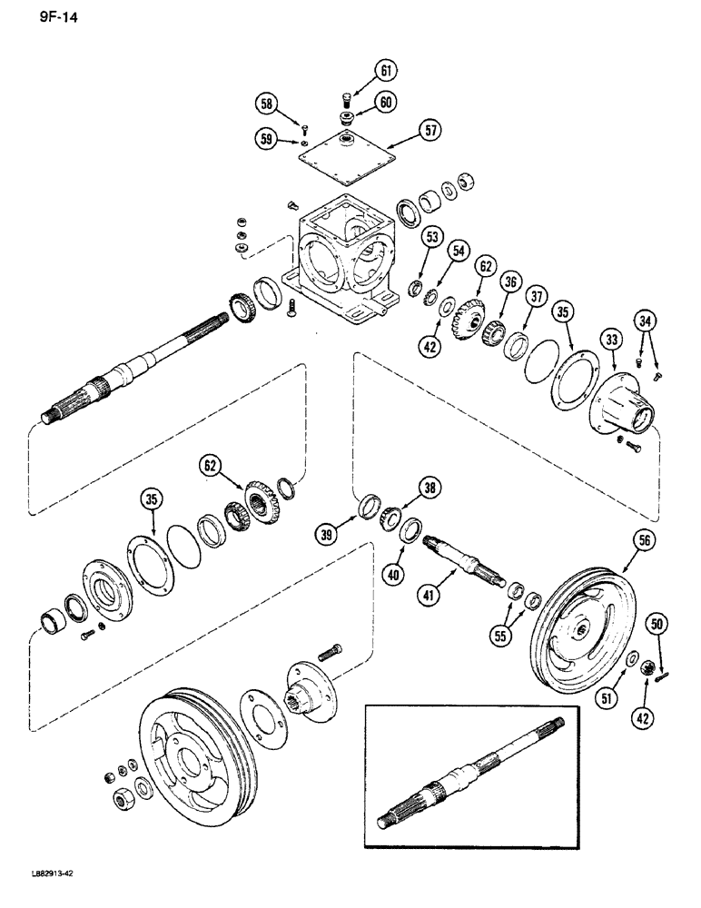
42
38
62
34
61
35
36
55
33
54
57
56
40
60
42
39
53
35
59
41
58
62
51
50
37
FIT
1:1
100%

Артикул

Название

Примечание

Количество

33

191245C2

HUB

- chopper drive

1шт.

34

444614

PLUG,Hex Hd, 1/8"-27, Brass

- chopper drive hub

1шт.

35

195484C2

SHIM KIT

KIT - shim, Includes shims

2шт.

NSS

NOT SOLD SEPARAT

SHIM - 0.005 inch

4шт.

NSS

NOT SOLD SEPARAT

SHIM - 0.007 inch

4шт.

NSS

NOT SOLD SEPARAT

SHIM - 0.020 inch

2шт.

36

ST2071

TAPERED BEARING,34.92mm ID x 23.81mm W

CONE - bearing, hub inner

1шт.

37

17498D

TAPERED BEARING," ID x 76.2125 mm OD x 23.9135 mm

CUP - bearing, hub inner

1шт.

38

G57452

ROLLER BEARING

CONE - bearing, hub outer

1шт.

39

G57451

BEARING, CUP

CUP - bearing, hub outer

1шт.

40

192527C1

OIL SEAL,44.45mm ID x 69.95mm OD x 7.92mm Thk

- oil, chopper drive shaft

1шт.

41

181195C1

SHAFT

- chopper drive

1шт.

42

26963R1

NUT,7/8"-14, G8

NUT - hex slotted, 7/8 inch NF

1шт.

50

132-337

COTTER PIN,1/8" x 1 3/4"

1/8" x 1 3/4"

1шт.

51

26070R1

WASHER,15/16" x 1 3/4" x .179", HDN

- hardened flat, 15/16 x 1-3/4 x 3/16 inch

1шт.

52

26297R1

WASHER,1 3/16" x 2 1/4" x .134", HDN

- hardened flat, 1-3/16 x 2-1/4 x 9/64 inch

1шт.

53

271253

NUT

- bearing lock

1шт.

54

181268C1

BEARING WASHER,1.193" ID x 1.95" OD

WASHER - lock, drive shaft bearing

1шт.

55

181156C1

SPACER

- drive shaft

2шт.

56

1315264C1

PULLEY

- chopper drive (7 and 14 inch O.D.)

1шт.

57

181281C1

COVER

- gear housing

1шт.

58

113-102

BOLT,Hex, 5/16" - 18 x 3/4", Gr 5

Hex, 5/16"-18 x 3/4", G5, Full Thd

10шт.

59

192-20

LOCK WASHER,Helical Spring, 0.318" ID, CST, ZND

WASHER, LOCK, 5/16"

10шт.

60

115224

ADAPTER

- hex pipe, 3/4 to 3/8 inch

1шт.

61

91916R91

BREATHER,3/8"-18 NPT, Short, w/washer

FITTING - short grease with felt washer, 3/8 inch PTF

1шт.

62

188814C1

BEVEL GEAR

GEAR ASSEMBLY - matched set, Includes 23 and 24 teeth gear

1шт.

NSS

NOT SOLD SEPARAT

GEAR - 24 teeth

1шт.

NSS

NOT SOLD SEPARAT

GEAR - 23 teeth

1шт.

Выбрано товаров: 28