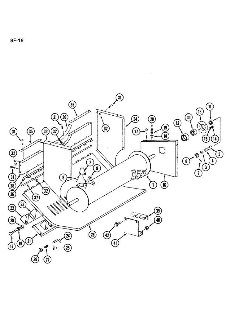
Запчасти Case IH 1640 (9F-16) - STRAW CHOPPER ROTOR AND CONCAVE (19) - STRAW SPREADER & CHOPPER

Схема запчастей Case IH 1640 - (9F-16) - STRAW CHOPPER ROTOR AND CONCAVE (19) - STRAW SPREADER & CHOPPER
8
39
35
37
17
17
19
1
19
38
22
31
23
42
4
13
6
25
33
16
18
11
29
36
32
3
20
9
31
31
27
24
5
15
31
7
30
21
32
34
35
32
40
32
26
2
10
41
14
28
12
FIT
1:1
100%

Артикул

Название

Примечание

Количество

1

185099C91

ROTOR ASSY.

ROTOR ASSEMBLY - straw chopper, Includes: Ref. 2

1шт.

2

197124C1

PACKAGE

BLADE - straw chopper rotor (Set of two)

14шт.

3

23071R1

WASHER

- flat, 29/32 x 2 x 5/32 inch

2шт.

4

21779R1

WASHER

- flat, 1-11/32 x 2 x 7/64 inch

6шт.

5

181156C1

SPACER

2шт.

6

26963R1

NUT,7/8"-14, G8

NUT - hex slotted, 7/8 inch NF

1шт.

7

132-337

COTTER PIN,1/8" x 1 3/4"

1/8" x 1 3/4"

1шт.

8

413-816

BOLT,Hex, 1/2" - 13 x 1", Gr 5

56шт.

9

131-930

FLANGE NUT,Hex Serr, 1/2" - 13, Gr 5

- hex flange lock, 1/2 inch

56шт.

10

936133R91

BEARING ASSY,38.1mm ID x 80mm OD x 18mm W

BEARING - flange, ball

2шт.

11

455112R11

COLLAR

- bearing

2шт.

12

936131R1

RUBBER RING,92.46mm ID x 23.01mm OD x 23.01mm L

- bearing

2шт.

13

936130R1

FLANGE

- bearing

2шт.

14

425-108

NUT,1/2" - 13, Gr 5

NUT, , Hex 1/2"-13, G5

8шт.

15

80679

LOCK WASHER,1/20.507 CST ZND

WASHER, LOCK, 1/2"

8шт.

16

181096C1

SUPPORT

- rotor left

1шт.

16

181097C1

SUPPORT

- rotor right

1шт.

17

413-616

BOLT,Hex, 3/8" - 16 x 1", Gr 5

- hex, 3/8 NC x 1 inch

20шт.

17

413-620

BOLT,Hex, 3/8" - 16 x 1-1/4", Gr 5

- hex, 3/8 NC x 1-1/4 inch

1шт.

18

129-103

NUT,Hex, 3/8" - 16, Gr 5

NUT, 3/8"-16, G5

16шт.

19

492-11038

LOCK WASHER,3/8"

20шт.

20

495-11041

WASHER,0.406" ID x 0.812" OD x 0.065" W

- flat, 13/32 x 13/16 x 3/64 inch

16шт.

21

185135C91

BAR

ASSEMBLY - straw chopper concave, Includes: Ref. 22 and 23

1шт.

22

1302763C1

KNIFE

BLADE - chopper concave

12шт.

23

1302764C1

KNIFE

BLADE - chopper concave

1шт.

24

186736C1

ROD

- concave bar

2шт.

25

132-321

COTTER PIN,3/32" x 1"

PIN, SPLIT (COTTER), 3/32" x 1"

2шт.

26

25709R1

WASHER

- flat, 13/32 x 47/64 x 1/16 inch

1шт.

27

540815R1

SPRING

- concave bar latch

2шт.

28

185141C2

PLATE

BOTTOM - straw chopper deflector

1шт.

29

25553R1

WASHER,13/32" x 1 1/8" x .134", HDN

- hardened flat, 13/32 x 1-1/8 x 9/64 inch

4шт.

30

182898C1

SUPPORT

- cage filler, rear (If equipped)

1шт.

31

477-73812

SERRATED SCREW,Truss HD, 3/8" - 16 x 3/4"

BOLT - slotted truss head, 3/8 NC x 3/4 inch

29шт.

32

482256R1

BEARING LOCK NUT,Flg, USR, 3/8"-16

- hex flange lock, 3/8 inch

29шт.

33

182946C1

DEFLECTOR

- discharge, left (If equipped)

1шт.

34

182947C1

DEFLECTOR

- discharge, right (If equipped)

1шт.

35

182891C1

PLATE

BAR - bulkhead filler (If equipped)

2шт.

36

182894C1

HINGE

- deflector bottom (If equipped)

1шт.

37

182977C1

ROD

- bottom hinge (If equipped)

1шт.

38

182929C1

SUPPORT

- rear (See Figure 9B-40)

1шт.

39

181209C1

SUPPORT

- sensor

1шт.

40

25933R1

JAM NUT,Jam, 1/2"-13, G8

- hex jam, 1/2 inch NC

4шт.

41

181208C2

COVER

SUPPORT - shaft

1шт.

42

23986R1

SELF-TAP SCREW,Hex Wash Hd, 1/4" x 1/2"

SCREW, SELF TAPPING, Hex Wash Hd, 1/4" x 1/2"

2шт.

43

104236

RIVET,4.76mm OD x 15.88mm L

1шт.

Выбрано товаров: 45