Запчасти Case IH 1640 (6-04) - POWER TAKEOFF DRIVE, (CONT) (03) - POWER TRAIN

Схема запчастей Case IH 1640 - (6-04) - POWER TAKEOFF DRIVE, (CONT) (03) - POWER TRAIN
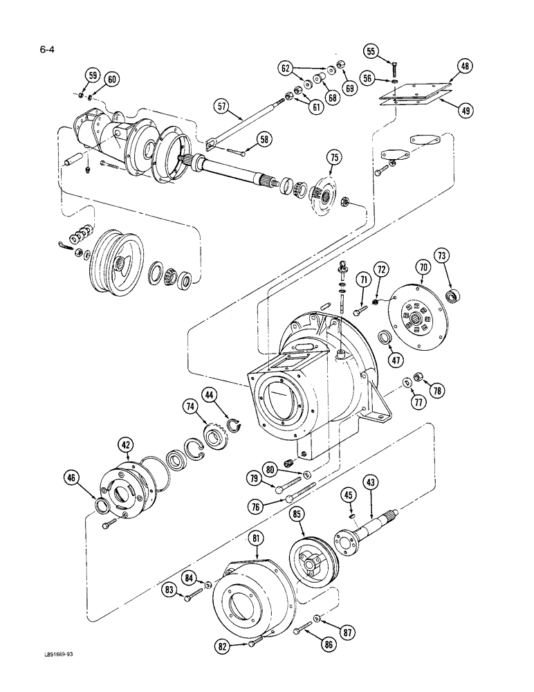
58
79
76
45
71
70
59
82
47
61
73
49
81
78
56
80
87
69
83
60
55
86
84
57
43
85
42
68
77
74
75
48
62
46
44
72
FIT
1:1
100%

Артикул

Название

Примечание

Количество

188196C1

SHIM KIT

KIT - PTO drive shaft housing shim, continued, Includes: Ref. 42

1шт.

42

NSS

NOT SOLD SEPARAT

SHIM - bearing hub, 0.030 inch

1шт.

42

NSS

NOT SOLD SEPARAT

SHIM - bearing hub, 0.010 inch

1шт.

42

NSS

NOT SOLD SEPARAT

SHIM - bearing hub, 0.007 inch

1шт.

42

NSS

NOT SOLD SEPARAT

SHIM - bearing hub, 0.005 inch

1шт.

43

192816C1

SHAFT

- drive

1шт.

44

23483R1

SNAP RING,#200, Ext

Ring, Snap, #200, Ext

1шт.

45

57388D

WOODRUFF KEY,#128, 5/16" x 2 1/8", HT

KEY - drive shaft, Woodruff, 5/16 x 2-1/8 inch

1шт.

46

173133C91

OIL SEAL,64.26mm ID x 92.15mm OD x 11mm Thk

- drive shaft, pump housing end, 3-5/8 inch O.D.

1шт.

47

173559C91

SEAL

- drive shaft, drive plate end, 2-5/8 inch O.D.

1шт.

48

192275C1

COVER

- housing

1шт.

49

191830C2

GASKET

- housing cover

1шт.

55

113-206

BOLT,Hex, 3/8" - 16 x 3/4", Gr 5, Full Thd

4шт.

56

492-11038

LOCK WASHER,3/8"

4шт.

57

194086C1

ROD

- snubber

1шт.

58

113-410

BOLT,Hex, 1/2" - 13 x 1-1/2", Gr 5, Full Thd

1шт.

59

129-105

NUT,Hex, 1/2" - 13, Gr 5

1шт.

60

192-23

LOCK WASHER,1/2"

WASHER, LOCK, 1/2"

1шт.

61

124944

JAM NUT,Hex, 5/8" - 18, Gr 5

2шт.

62

107813R1

WASHER

- flat, 21/32 x 2-1/2 x 3/16 inch

2шт.

68

194915C2

ISOLATOR,13.72mm ID x 45.97mm OD x 50.04mm L

INSULATOR - snubber

1шт.

69

232-46110

LOCK NUT,5/8"-11, GC

NUT - hex prevailing torque, 5/8 inch NF

1шт.

70

188013C91

PLATE ASSY.,354.33mm OD

PLATE - drive

1шт.

70

188013C91R

REMAN-CLUTCH PLATE

Drive

1шт.

70

188013C91C

CORE-CLUTCH PLATE

Return Number

1шт.

71

26316R1

BOLT,Hex, 1/2" - 13 x 1", Gr 8

- hex prevailing torque, 1/2 NC x 1 inch, Grade 8

6шт.

72

406579R1

WASHER

- flat, hardened, 17/32 inch

6шт.

73

195349C1

BUSHING

- power takeoff flywheel

1шт.

192801C1

GEAR-SET

KIT - separator drive gear, Includes: Ref. 74 and 75

1шт.

74

NSS

NOT SOLD SEPARAT

GEAR - drive shaft, 28 teeth

1шт.

75

NSS

NOT SOLD SEPARAT

GEAR - separator drive shaft, 43 teeth

1шт.

76

113-619

BOLT,Hex, 5/8" - 11 x 4-1/2", Gr 5

4шт.

77

195-2203

WASHER,21/32" x 2" x .238"

- flat, 21/32 x 2 x 11/64 inch

4шт.

78

129-107

NUT,5/8"-11, G5

4шт.

79

113-427

BOLT,Hex, 1/2" - 13 x 3-1/4", Gr 5

2шт.

80

25710R1

WASHER

- flat, 17/32 x 1-1/16 x 9/64 inch

2шт.

81

1303141C1

HOUSING

- hydrostatic pump

1шт.

82

113-417

BOLT,Hex, 1/2" - 13 x 1-1/4", Gr 5, Full Thd

3шт.

83

113-412

BOLT,Hex, 1/2" - 13 x 1-3/4", Gr 5

2шт.

84

283856C1

WASHER

- flat, 17/32 x 1 x 3/16 inch

2шт.

85

196481C1

PULLEY

- auxiliary pump drive

1шт.

86

168392R1

BOLT,Hex, 1/2" - 13 x 2 1/2", Gr 8

- hex, 1/2 NC x 2-1/2 inch, Grade 8

3шт.

87

25710R1

WASHER

- flat, 17/32 x 1-1/16 x 5/64 inch

3шт.

Выбрано товаров: 43