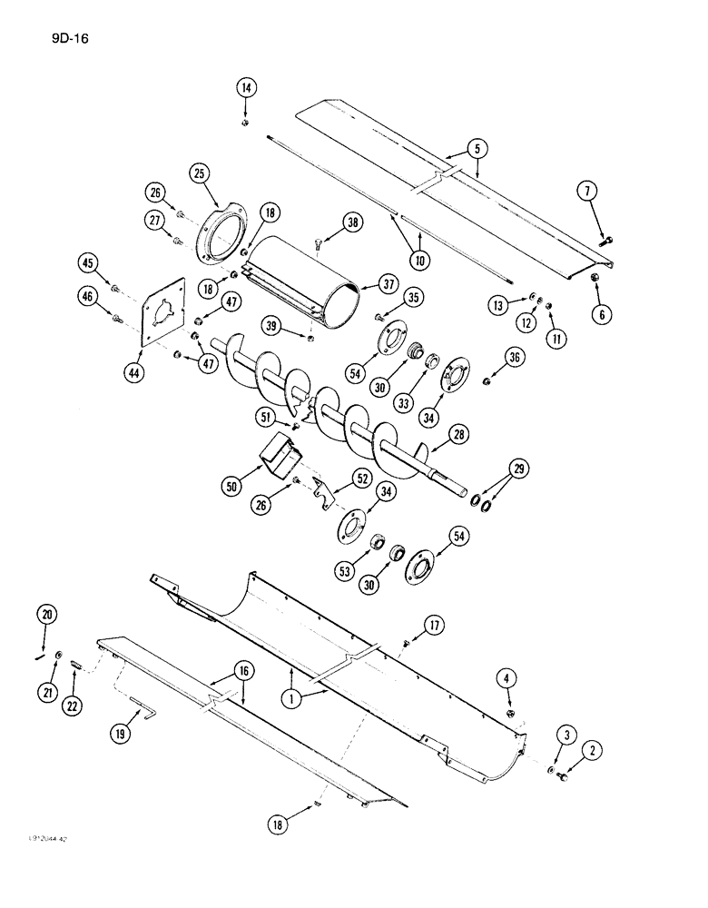
Запчасти Case IH 1640 (9D-16) - TAILINGS AUGER TROUGH (16) - GRAIN ELEVATORS & AUGERS

Схема запчастей Case IH 1640 - (9D-16) - TAILINGS AUGER TROUGH (16) - GRAIN ELEVATORS & AUGERS
51
1
33
26
13
2
30
12
38
50
16
4
10
14
35
6
39
18
20
34
46
11
17
19
54
28
54
18
25
30
7
54
44
5
34
26
3
37
36
29
47
52
27
18
21
47
53
22
FIT
1:1
100%

Артикул

Название

Примечание

Количество

1

186907C2

TROUGH

- auger

1шт.

2

202107C1

BOLT,Hex Serr Flg, 5/16" - 18 x 3/4"

- hex flange lock, 5/16 NC x 3/4 inch

2шт.

3

495-11034

WASHER,5/16", SAE

5/16" SAE (flat, 11/32 x 11/16 x 1/16")

2шт.

4

938017R1

FLANGE NUT,Flg, USR, 5/16"-18

- hex flange lock, 5/16 inch NC

6шт.

5

185195C1

DOOR

- cover, trough

1шт.

6

188471C1

FLANGE NUT,Flg, 5/16"-18

NUT - trough door

9шт.

7

413-512

BOLT,Hex, 5/16" - 18 x 3/4", Gr 5

- hex, 5/16 NC x 3/4 inch

9шт.

10

185198C1

ROD

- auger door

1шт.

11

425-105

NUT,5/16"-18, G5

- hex, 5/16 inch NC

1шт.

12

492-11031

LOCK WASHER,5/16"

WASHER, LOCK, 5/16"

1шт.

13

495-11034

WASHER,5/16", SAE

5/16" SAE (flat, 11/32 x 11/16 x 1/16")

1шт.

14

188471C1

FLANGE NUT,Flg, 5/16"-18

NUT - left hex, door rod

1шт.

16

186909C1

DOOR

TAILGATE - trough

1шт.

17

477-73108

SERRATED SCREW,Sl Truss Hd, 5/16" - 18 x 1/2"

BOLT - slotted truss head, 5/16 NC x 1/2 inch

6шт.

18

938017R1

FLANGE NUT,Flg, USR, 5/16"-18

- hex flange lock, 5/16 inch NC

10шт.

19

186736C1

ROD

- tailgate

2шт.

20

432-616

COTTER PIN,3/32" x 1"

3/32" x 1"

2шт.

21

495-51041

WASHER,3/8"

- flat, 13/32 x 47/64 x 1/16 inch

2шт.

22

540815R1

SPRING

- lock pin

2шт.

25

160324C2

FLANGE

- bearing plate, right

1шт.

26

477-73108

SERRATED SCREW,Sl Truss Hd, 5/16" - 18 x 1/2"

BOLT - slotted trusss head, 5/16 NC x 1/2 inch

2шт.

27

199953C1

SELF-TAP SCREW,HWH, 5/16" - 18 x 13/16"

SCREW, SELF TAP, Hex Wash Hd, 5/16"-18 x 13/16"

2шт.

28

191734C1

AUGER

- tailings

1шт.

29

495-81065

WASHER,26.19mm ID x 31.75mm OD x 1.7mm Thk

- flat, 1-1/32 x 1-1/4 x 3/64 inch

1шт.

30

482303R92

BALL BEARING,1.0005" ID x 52 mm OD x 0.84375"

ASSEMBLY - auger

2шт.

33

455102R21

COLLAR

ASSEMBLY - locking

2шт.

34

180383C91

FLANGED BEARING,3.75" OD x 0.4062"

FLANGE ASSEMBLY - bearing, auger, outer

2шт.

35

135270

SERRATED SCREW,5/16" - 18 x 3/4"

BOLT - slotted truss head, 5/16 NC x 3/4 inch

6шт.

36

938017R1

FLANGE NUT,Flg, USR, 5/16"-18

- hex flange lock, 5/16 inch NC

6шт.

37

192693C1

CLAMP

ASSEMBLY - extension (Not perforated)

1шт.

37

195078C1

SCREEN

ASSEMBLY - extension (Perforated)

1шт.

38

424-516

BOLT,Hex, 5/16" - 18 x 1", Gr 2

- hex, 5/16 NC x 1 inch

2шт.

38

161945C1

SERRATED SCREW,Sl Truss Hd, 5/16" - 18 x 1"

BOLT - slotted truss head, 5/16 NC x 1 inch

2шт.

39

131-1215

LOCK NUT,5/16"-18, GC

NUT, LOCK, 5/16"-18, GC

2шт.

39

938017R1

FLANGE NUT,Flg, USR, 5/16"-18

- hex flange lock, 5/16 inch NC

2шт.

44

192357C2

BAR

- support, bearing

1шт.

45

477-73108

SERRATED SCREW,Sl Truss Hd, 5/16" - 18 x 1/2"

- slotted truss head, 5/16 NC x 1/2 inch

3шт.

46

199953C1

SELF-TAP SCREW,HWH, 5/16" - 18 x 13/16"

SCREW, SELF TAP, Hex Wash Hd, 5/16"-18 x 13/16"

1шт.

47

938017R1

FLANGE NUT,Flg, USR, 5/16"-18

- hex flange lock, 5/16 inch NC

4шт.

50

187616C1

SUPPORT

COVER - sensor

1шт.

51

23986R1

SELF-TAP SCREW,Hex Wash Hd, 1/4" x 1/2"

SCREW, SELF TAPPING, Hex Wash Hd, 1/4" x 1/2"

2шт.

52

183869C1

BRACKET

- sensor

1шт.

53

1301135C1

COLLAR

- sensor

1шт.

For 1660 Combine after JJC0038346, use 178801C1 for 1" shaft.

1шт.

54

937517R1

FLANGE

- bearing, inner

2шт.

Выбрано товаров: 45