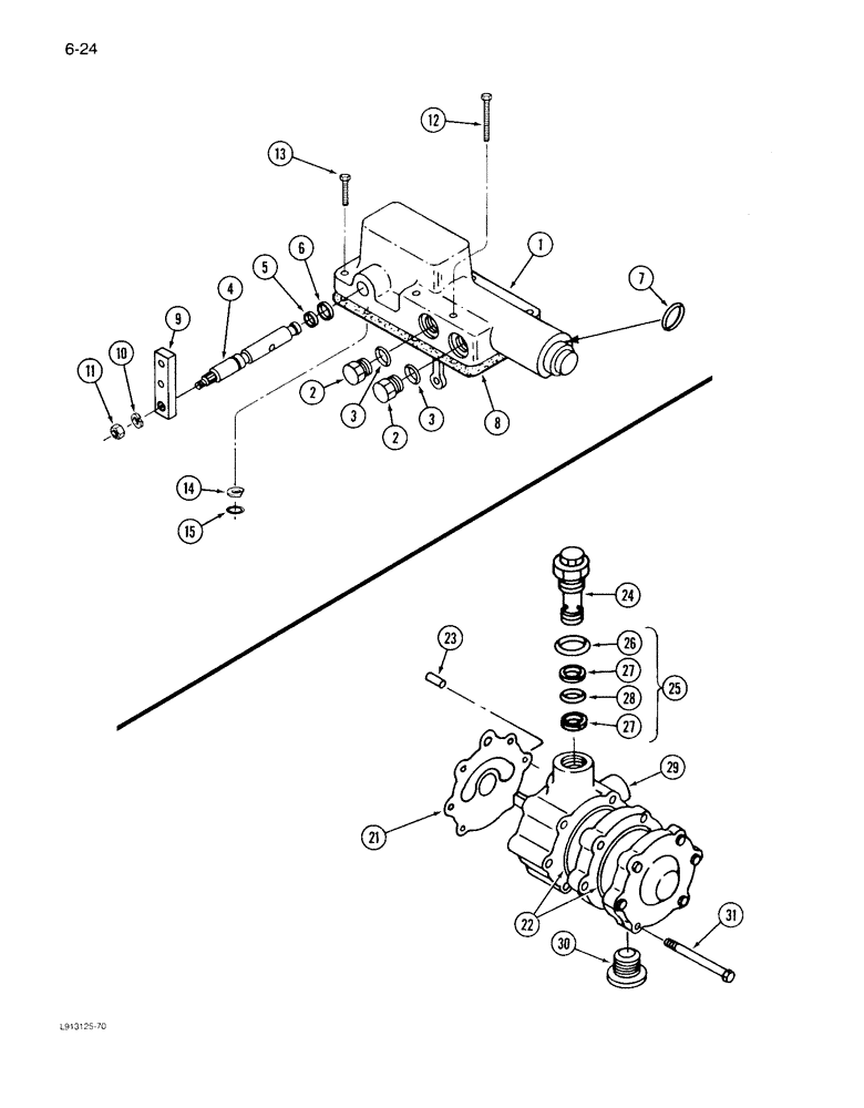
Запчасти Case IH 1640 (6-24) - HYDROSTATIC PUMP, CONTROL VALVE (03) - POWER TRAIN

Схема запчастей Case IH 1640 - (6-24) - HYDROSTATIC PUMP, CONTROL VALVE (03) - POWER TRAIN
9
12
3
24
22
11
13
8
2
15
23
14
4
5
26
31
30
3
27
28
27
3
2
6
7
29
10
21
25
FIT
1:1
100%

Артикул

Название

Примечание

Количество

133755C94

VALVE

- pump control, Includes: Ref. 1 - 15

1шт.

1

NSS

NOT SOLD SEPARAT

BODY - valve (Order 133755C94)

1шт.

2

1288963C1

PLUG

- body

2шт.

4

1978048C2

SHAFT

- control valve, Includes: Ref. 5

1шт.

Ref 4, 1978048c1 advances to 1978048c3. The C3 version also includes the control shaft set screw that is not shown on this page. Set screw goes in underneath the valve body. 8/22/02 BW CAM.

1шт.

5

238-5012

O-RING,0.07" Thk x 0.364" ID, -12, Cl 5, 75 Duro

-012, 70 Duro, .364" ID x .070" Thk

1шт.

6

1267111C1

RING,11.18mm ID x 12.7mm OD x 1.78mm Thk

SEAL - shaft (If equipped)

1шт.

7

80269C1

O-RING KIT

O-RING - 5/8 x 3/4 x 1/16 inch

1шт.

8

133756C1

GASKET

- control valve

1шт.

9

404782R2

PLATE

- control valve shaft

1шт.

10

493-11033

LOCK WASHER,Ext-Int Tooth, 5/16"

WASHER, LOCK, Ext-Int Tooth, 5/16"

1шт.

11

425-145

JAM NUT,Jam, 5/16"-18, G5

1шт.

12

326-528

BOLT,Hex, 5/16" - 18 x 1-3/4", Gr 8

2шт.

13

413-516

BOLT,Hex, 5/16" - 18 x 1", Gr 5

- hex, 5/16 NC x 1 inch

4шт.

14

1343662C1

ORIFICE

- control valve, 0.057 inch

1шт.

15

238-5012

O-RING,0.07" Thk x 0.364" ID, -12, Cl 5, 75 Duro

-012, 70 Duro, .364" ID x .070" Thk

1шт.

133761C91

PUMP

ASSEMBLY - charge, Includes: Ref. 21 - 31

1шт.

21

1986882C1

GASKET

- charge pump (Order 133760C2)

1шт.

22

238-5041

O-RING,0.07" Thk x 2.989" ID, -41, Cl 5, 75 Duro

-041, 70 Duro, 2.989" ID x .070" Thk, Charge pump

2шт.

23

140754C1

PIN

- dowel, 5/16 x 5/8 inch, charge pump

2шт.

24

140771C1

VALVE

- relief, low pressure, charge pump

1шт.

25

393885R91

GASKET KIT

SEAL KIT - relief valve, Includes: Ref. 26 - 28, charge pump

1шт.

26

237-6014

O-RING,0.116" Thk x 1.048" ID, -914, Cl 6, 90 Duro

- 1-3/64 ID x 1/64 inch, charge pump

1шт.

27

393887R1

BACK-UP RING

RING - backup, charge pump

2шт.

28

238-6117

O-RING,0.103" Thk x 0.799" ID, -117, Cl 6, 90 Duro

Charge pump -117, 90 Duro, .799" ID x .103" Thk

1шт.

29

NSS

NOT SOLD SEPARAT

BODY - pump (Order 133761C91), charge

1шт.

30

9410356

PLUG

- O-ring boss, 1/4 inch tube, charge pump

1шт.

31

413-556

BOLT,Hex, 5/16" - 18 x 3-1/2", Gr 5

- hex, 5/16 NC x 3-1/2 inch, charge pump

4шт.

3

237-6006

O-RING,0.078" Thk x 0.468" ID, -906, Cl 6, 90 Duro

6-1, 90 Duro, .468" ID x .078" Thk, 3/8 OD tube

2шт.

Выбрано товаров: 0