Запчасти Case IH 1644 (8-38) - FLOW DIVIDER VALVE (07) - HYDRAULICS

Схема запчастей Case IH 1644 - (8-38) - FLOW DIVIDER VALVE (07) - HYDRAULICS
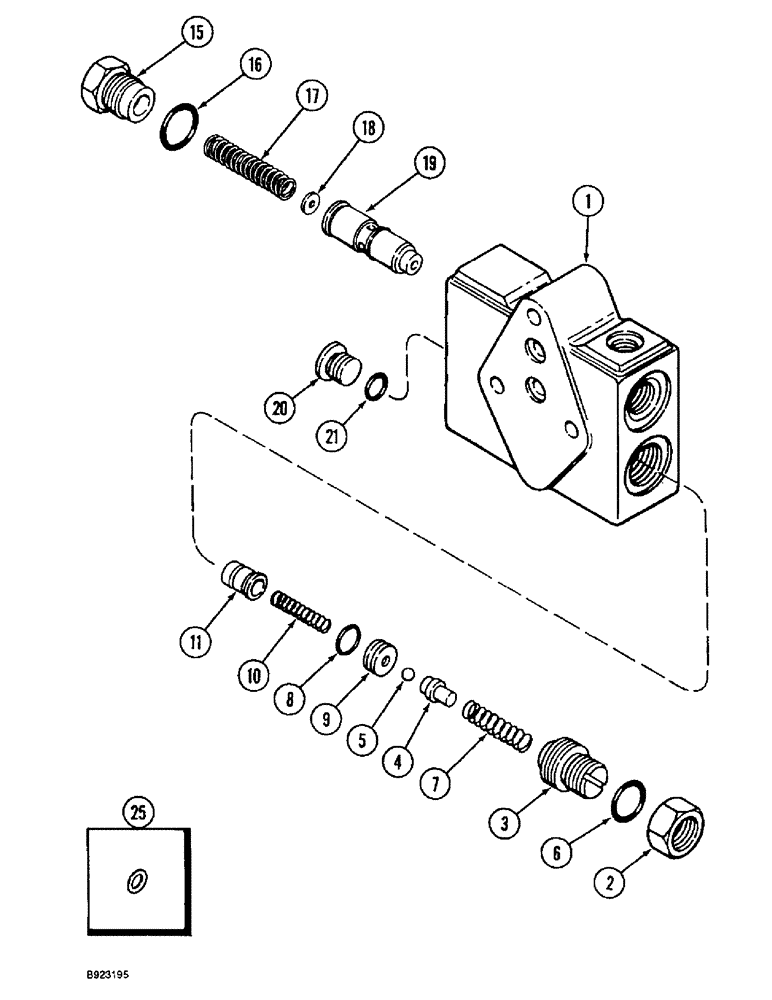
25
21
7
18
8
16
20
9
1
10
17
2
3
15
6
4
19
5
11
FIT
1:1
100%

Артикул

Название

Примечание

Количество

1542678C1

VALVE

ASSEMBLY flow divider, Includes: Ref. 1 - 26

1шт.

1

NSS

NOT SOLD SEPARAT

BODY valve

1шт.

2

1301674C1

NUT

hex, special, 1"

1шт.

3

1301675C1

PLUG,7/8" - 14 - 11/16" - 16 x 33.30mm

PLUG valve

1шт.

4

1301677C1

PIN

GUIDE spring

1шт.

5

211-1008

BALL,1/4" Dia

chrome alloy steel, 1/4", grade 24

1шт.

6

237-6010

O-RING,0.097" Thk x 0.755" ID, -910, Cl 6, 90 Duro

1шт.

7

1301636C1

SPRING

poppet

1шт.

8

238-6014

O-RING,0.07" Thk x 0.489" ID, -14, Cl 6, 90 Duro

1шт.

9

1301654C1

NUT

ORIFICE valve

1шт.

10

1301679C1

SPRING

orifice

1шт.

11

1301678C1

VALVE

POPPET

1шт.

15

1301686C1

CAP

PLUG hex, special

1шт.

16

237-6010

O-RING,0.097" Thk x 0.755" ID, -910, Cl 6, 90 Duro

1шт.

17

107961A1

SPRING

spool

1шт.

18

1301662C1

WASHER

RETAINER spring

1шт.

19

107975A1

SPOOL

valve

1шт.

20

9625178

PLUG,9/16" - 18 ORB

Incl. Ref. 21

1шт.

530575R91

SHIM KIT

relief valve, Includes: Ref. 25

1шт.

25

NSS

NOT SOLD SEPARAT

SHIM relief valve, 0.005"

1шт.

25

NSS

NOT SOLD SEPARAT

SHIM relief valve, 0.007"

1шт.

25

NSS

NOT SOLD SEPARAT

SHIM relief valve, 0.020"

1шт.

25

NSS

NOT SOLD SEPARAT

SHIM relief valve, 0.042"

1шт.

26

105945A1

PORT

DISC field tracker if used, not shown

1шт.

21

237-6006

O-RING,0.078" Thk x 0.468" ID, -906, Cl 6, 90 Duro

1шт.

Выбрано товаров: 25