Запчасти Case IH 1644 (8-50) - AUXILIARY PUMP AND MOUNTING (07) - HYDRAULICS

Схема запчастей Case IH 1644 - (8-50) - AUXILIARY PUMP AND MOUNTING (07) - HYDRAULICS
12
12
17
6
13
4
6
2
14
9
11
10
18
1
8
16
11
7
3
11
10
15
9
4
13
5
3
11
FIT
1:1
100%

Артикул

Название

Примечание

Количество

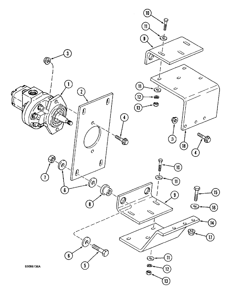
1

1994653C2

PUMP

ASSEMBLY auxiliary drive

1шт.

1994653C2R

REMAN-HYD PUMP

1644 ( 1/93 -12/94)

1шт.

1994653C2C

CORE-HYDRAULIC PUMP

Return Number

1шт.

1543179C1

SEAL KIT

seal, pump

1шт.

1543180C1

PACKAGE, REPAIR

KIT seal, relief valve

1шт.

1543181C1

PACKAGE, REPAIR

KIT flow control valve

1шт.

1543182C1

PUMP, HYDRAULIC

KIT front

1шт.

1543183C1

PACKAGE, REPAIR

KIT pump, rear

1шт.

1543196C1

SEAL KIT

shaft seal

1шт.

2

1541733C1

LARGE PLATE

PLATE, LARGE SUPPORT auxiliary pump

1шт.

3

231-5148

FLANGE NUT,Flg, USR, 1/2"-13

5шт.

4

409-7824

BOLT,Hex Flg, 1/2" - 13 x 1 1/2", Spcl

BOLT hex serrated flange, 1/2" NC x 1-1/2"

5шт.

5

413-840

BOLT,Hex, 1/2" - 13 x 2-1/2", Gr 5

hex, 1/2" NC x 2-1/2"

4шт.

6

495-81164

WASHER,0.53" ID x 1.75" OD x 0.18" Thk

flat, 17/32" x 1-3/4" x 11/64"

12шт.

7

231-4118

LOCK NUT,1/2"-13, GB

hex, self-locking, 1/2" NC

4шт.

8

R29799

SHOCK ABSORBER

INSULATOR rubber

4шт.

9

1541732C2

SUPPORT ASSY.

isomount auxiliary pump

2шт.

10

413-624

BOLT,Hex, 3/8" - 16 x 1-1/2", Gr 5

6шт.

11

495-81135

WASHER,10.31mm ID x 25.4mm OD x 3.4mm Thk

12шт.

12

492-11038

LOCK WASHER,3/8"

6шт.

13

425-106

NUT,3/8"-16, Cl 5

6шт.

14

1541737C1

SUPPORT

lower isomount

1шт.

15

413-824

BOLT,Hex, 1/2" - 13 x 1-1/2", Gr 5

3шт.

16

496-21053

WASHER,17/32" x 1 1/16" x .134"

Hardened

3шт.

17

231-5148

FLANGE NUT,Flg, USR, 1/2"-13

3шт.

18

1541736C1

SUPPORT

upper isomount

1шт.

See parts list Figure 8-22 for auxiliary pump drive

1шт.

Выбрано товаров: 0