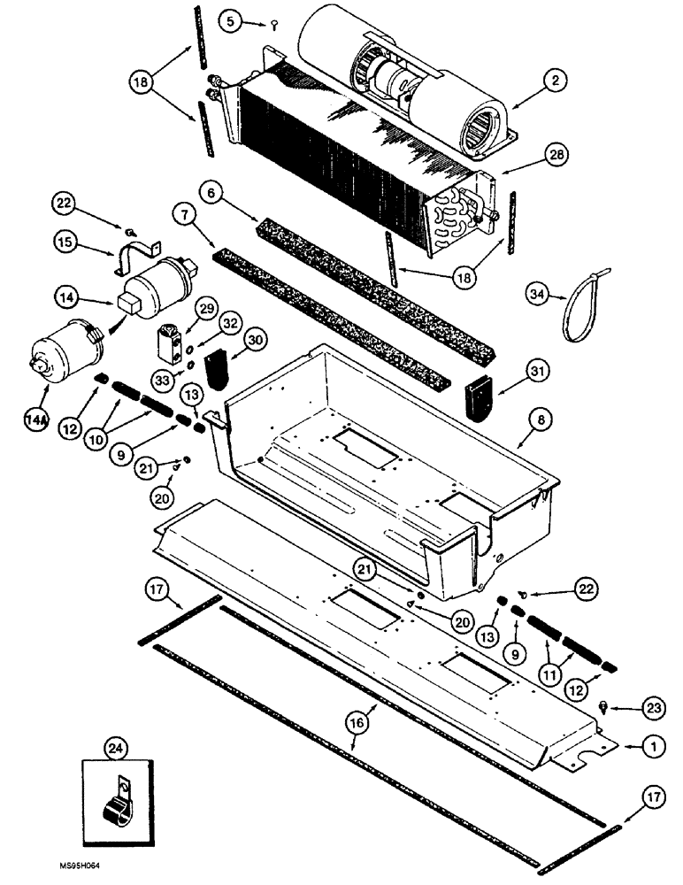
Запчасти Case IH 1644 (9G-36) - CAB, EVAPORATOR HEATER CORE AND BLOWER MOUNTING (10) - CAB & AIR CONDITIONING

Схема запчастей Case IH 1644 - (9G-36) - CAB, EVAPORATOR HEATER CORE AND BLOWER MOUNTING (10) - CAB & AIR CONDITIONING
5
31
20
34
10
2
17
8
32
6
9
23
22
14a
33
30
7
11
29
12
12
16
18
20
14
9
13
15
13
28
18
22
21
21
24
1
17
FIT
1:1
100%

Артикул

Название

Примечание

Количество

1

1276238C1

SUPPORT

mounting blower box

1шт.

2

1255878C91

BLOWER ASSY.

cab pressurizer, see Figure 9G-38

1шт.

5

104033C2

SELF-TAP SCREW,Truss HD, #10 - 16 x 3/4"

self-tapping, truss head No. 10-16 x 3/4 inch

6шт.

6

84123C1

STRIP

SEAL, 29-1/2 inch (750 mm) long

1шт.

7

84124C1

STRIP

SEAL, 28-1/2 inch (725 mm) long, cut from 1974883CX bulk seal

1шт.

8

135776C2

HOUSING

blower core

1шт.

9

1250522C3

FITTING

straight, special drain, Serial Range: hose-housing

2шт.

10

1276252C1

HOSE ASSY.

94 inch (2388 mm) long, condensate left-hand, cut from 198091C1 bulk hose

1шт.

11

1327566C1

HOSE,12.95 mm ID x 3404.00 mm

134 inch (3404 mm) long, condensate right-hand, cut from 198091C1 bulk hose

1шт.

12

109239C2

CHECK VALVE

2шт.

13

195806C1

GROMMET

condensate hose, 3/4 inch ID

4шт.

14

143469C2

RESERVOIR

RECEIVER-DRIER air conditioning system, replaced by 1990758C2 Ref. 14A

1шт.

14a

1990758C2

RECEIVER-DRYER

air conditioning system, replaces 143469C2 Ref. 14

1шт.

15

1250439C1

CLAMP

receiver-drier

1шт.

16

1327504C1

SEAL

50 inch (1270 mm) long, cut for 187874C1 bulk seal support and headliner, cut from 187874C1

2шт.

17

1301250C1

SEAL

foam, adhesive-backed, 10 inch (254 mm) long, cut from 187874C1 bulk seal support and headliner

2шт.

18

1327503C1

SEAL

6-1/2 inch (165 mm) long, core to housing, cut from 187874C1

4шт.

20

143309C1

SELF-TAP SCREW,Cross Pan Hd, #10 - 16 x 1/2"

self-tapping, pan Phillips head No. 10-16 x 1/2 inch

4шт.

21

395-31022

WASHER,#10

flat, 7/32 x 1/2 x 1/16 inch

4шт.

22

104033C2

SELF-TAP SCREW,Truss HD, #10 - 16 x 3/4"

self-tapping, truss head No. 10-16 x 3/4 inch

12шт.

23

111618C2

SELF-TAP SCREW,Hex Flng, 1/4" - 14 x 1"

self-tapping, hex washer head, 1/4 NC x 1 inch

4шт.

24

362126R1

CLIP

CLAMP right-hand condensate hose

3шт.

1974632C3

EVAPORATOR

CORE ASSEMBLY heater and evaporator, replaces 1974632C2, Includes: Ref. 28 - 33

1шт.

28

NSS

NOT SOLD SEPARAT

CORE evaporator

1шт.

29

1990756C1

VALVE

expansion, replaces 98370C3

1шт.

30

1250463C2

GROMMET

rubber evaporator tubes

2шт.

31

1250464C2

GROMMET

rubber heater tubes

1шт.

32

238-5015

O-RING,0.07" Thk x 0.551" ID, -15, Cl 5, 75 Duro

1шт.

33

238-5013

O-RING,0.07" Thk x 0.426" ID, -13, Cl 5, 75 Duro

1шт.

34

306132C1

CABLE TIE,14.5" L

CABLE STRAP tie, 14 inch

3шт.

198091C1

HOSE,12.95mm ID x 15240mm L

bulk, 1/2 (13 mm) ID x 600 inch (15240 mm) long

1шт.

187874C1

GASKET

SEAL bulk, adhesive backed, 1/8 (3 mm) x 3/8 (10 mm) x 600 inch (15240 mm) long

1шт.

1974883CX

SEAL

bulk, adhesive-backed, 1/2 (13 mm) x 1-1/2 (38 mm) x 600 inch (15240 mm) long

1шт.

Выбрано товаров: 33