Запчасти Case IH 1644 (9G-43A) - HEATER AND AIR CONDITIONING, CAB CONNECTIONS, P.I.N. (10) - CAB & AIR CONDITIONING

Схема запчастей Case IH 1644 - (9G-43A) - HEATER AND AIR CONDITIONING, CAB CONNECTIONS, P.I.N. (10) - CAB & AIR CONDITIONING
24
16
12
4
25
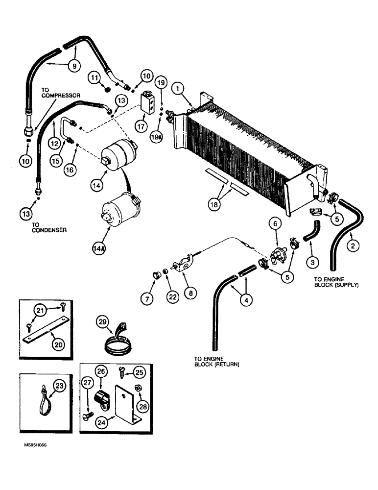
1
17
23
8
14
15
29
5
13
28
2
27
10
13
22
3
21
6
20
5
19
11
19a
14a
9
10
7
26
18
FIT
1:1
100%

Артикул

Название

Примечание

Количество

1

1974632C3

EVAPORATOR

CORE ASSEMBLY heater and evaporator, replaces 1974632C2 core, Includes: Ref. 21, 23 and 23A, see Figure 9G-36

1шт.

2

1327782C2

LARGE HOSE,15.50 mm ID x 3302.00 mm

HOSE,LARGE Cut from 97252CX bulk hose, Heater to chassis junction

1шт.

3

1321290C2

HEATER HOSE,15.50 mm ID x 127.00 mm

Cut from 97252CX bulk hose, Heater to Valve, Return

1шт.

4

1327781C2

HOSE,15.50 mm ID x 2921.00 mm

Cut from 97252CX bulk hose, Heater to valve to chassis

1шт.

5

1954736C1

HOSE CLAMP,#24

Retaining

4шт.

6

1331087C1

HEATER VALVE

control heater

1шт.

7

111282C1

KNOB

KNOB control heater

1шт.

8

123855A1

CONTROL

CABLE heater valve control

1шт.

9

1276164C1

HOSE

ASSEMBLY, 106 inch (2700 mm) long evaporator discharge, Includes: Ref. 10 and 11

1шт.

10

238-5015

O-RING,0.07" Thk x 0.551" ID, -15, Cl 5, 75 Duro

2шт.

11

222-981

TUBE NUT,Cap, 3/8"-24, 45 Degree Fl

hex, 7/16-20 inch female, 45 degree flare seal

1шт.

12

1276163C2

HOSE

118 inch (3000 mm) long, drier to cab, Includes: Ref. 13

1шт.

13

238-5011

O-RING,0.07" Thk x 0.301" ID, -11, Cl 5, 75 Duro

2шт.

14

143469C2

RESERVOIR

RECEIVER-DRIER air conditioning system, replaced by 1990758C2 Ref. 14A

1шт.

14a

1990758C2

RECEIVER-DRYER

air conditioning, replaces 143469C2 Ref 14, see Figure 9G-36

1шт.

15

1250438C1

TUBE ASSY.

receiver-drier, Includes: Ref. 16

1шт.

16

238-5011

O-RING,0.07" Thk x 0.301" ID, -11, Cl 5, 75 Duro

2шт.

17

1990756C1

VALVE

expansion, replaces 98370C3 valve

1шт.

18

83822C1

TAPE

insulation, 24 inch (610 mm) long, cut from 1954475C1 bulk tape

1шт.

19

238-5015

O-RING,0.07" Thk x 0.551" ID, -15, Cl 5, 75 Duro

1шт.

19a

238-5013

O-RING,0.07" Thk x 0.426" ID, -13, Cl 5, 75 Duro

1шт.

20

1321363C2

STRAP

retaining hose

4шт.

21

1327506C1

SELF-TAP SCREW,Cross Pan Hd, M4.8 x 19mm, Coated

4шт.

22

109311H

JAM NUT

hex, jam, 7/16 inch NF

1шт.

23

306132C1

CABLE TIE,14.5" L

CABLE STRAP tie, 14 inch

1шт.

24

98158C1

BRACKET

heater valve support

1шт.

25

1327506C1

SELF-TAP SCREW,Cross Pan Hd, M4.8 x 19mm, Coated

2шт.

26

27291R1

CLAMP

P-type, 1 inch ID hose retaining

1шт.

27

116494C1

SCREW,Sl Serr Truss Hd, 3/8" - 16 x 1/2"

1шт.

28

231-5146

FLANGE NUT,3/8"-16

1шт.

29

87435C1

MOLDING,0.19mm Grip, 76.2mm OAL

TRIM edge, 3 inch (76 mm) long, cut from 1330108CX bulk trim, heater and air conditioning hose

2шт.

1330108CX

SEAL,304.8mm L

TRIM edge, bulk, 600 inch (15240 mm) long

1шт.

97252CX

HOSE

bulk, 5/8 (16 mm) x 1 (25 mm) x 600 (15240 mm) long

1шт.

1954475C1

ROLL

TAPE bulk, 2-1/2 (63.5 mm) wide x 360 (9150 mm) long x 1/8 inch (3 mm) thick

1шт.

Выбрано товаров: 34