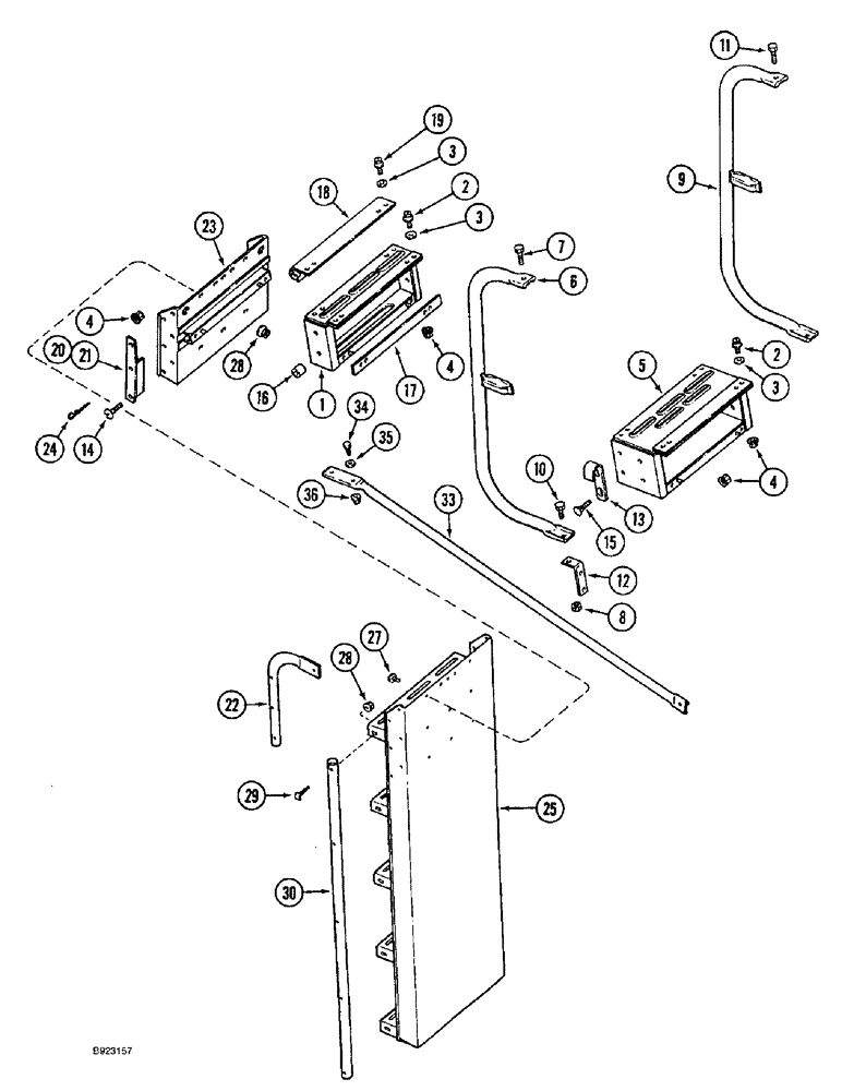
Запчасти Case IH 1644 (9H-16) - FIXED LADDER AND LADDER EXTENSION (12) - CHASSIS

Схема запчастей Case IH 1644 - (9H-16) - FIXED LADDER AND LADDER EXTENSION (12) - CHASSIS
19
25
6
24
27
16
3
2
15
9
34
4
33
30
4
7
35
29
22
3
23
4
1
5
12
3
36
2
14
8
10
13
28
28
18
21
17
11
20
FIT
1:1
100%

Артикул

Название

Примечание

Количество

1

198478C1

SUPPORT

operators platform extension

1шт.

2

409-7612

BOLT,3/8"-16 x 1.09" OAL

1шт.

3

495-81140

WASHER,13/32" x 1 1/4" x .060"

1шт.

4

231-5146

FLANGE NUT,3/8"-16

1шт.

5

198482C2

SUPPORT ASSY.

operators platform extension

1шт.

5

1345017C1

SUPPORT

operators ladder 10-1/2 inch

1шт.

5

1979515C1

SUPPORT

platform extension 14 inch

1шт.

5

184398C1

SUPPORT ASSY.

platform extension for dual wheel and extra wide axle

1шт.

6

196625C1

RAIL

hand, front short extension for use with 17.5 inch and longer extension, for use with axle extension

1шт.

7

326-632

BOLT,Hex, 3/8" - 16 x 2", Gr 8

1шт.

8

231-4116

NUT,3/8"-16, GB

hex, self locking 3/8 inch NC

1шт.

9

196633C2

GRAB RAIL

hand, rear short extension for use with 14 inch and shorter extension, for use with axle extension

1шт.

9

184452C1

RAIL

hand, rear

2шт.

9

196634C2

GRAB RAIL

hand, rear long extension

1шт.

9

196626C1

RAIL

hand, front long extension dual wheel only

2шт.

9

196625C1

RAIL

hand, front short extension extra wide axle

2шт.

10

426-616

BOLT,Hex, 3/8" - 16 x 1", Gr 8

1шт.

11

426-636

BOLT,Hex, 3/8" - 16 x 2-1/4", Gr 8

BOLT hex 3/8 NC x 2-1/4 inch, grade 8

1шт.

12

196846C2

ANGLE

SUPPORT hand rail extension for use with 10-1/2 and 14 inch extension, for use with axle extension

1шт.

13

196977C2

SUPPORT

hand rail extension hook for use with 10-1/2 and 14 inch extension, for use with axle extension

2шт.

14

477-73812

SERRATED SCREW,Truss HD, 3/8" - 16 x 3/4"

slotted truss head, special 3/8 NC x 3/4 inch

1шт.

15

411-632

CARRIAGE BOLT,Sq Nk, 3/8" - 16 x 2", Gr 2

BOLT carriage 3/8 NC x 2 inch, grade 2

1шт.

16

645342C1

SPACER,10.34mm ID x 15.87mm OD x 25.4mm L

3/8 ID x 1 inch

1шт.

17

187712C1

SHIM

platform extension .053 inch thick

1шт.

18

196832C1

SUPPORT

ladder attaching

1шт.

19

409-7616

BOLT,Hex Flg, 3/8" - 16 x 1", Spcl

2шт.

20

196836C1

SUPPORT

ladder side, left hand

1шт.

21

196837C1

SUPPORT

ladder side, right hand

1шт.

22

1317397C1

ROD

HANDRAIL ladder support, upper

2шт.

23

1318804C2

SUPPORT

ladder, upper

1шт.

24

1978738C1

HAIR PIN COTTER

2шт.

25

1317520C91

LADDER

pivoting

1шт.

27

256873

BOLT,Hex Serr, 5/16" - 18 x 1/2", 5SPL, Full Thd

3шт.

28

231-5145

SERRATED NUT,Flg, USR, 5/16"-18

13шт.

29

196955C1

BOLT,Curved Hd, 5/16" - 18 x 1.50", Cl 5

curved head 5/16 NC x 1-1/2 inch

10шт.

30

1318785C1

TUBE,26.8 mm ID, 28.58 mm OD

HANDRAIL ladder support, lower

2шт.

33

184395C1

STEM

SUPPORT ladder platform extension

1шт.

34

409-7820

BOLT,Hex Flg, 1/2" - 13 x 1 1/4", Spcl

2шт.

35

495-91167

WASHER,13.49mm ID x 50.8mm OD x 3.4mm Thk

flat 17/32 x 2 x 7/64 inch

3шт.

36

231-5148

FLANGE NUT,Flg, USR, 1/2"-13

2шт.

Выбрано товаров: 40