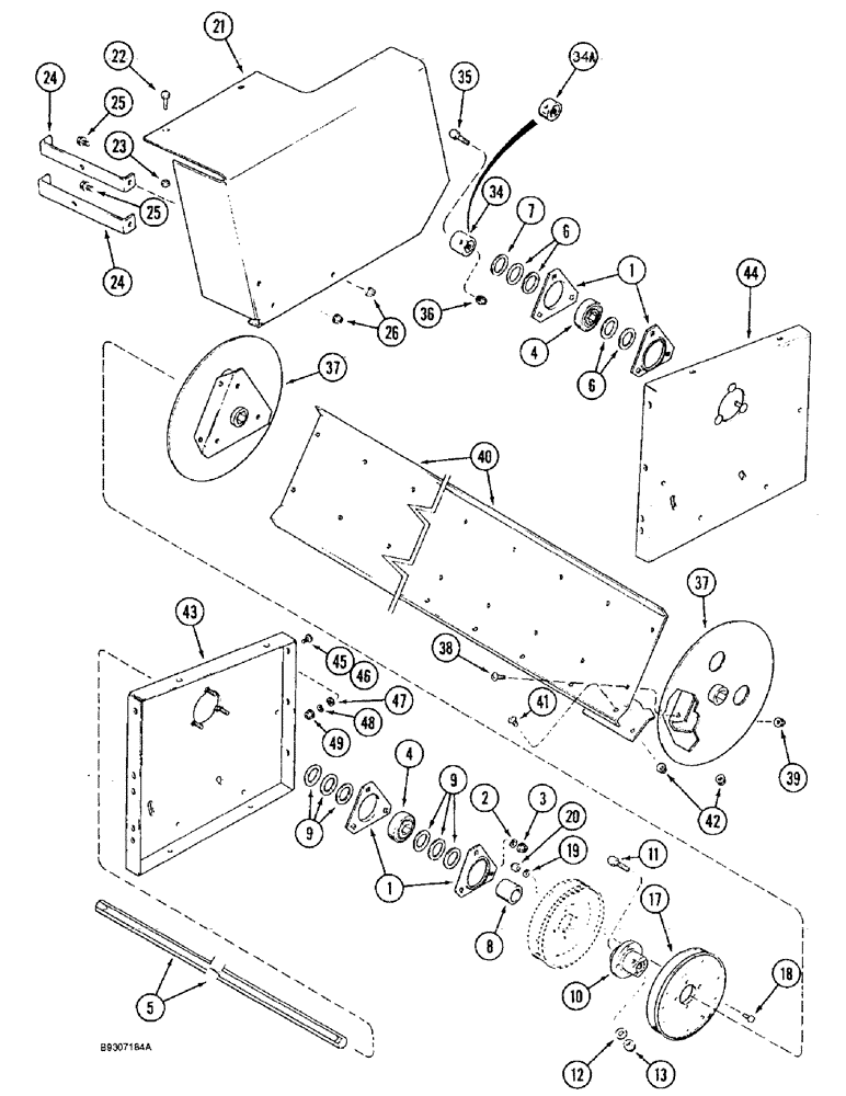
Запчасти Case IH 1644 (9C-02) - DISCHARGE BEATER (15) - BEATER & CLEANING FANS

Схема запчастей Case IH 1644 - (9C-02) - DISCHARGE BEATER (15) - BEATER & CLEANING FANS
34a
37
38
1
24
6
21
40
9
45
7
6
11
4
4
19
1
41
23
25
44
17
18
47
9
12
13
3
35
10
25
48
46
22
39
34
43
2
49
42
26
36
37
24
5
20
8
FIT
1:1
100%

Артикул

Название

Примечание

Количество

1

180955C1

FLANGED BEARING,0.375"

bearing

4шт.

2

492-11038

LOCK WASHER,3/8"

6шт.

3

425-106

NUT,3/8"-16, Cl 5

6шт.

4

156816C91

BEARING HOUSING,28.6mm Hex x 72mm OD x 25mm W

ball, discharge beater

2шт.

5

1302175C2

SHAFT

discharge beater replaces 1302175C1

1шт.

6

495-81211

WASHER,34.14mm ID x 50.8mm OD x 3.4mm Thk

flat, 1-11/32 x 2 x 7/64 inch

4шт.

7

495-81210

WASHER,34.14mm ID x 50.8mm OD x 1.7mm Thk

flat, 1-11/32 x 2 x 3/64 inch

1шт.

8

632147R1

SPACER

1-5/8 O.D. x 1-5/8 inch long beater driven pulley

1шт.

9

495-81211

WASHER,34.14mm ID x 50.8mm OD x 3.4mm Thk

flat, 1-11/32 x 2 x 7/64 inch

3шт.

10

1319402C1

HUB

beater drive pulley

1шт.

11

326-840

BOLT,Hex, 1/2" - 13 x 2-1/2", Gr 8

1шт.

12

396-21053

WASHER,17/32" x 1 1/16" x .134"

Hardened

1шт.

13

232-4118

NUT,1/2"-13, GC

1шт.

17

195161C1

PULLEY

drive, 8-3/8 inch O.D. beater drive

1шт.

18

413-516

BOLT,Hex, 5/16" - 18 x 1", Gr 5

4шт.

19

492-11031

LOCK WASHER,5/16"

8шт.

20

425-105

NUT,5/16"-18, G5

4шт.

21

195113C1

SUPPORT

beater drive

1шт.

22

154273C1

BOLT,Hex Serr, 3/8" - 16 x 1", Spcl

BOLT hex, self locking, special, 3/8 NC x 1 inch

2шт.

23

231-5146

FLANGE NUT,3/8"-16

4шт.

24

194760C1

SUPPORT

BRACKET beater drive shield

2шт.

25

409-7612

BOLT,3/8"-16 x 1.09" OAL

4шт.

26

231-5146

FLANGE NUT,3/8"-16

4шт.

34

1302104C1

HUB

beater, fixed 35 mm

1шт.

34a

117051A1

HUB

beater, fixed 20.3 mm

1шт.

35

413-636

BOLT,Hex, 3/8" - 16 x 2-1/4", Gr 5

1шт.

36

231-4116

NUT,3/8"-16, GB

hex, self locking, 3/8 inch NC

1шт.

37

1319266C1

HUB

beater

2шт.

38

477-73812

SERRATED SCREW,Truss HD, 3/8" - 16 x 3/4"

slotted truss head, special, 3/8 NC x 3/4 inch

12шт.

39

231-5146

FLANGE NUT,3/8"-16

12шт.

40

1319269C1

SUPPORT

BLADE beater

3шт.

41

477-73812

SERRATED SCREW,Truss HD, 3/8" - 16 x 3/4"

slotted truss head, special, 3/8 NC x 3/4 inch

15шт.

42

231-5146

FLANGE NUT,3/8"-16

15шт.

43

181092C2

SUPPORT ASSY.

beater, left hand

1шт.

44

181093C2

SUPPORT

beater, right hand

1шт.

45

413-616

BOLT,Hex, 3/8" - 16 x 1", Gr 5

13шт.

46

413-620

BOLT,Hex, 3/8" - 16 x 1-1/4", Gr 5

3шт.

47

495-11041

WASHER,0.406" ID x 0.812" OD x 0.065" W

Flat, (13/32 x 13/16 x 1/16")

16шт.

48

492-11038

LOCK WASHER,3/8"

16шт.

49

425-106

NUT,3/8"-16, Cl 5

16шт.

Выбрано товаров: 40