Запчасти Case IH 1644 (6-18) - HYDROSTATIC PUMP, CONTROL VALVE, CHARGE PUMP (03) - POWER TRAIN

Схема запчастей Case IH 1644 - (6-18) - HYDROSTATIC PUMP, CONTROL VALVE, CHARGE PUMP (03) - POWER TRAIN
14
6
12
7
26
29
24
22
2
9
1
32
5
2
4
30
8
3
3
31
28
10
21
15
27
13
11
23
FIT
1:1
100%

Артикул

Название

Примечание

Количество

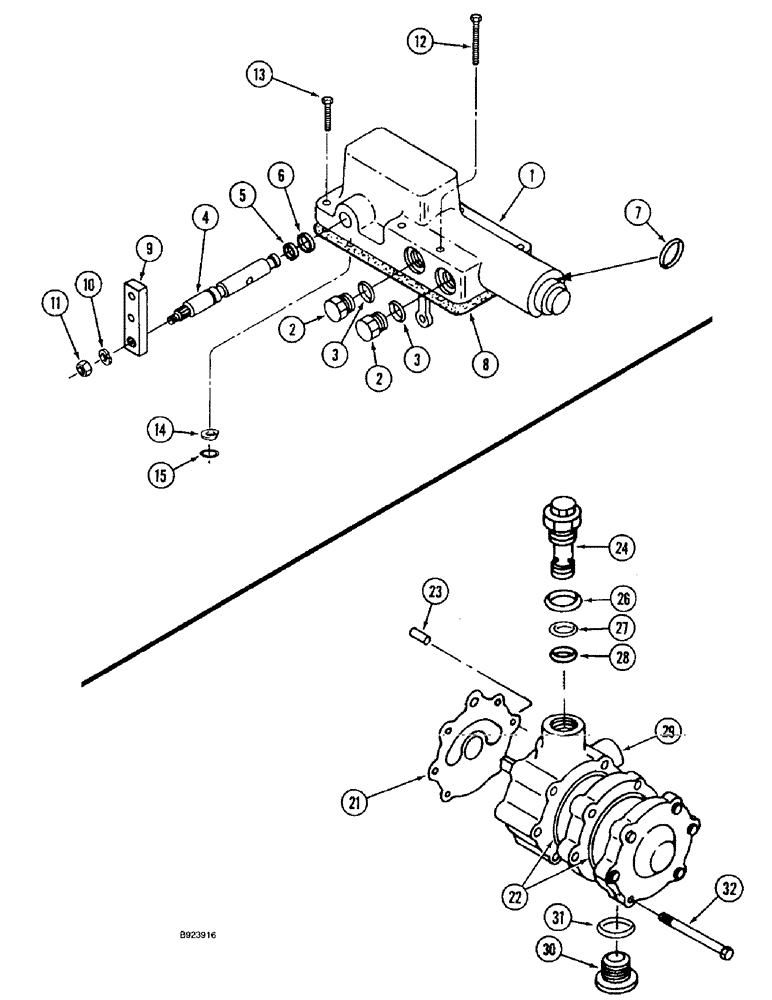
133755C94

VALVE

ASSY., control pump, control valve, Includes: Ref. 1 - 15

1шт.

1

NSS

NOT SOLD SEPARAT

BODY, valve, order 133755C94, control valve

1шт.

2

9625178

PLUG,9/16" - 18 ORB

Control valve

2шт.

3

237-6006

O-RING,0.078" Thk x 0.468" ID, -906, Cl 6, 90 Duro

Control valve

2шт.

4

1978048C1

SHAFT

ASSY., control valve, Includes: Ref. 5

1шт.

5

238-5012

O-RING,0.07" Thk x 0.364" ID, -12, Cl 5, 75 Duro

Control valve

1шт.

6

1267111C1

RING,11.18mm ID x 12.7mm OD x 1.78mm Thk

1шт.

7

80269C1

O-RING KIT

1шт.

8

133756C1

GASKET

control valve

1шт.

9

404782R2

PLATE

shaft, control valve

1шт.

10

493-11033

LOCK WASHER,Ext-Int Tooth, 5/16"

Control valve

1шт.

11

425-145

JAM NUT,Jam, 5/16"-18, G5

Control valve

1шт.

12

326-528

BOLT,Hex, 5/16" - 18 x 1-3/4", Gr 8

Control valve

2шт.

13

413-516

BOLT,Hex, 5/16" - 18 x 1", Gr 5

Control valve

4шт.

14

1346021C1

ORIFICE

control valve

1шт.

15

238-5012

O-RING,0.07" Thk x 0.364" ID, -12, Cl 5, 75 Duro

Control valve

1шт.

133761C91

PUMP

ASSY., charge, Includes: Ref. 21 - 29

1шт.

21

133760C2

GASKET

charge pump

1шт.

22

238-5041

O-RING,0.07" Thk x 2.989" ID, -41, Cl 5, 75 Duro

Charge pump

2шт.

23

140754C1

PIN

dowel, 5/16 x 5/8 in., charge pump

2шт.

24

140771C1

VALVE

relief, low pressure, charge pump

1шт.

26

237-6014

O-RING,0.116" Thk x 1.048" ID, -914, Cl 6, 90 Duro

Charge pump

1шт.

27

238-6117

O-RING,0.103" Thk x 0.799" ID, -117, Cl 6, 90 Duro

Charge pump

1шт.

28

237-6008

O-RING,0.087" Thk x 0.644" ID, -908, Cl 6, 90 Duro

Charge pump

1шт.

29

NSS

NOT SOLD SEPARAT

BODY pump, order 133761C91, charge pump

1шт.

30

9672438

PLUG,7/16" - 20 ORB

Charge pump, Incl. Ref. 31

1шт.

31

237-6004

O-RING,0.072" Thk x 0.351" ID, -904, Cl 6, 90 Duro

Charge pump

1шт.

32

413-556

BOLT,Hex, 5/16" - 18 x 3-1/2", Gr 5

BOLT hex, 5/16 NC x 3-1/2 in., charge pump

4шт.

Выбрано товаров: 28