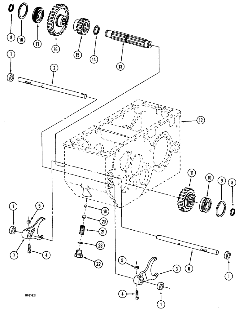
Запчасти Case IH 1644 (6-30) - TRANSMISSION MAIN SHAFT, PRIOR TO P.I.N. JJC0098060 (03) - POWER TRAIN

Схема запчастей Case IH 1644 - (6-30) - TRANSMISSION MAIN SHAFT, PRIOR TO P.I.N. JJC0098060 (03) - POWER TRAIN
16
21
6
18
22
1
5
8
12
5
11
15
17
2
1
4
20
14
8
19
7
3
4
23
1
1
9
10
13
FIT
1:1
100%

Артикул

Название

Примечание

Количество

1

G10450

OIL SEAL,19.05mm ID x 31.85mm OD x 6.35mm Thk

oil, shifter rail

4шт.

2

121796C2

RAIL

second gear shifter

1шт.

3

574904R1

FORK

second and reverse gear shifter

1шт.

4

573985R1

SET SCREW,Sq Hd, 3/8"-24 x 1"

set, 3/8 NF x 1 in.

2шт.

5

25-156

JAM NUT,Jam, 3/8"-24, G5

hex, jam, 3/8 in. NF

2шт.

6

63893C2

RAIL

first and third gear shifter

1шт.

7

395656R1

FORK

first and third gear shifter

1шт.

8

370504R1

RING

snap, retaining, transmission main shaft, 1-1/16 in. ID

2шт.

9

ST421

SNAP RING,1.65mm Thk, Ext

snap, transmission main shaft, 2-21/64 in. ID

1шт.

10

379475R91

BEARING, ROLLER, CYL,30mm ID x 62.03mm OD x 16mm W

straight roller, transmission main shaft, right, 2-7/16 in. OD

1шт.

11

402841R1

GEAR

drive, 26 teeth, second speed

1шт.

12

184079C1

CASE

HOUSING transmission, see Figure 6-36

1шт.

13

1276989C4

SHAFT

main, transmission

1шт.

14

A21619

CIRCLIP

RING snap, transmission main shaft, bearing, 1-17/64 in, ID

1шт.

15

395649R1

GEAR

drive, first speed, 18 teeth

1шт.

16

379495R1

GEAR

input drive, 44 teeth

1шт.

17

ST364

BALL BEARING,30mm ID x 62mm OD x 16mm W

ball, transmission main shaft, left, 2-7/16 in.

1шт.

18

404207R1

RING,61.6mm ID x 68.4mm OD x 2.54mm Thk

square, seal, transmission case

1шт.

19

211-1014

BALL,7/16" Dia

steel, chrome alloy, shift detent, 7/16 in., grade 24

2шт.

20

211-1016

BALL,12.7mm OD, Gr 24

Chrome alloy steel, grade 24, Shift detent

2шт.

21

64600C1

SPRING

ball, shifter detent

2шт.

22

76349

PLUG,9/16" - 18 ORB

Incl. Ref. 23

2шт.

23

237-6006

O-RING,0.078" Thk x 0.468" ID, -906, Cl 6, 90 Duro

1шт.

Выбрано товаров: 23