Запчасти Case IH 1644 (5-24) - AXLE HYDRAULIC MOTOR SYSTEM, POWER GUIDE AXLE (04) - STEERING

Схема запчастей Case IH 1644 - (5-24) - AXLE HYDRAULIC MOTOR SYSTEM, POWER GUIDE AXLE (04) - STEERING
3
1
21
3
14
25
7
4
14
3
9
1
23
9
10
24
6
3
2
4
11
18
6
23
19
12
3
20
22
7
7
FIT
1:1
100%

Артикул

Название

Примечание

Количество

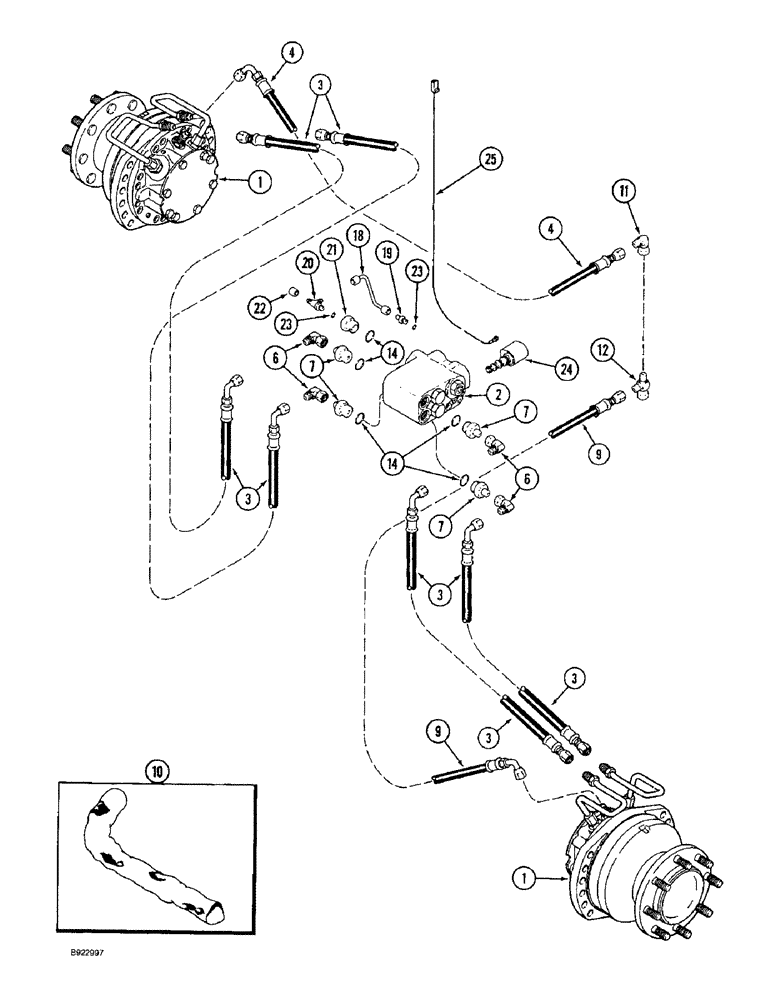
1

1970137C2

MOTOR, HYDRAULIC

ASSEMBLY drive, wheel corn and grain, parts list Figure 5-42, Serial Range: -JJC0097825

2шт.

Motors do not include pressure tubes as shown in the illustration. See Figure 5-32 for pressure tubes.

1шт.

1

121436A1

MOTOR, HYDRAULIC

ASSEMBLY drive, wheel corn and grain, parts list Figure 5-42, Start Serial: JJC0097825

2шт.

87300716R

REMAN-HYDROSTAT MOTO

1644 - CASE IH AXIAL-FLOW COMBINE - 1/93-12/94, Reman For New P/N's 1970137C2, 121436A1 &87300716

2шт.

87300716C

CORE-HYDROSTAT MOTOR

Return Number

1шт.

Motors do not include pressure tubes as shown in the illustration. See Figure 5-32 for pressure tubes.

1шт.

2

1978000C1

VALVE

ASSEMBLY selector parts list Figure 5-40

1шт.

3

1970387C1

HOSE

57 inch (1448 mm) long, pressure, motor drain

4шт.

4

1970388C1

HOSE

67 inch (1702 mm) long, pressure, motor drain

1шт.

6

218-5230

ELBOW,90 Degree, 3/4"-16, 37 Degree x 3/4"-16, 37 Degree Fem Sw

4шт.

7

218-5070

HYD CONNECTOR,3/4" - 16 Male JIC x 1-1/16" - 12 Male ORB

ADAPTER straight, 3/4 - 16 flare x 1-1/16-12 inch O-ring boss

4шт.

9

1970389C1

HOSE

61 inch (1549 mm) long, motor drain

1шт.

10

1970108C1

PROTECTIVE COVER

SLEEVE nylon, 2-3/8 (60) ID x 48 inch (1219 mm) long

2шт.

11

218-5230

ELBOW,90 Degree, 3/4"-16, 37 Degree x 3/4"-16, 37 Degree Fem Sw

1шт.

12

218-845

TEE,37 Degree, 3/4"-16 x 3/4"-16, Fem Sw Run

1шт.

14

237-6012

O-RING,0.116" Thk x 0.924" ID, -912, Cl 6, 90 Duro

5шт.

18

1970140C1

TUBE,4.78 mm ID

pressure, charge

1шт.

19

218-5053

HYD CONNECTOR,7/16" - 20 JIC x 7/16" - 20 ORB

ADAPTER

1шт.

20

218-5289

TEE,7/16" - 20 Male JIC x 7/16" - 20 Male JIC x 7/16" - 20 Male ORB

TEE 7/16 - 20 inch flare branch x flare x adj O-ring boss

1шт.

21

1970176C1

PLUG

hex, special hydraulic

1шт.

22

218-752

CAP,37 Degree, 7/16"-20

Hex

1шт.

23

237-6004

O-RING,0.072" Thk x 0.351" ID, -904, Cl 6, 90 Duro

2шт.

24

REF

INSTRUCTION

SOLENOID ASSEMBLY spool, charge pressure, parts list page 5-41

1шт.

25

1964572C2

WIRE HARNESS

power solenoid

1шт.

Выбрано товаров: 24