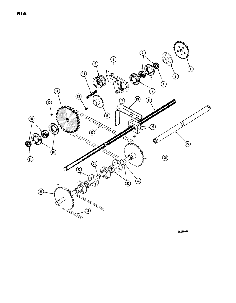
Запчасти Case IH 1660 (051A) - MAIN HEADER DRIVE JACKSHAFT, 20 FT. HEADER (58) - ATTACHMENTS/HEADERS

Схема запчастей Case IH 1660 - (051A) - MAIN HEADER DRIVE JACKSHAFT, 20 FT. HEADER (58) - ATTACHMENTS/HEADERS
25
23
26
9
22
17
3
13
1
8
2
25
20
4
15
21
19
13
14
12
7
10
16
6
5
24
18
11
FIT
1:1
100%

Артикул

Название

Примечание

Количество

1

F5530

SPROCKET - (30T) auger drive

1шт.

14-620

BOLT,Hex, 3/8" - 24 x 1-1/4", Gr 5

- 3/8" x 1-1/4" N.F. hex.

5шт.

92-6

LOCK WASHER,3/8"

5шт.

25-116

NUT,Hex, 3/8"-24, G5

- 3/8" N.F. hex.

5шт.

2

F79868

PLATE and HUB - reel drive jackshaft sprocket

1шт.

83-66

SET SCREW,Hex Soc, 3/8"-16 x 3/8"

SCREW - 3/8" x 3/8" N.C. socket hd. cup pt. set

1шт.

126-29

WOODRUFF KEY,#C, 5/16" x 1 1/8"

1шт.

3

2419CHA

SPHERICAL BEARING,31.75mm ID x 62mm OD x 18mm W

BEARING - jackshaft, R. H.

1шт.

4

F62226

COLLAR

1шт.

5

F62225

FLANGE

2шт.

14-624

BOLT,Hex, 3/8" - 24 x 1-1/2", Gr 5

- 3/8" x 1-1/2" N.F. hex.

2шт.

95-6

WASHER,3/8"

- U.S. std. flat 3/8"

3шт.

25-116

NUT,Hex, 3/8"-24, G5

- 3/8" N.F. hex.

3шт.

11-616

CARRIAGE BOLT,Short NK, 3/8"-16 x 1", G2

BOLT, CARRIAGE, Short NK, 3/8"-16 x 1", G2

1шт.

92-6

LOCK WASHER,3/8"

2шт.

25-106

NUT,3/8"-16, G5

- 3/8" N.C. hex.

1шт.

6

F30044

JACKSHAFT - main header drive (88-13/16" long)

1шт.

A28253

RING

SNAP RING - for F30044

1шт.

7

O736N

SPACER - (3/8" x 9/32" long) tightener strap

1шт.

8

F13514

ARM - tightener

1шт.

9

O3511CS

PULLEY

- tightener

1шт.

14-832

BOLT,Hex, 1/2" - 20 x 2", Gr 5

- 1/2" x 2" N.F. hex

1шт.

92-8

LOCK WASHER,1/2"

1шт.

25-118

NUT,1/2"-20, G5

- 1/2" N.F. hex.

1шт.

10

O4522B

SPRING

- tightener strap

1шт.

11

F87356

SPROCKET - (26T) drives reel drive jackshaft (Before #8366851)

1шт.

F98027

SPROCKET - drives reel drive jackshaft (#8366851 and after)

1шт.

83-66

SET SCREW,Hex Soc, 3/8"-16 x 3/8"

SCREW - 3/8" x 3/8" N.C. socket hd. cup pt. set

1шт.

12

126-29

WOODRUFF KEY,#C, 5/16" x 1 1/8"

1шт.

13

F30050

CHAIN - main header drive (NSS - see chain page)

2шт.

14

F77097

SPROCKET - (50T) drives main header jackshaft

1шт.

135-368

PIN, GROOVED

PIN - 5/16" x 1-3/4" Type A-3 driv-loc

1шт.

15

126-29

WOODRUFF KEY,#C, 5/16" x 1 1/8"

1шт.

16

2419CHA

SPHERICAL BEARING,31.75mm ID x 62mm OD x 18mm W

BEARING - jackshaft, L.H.

1шт.

17

F62226

COLLAR

1шт.

18

F62225

FLANGE

2шт.

11-616

CARRIAGE BOLT,Short NK, 3/8"-16 x 1", G2

BOLT, CARRIAGE, Short NK, 3/8"-16 x 1", G2

3шт.

92-6

LOCK WASHER,3/8"

3шт.

25-106

NUT,3/8"-16, G5

- 3/8" N.C. hex.

3шт.

19

F14122

BRACKET - bearing support

1шт.

14-616

BOLT,Hex, 3/8" - 24 x 1", Gr 5

- 3/8" x 1" N.F. hex. and nut (25-116)

1шт.

14-516

BOLT,Hex, 5/16" - 24 x 1", Gr 5, Full Thd

- 5/16" x 1" N.F. hex.; and nut (25-115)

1шт.

20

F4117

BEARING - center, jackshaft

2шт.

14-652

SCREW,Hex, 3/8" - 24 x 3 1/4", Gr 5

BOLT - 3/8" x 3-1/4" N.F. hex.; and nut (25-116)

2шт.

21

F30049

JACKSHAFT - main drive (64-1/2" long)

1шт.

22

F62225

FLANGE

4шт.

11-616

CARRIAGE BOLT,Short NK, 3/8"-16 x 1", G2

BOLT, CARRIAGE, , LW (92-6) nut (25-106) Short NK, 3/8"-16 x 1", G2

6шт.

23

2419CHA

SPHERICAL BEARING,31.75mm ID x 62mm OD x 18mm W

BEARING

2шт.

24

F62226

COLLAR

1шт.

25

F88600

SPROCKET - (34T) for F30049 jackshaft

2шт.

126-29

WOODRUFF KEY,#C, 5/16" x 1 1/8"

2шт.

83-66

SET SCREW,Hex Soc, 3/8"-16 x 3/8"

SCREW - 3/8" x 3/8" N.C. socket hd. cup pt. set

2шт.

26

F30021

SHIELD - jackshaft

1шт.

Выбрано товаров: 53