Запчасти Case IH 1660 (248) - ENGINE OUTPUT SHAFT AND HOUSING (10) - ENGINE

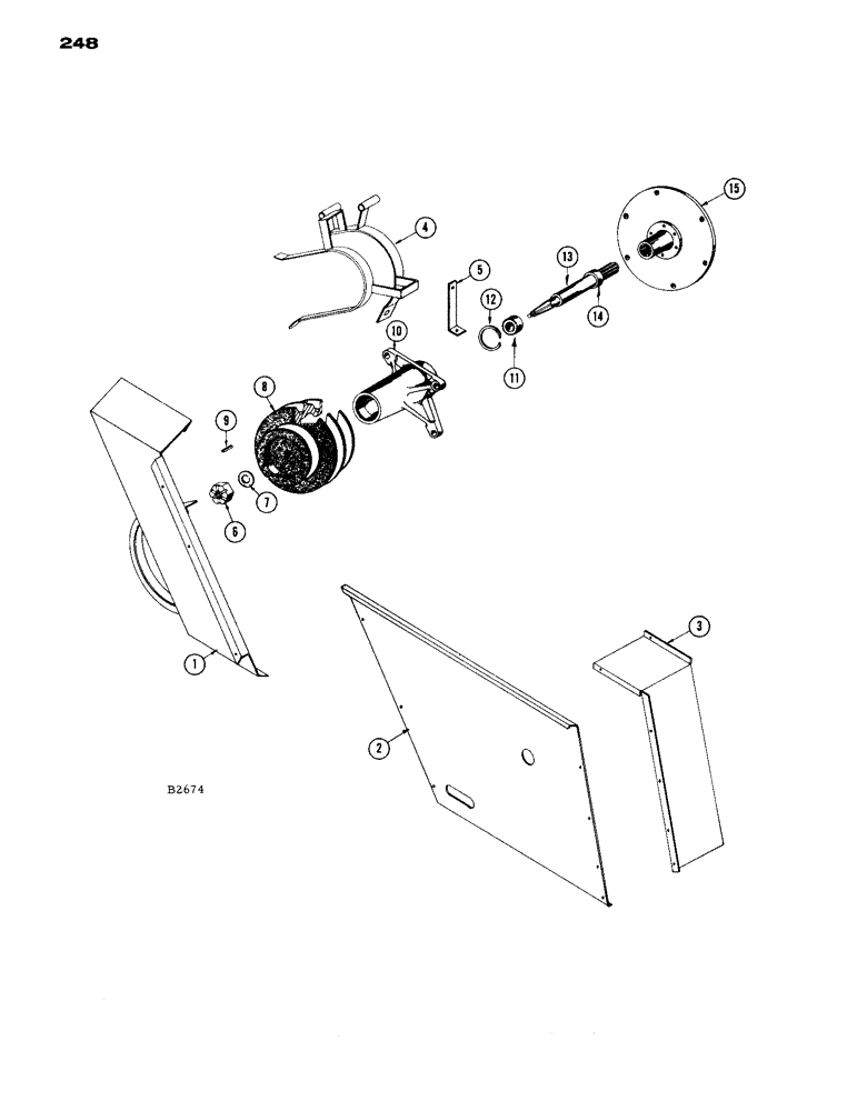
Схема запчастей Case IH 1660 - (248) - ENGINE OUTPUT SHAFT AND HOUSING (10) - ENGINE
9
11
7
8
6
3
5
13
10
1
15
14
2
12
4
FIT
1:1
100%

Артикул

Название

Примечание

Количество

1

F87931

GUIDE - belt, grain bin (replaces F87569)

1шт.

13-510

BOLT,Hex, 5/16" - 18 x 5/8", Gr 5, Full Thd

2шт.

92-5

LOCK WASHER,5/16"

2шт.

2

F14023

SHIELD - engine pulley

1шт.

114-2

BOLT,Hex, 1/4" - 28 x 1/2", Gr 5

- 1/4" x 1/2" N.F. hex.

8шт.

192-19

LOCK WASHER,Helical Spring, 0.256" ID, CST, ZND

WASHER, LOCK, 1/4"

8шт.

129-121

NUT,1/4"-28, G5

8шт.

3

F13957

SHIELD - pulley, rear

1шт.

14-48

BOLT,Hex, 1/4" - 28 x 1/2", Gr 5

2шт.

25-114

NUT,1/4"-28, G5

- 1/4" N.F. hex.

2шт.

92-4

LOCK WASHER,1/4"

WASHER, LOCK, 1/4"

2шт.

4

F87640

GUIDE - belt

1шт.

111-359

BOLT - 3/8" x 6-1/2" rhd. sq. nk. Short NK, 3/8"-16 x 6 1/2", G2

2шт.

192-21

LOCK WASHER,3/8"

WASHER, LOCK, 3/8"

2шт.

129-103

NUT,Hex, 3/8" - 16, Gr 5

NUT, 3/8"-16, G5

2шт.

5

F14019

BRACKET - belt guide

1шт.

111-302

CARRIAGE BOLT,Short NK, 3/8"-16 x 3/4", G2

BOLT - 3/8" x 3/4" rhd. sq. nk.

1шт.

129-103

NUT,Hex, 3/8" - 16, Gr 5

NUT, 3/8"-16, G5

1шт.

118-7

BOLT - 5/16" x 3/4" N.C. plow

1шт.

9635082

NUT,5/16" - 18, Gr 5

1шт.

6

B18305

NUT

- (1" slotted) for shaft

1шт.

7

O2437B

WASHER - (2" O.D. x 1-1/32" I.D. #10 ga.) outer end of shaft

1шт.

8

F87878

SHEAVE

- drive, balanced (Exh. then use F88891)

1шт.

F88891

SHEAVE

- drive, balanced (Replaces F87878 when exh.)

1шт.

O2553CS

WASHER - balancing (18 ga.) Not Shown)

1шт.

O2799CS

WASHER - balancing (12 ga.) Not Shown

1шт.

9

O2767HT

KEY - (1-1/4" straght)

1шт.

10

F1934

HOUSING - engine output shaft

1шт.

13-732

BOLT,Hex, 7/16" - 14 x 2", Gr 5

4шт.

92-7

LOCK WASHER,7/16"

4шт.

11

F8025

BEARING

- engine output shaft

1шт.

12

A27579

RING

SNAP RING

1шт.

13

F12657

SHAFT - engine output

1шт.

14

F12967

SPACER - output shaft

1шт.

15

F86738

DISC - drive

1шт.

13-616

BOLT,Hex, 3/8" - 16 x 1", Gr 5, Full Thd

6шт.

92-6

LOCK WASHER,3/8"

6шт.

132-54

COTTER PIN,1/8" x 1 3/4"

Pin, Split (Cotter), 1/8" x 1 3/4"

1шт.

Выбрано товаров: 38