Запчасти Case IH 1660 (206) - CLUTCH SHAFT AND HOUSING (14) - MAIN GEARBOX & DRIVE

Схема запчастей Case IH 1660 - (206) - CLUTCH SHAFT AND HOUSING (14) - MAIN GEARBOX & DRIVE
12
8
14
7
2
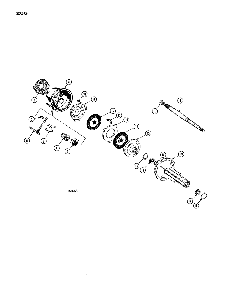
1
13
12
19
16
17
11
5
15
4
10
6
3
9
18
17
16
FIT
1:1
100%

Артикул

Название

Примечание

Количество

1

F13162

SCREW

LOCKNUT - adjusting

1шт.

2

F13587

SHAFT

- input (Replaced by F14812 when stock is exhausted)

1шт.

F14812

SHAFT

- (Replaces F13587)

1шт.

126-47

WOODRUFF KEY,#28, 5/16" x 2 1/8"

1шт.

3

F9784

GASKET

- clutch, Serial Range: housing-case

1шт.

4

F1276

HOUSING - clutch

1шт.

113-301

BOLT (SPREADER)

BOLT - 7/16" x 1-1/4" N.C. hex. Gr. 7 - 8 stl.

7шт.

5

F10139

SNAP RING - clutch release shaft

2шт.

6

F77781

SHAFT - (13-7/16" long) clutch release with lever

1шт.

7

F19660

FORK

YOKE - clutch release

1шт.

114-103

X

BOLT - 5/16" x 1-3/8" N.F. hex. gr. 7 - 8 stl.

2шт.

129-513

NUT - 5/16" N.F. hex.

2шт.

92-5

LOCK WASHER,5/16"

2шт.

8

F86996

CARRIER - bearing assembly (Before #8334601)

1шт.

9

A29979

BEARING, BALL

BEARING - double clutch release (Before #8334601)

1шт.

F88186

CARRIER - bearing assembly (#8334601 and after)

1шт.

F14557

BEARING

- double clutch release (#8334601 and after)

1шт.

10

F13225

SCREW

- cap, clutch mounting

6шт.

92-5

LOCK WASHER,5/16"

6шт.

11

F86995

COVER - clutch assembly

1шт.

12

F88067

DISC - clutch driven (Replaced by F88769 when exhausted)

2шт.

F88769

DISC - clutch driven (Replaces F88067)

2шт.

13

F88697

SPACER - block (set of 3)

1шт.

14

G1149

PLATE - intermediate

1шт.

15

F1975

FLYWHEEL - clutch

1шт.

16

F13160

SNAP RING,#350, 3.716", Int, Spiral

- internal

2шт.

17

F12986

BEARING, BALL

BEARING - input shaft, clutch cover

2шт.

18

A27089

SNAP RING,2.36mm Thk, Ext

SNAP RING - external

1шт.

19

F1974

COVER - clutch housing

1шт.

221-11

PLUG,Sq Hd, 1/8"-27

- 1/8" pipe

1шт.

14-628

BOLT,Hex, 3/8" - 24 x 1-3/4", Gr 5

- 3/8" x 1-3/4" N.F. hex.

9шт.

25-116

NUT,Hex, 3/8"-24, G5

- 3/8" N.F. hex.

9шт.

Выбрано товаров: 0