Запчасти Case IH 1660 (204[A]) - VARIABLE SPEED TRACTION DRIVE ADJUSTING ROD (16) - TRACTION VARIATOR

Схема запчастей Case IH 1660 - (204[A]) - VARIABLE SPEED TRACTION DRIVE ADJUSTING ROD (16) - TRACTION VARIATOR
6
5
7a
9
8
4
3
11
10
2
7
1
FIT
1:1
100%

Артикул

Название

Примечание

Количество

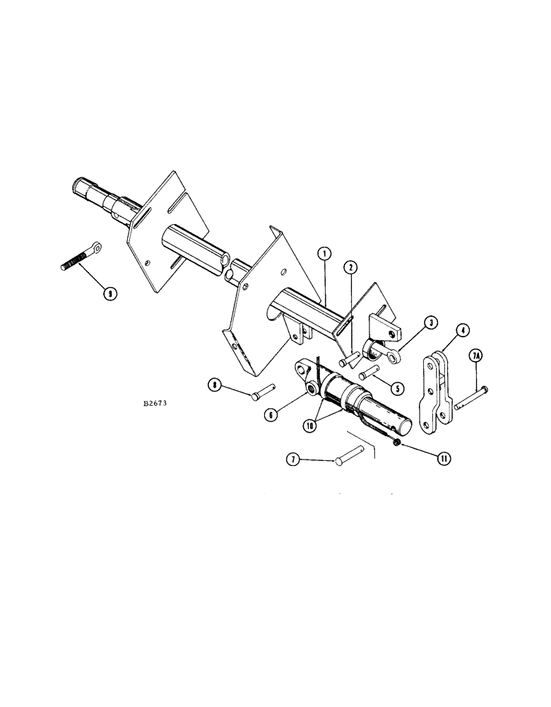
1

F87477

UPPER SHAFT ASSEMBLY - variable speed (Replaced by F88236 when stock is exhausted)

1шт.

F88236

UPPER SHAFT ASSEMBLY - (Replaces F87477)

1шт.

2

141-6

CLEVIS PIN,1/2" x 1.360"

PIN - clevis, 1/2"

1шт.

132-48

COTTER PIN,1/8" x 1"

Pin, Split (Cotter), 1/8" x 1"

1шт.

3

F13696

ROD - adjusting

1шт.

4

F79285

LINK - adjusting (Before #8334601)

1шт.

F88237

LINK - adjusting (#8334601 and after)

1шт.

5

141-5

CLEVIS PIN,7/16" x 1.190"

PIN - clevis

1шт.

132-28

COTTER PIN,3/32" x 1"

Pin, Split (Cotter), 3/32" x 1"

1шт.

6

F76962

CYLINDER - V.S. control

1шт.

218-443

HYD CONNECTOR,9/16" - 18 Male JIC x 1/4" - 18 Male NPTF

CONNECTOR - #6-FTX-S Parker, flared

1шт.

7

MT2854S

PIN - clevis, Serial Range: (F76962-F79285)

1шт.

7a

F14561

PIN - clevis, Serial Range: (F76962-F88237)

1шт.

132-91

COTTER PIN,3/16" x 1"

Pin, Split (Cotter), 3/16" x 1"

1шт.

8

O5891HT

PIN - clevis

1шт.

132-48

COTTER PIN,1/8" x 1"

Pin, Split (Cotter), 1/8" x 1"

1шт.

9

F12216

EYEBOLT

1шт.

95-6

WASHER,3/8"

- SAE std. 3/8"

1шт.

131-6

LOCK NUT,3/8"-16, GC

NUT - #29 NEO66 Esna

1шт.

18-516

BOLT - 5/16" x 1" #3 N.C. plow

1шт.

9635082

NUT,5/16" - 18, Gr 5

- 5/16" N.C. hex.

1шт.

10

214-260

HOSE CLAMP,#36, 1.81" - 2.75", Type F Worm

- for cable to cylinder #36, 1.81/2.75 Type F Worm

2шт.

11

F14631

CABLE - speed indicator

1шт.

A26673

CLIP

- for cable

2шт.

Выбрано товаров: 24