Запчасти Case IH 1660 (6-76) - FINAL DRIVE (03) - POWER TRAIN

Схема запчастей Case IH 1660 - (6-76) - FINAL DRIVE (03) - POWER TRAIN
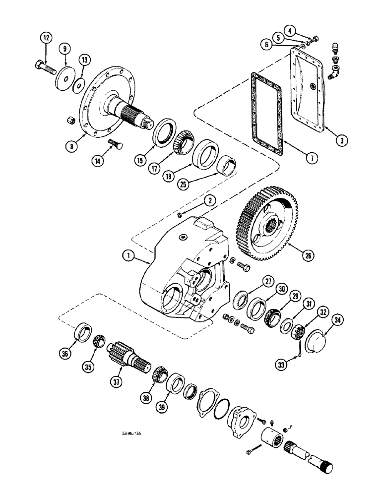
29
25
9
4
33
35
27
8
34
36
31
2
37
32
12
15
6
13
39
18
3
5
7
17
14
38
26
1
30
FIT
1:1
100%

Артикул

Название

Примечание

Количество

92769C93

DRIVE ASSY.

DRIVE ASSEMBLY - final, used with extra wide or dual wheel drive axle only, Includes: Ref.1 - 39

1шт.

1

86851C2

HOUSING

- final driver, Start Serial: JJC0026130

1шт.

1

401901R3

HOUSING

- final drive, Serial Range: -JJC0026130

1шт.

2

217-442

PLUG,3/4" - 14

- hex socket headless, 3/4 inch PT

2шт.

3

86839C2

COVER

- housing, cast iron, Start Serial: JJC0026130

1шт.

3

403894R2

COVER ASSY

COVER - housing, steel, Serial Range: -JJC0026130

1шт.

4

409-7612

BOLT,3/8"-16 x 1.09" OAL

- hex serrated flange, 3/8 NC x 3/4 inch, Serial Range: -JJC0026130

18шт.

4

326-824

BOLT,Hex, 1/2" - 13 x 1-1/2", Gr 8

, Start Serial: JJC0026130

12шт.

4

326-620

BOLT,Hex, 3/8" - 16 x 1-1/4", Gr 8

, Start Serial: JJC0026130

6шт.

5

492-11038

LOCK WASHER,3/8"

18шт.

6

396-21053

WASHER,17/32" x 1 1/16" x .134"

Hardened 17/32" x 1 1/16" x .134"

12шт.

6

396-21041

WASHER,10.31mm ID x 20.63mm OD x 2.26mm Thk

- flat, 13/32 x 13/16 x 3/32 inch, hardened

6шт.

7

196435C2

GASKET

- housing cover (Replaces gasket 196435C1)

1шт.

8

1315484C91

SHAFT

- final drive

1шт.

9

1277033C1

WASHER

- final drive shaft, if equipped

1шт.

12

28103R1

BOLT,Hex, 1" - 8 x 3 3/4", Gr 8

- hex, 1 NC x 3-3/4 inch, grade 8, if used

1шт.

13

1277039C1

SHIM

- final drive shaft, 0.015 inch, if used

1шт.

13

1277040C1

DISC

SHIM - final drive shaft, 0.018 inch, if used

1шт.

13

1277041C1

SHIM

- final drive shaft, 0.021inch, if used

1шт.

14

565130R3

BOLT,3/4" - 16 x 2 5/8", Class 8

- wheel

10шт.

14

184430C1

BOLT

- wheel, dual

10шт.

15

401905R91

OIL SEAL,98.93mm ID x 152.58mm OD x 15.88mm Thk

- oil

1шт.

283445C91

BEARING ASSY,85.03mm ID x 150.09mm OD x 44.4.5mm W

ASSEMBLY - two-piece, Includes: Ref. 17 and 18

1шт.

17

NSS

NOT SOLD SEPARAT

CONE - outer bearing, 3-11/32 inch ID, order bearing assembly 283445C91

1шт.

18

NSS

NOT SOLD SEPARAT

CUP - outer bearing, 5-29/32 inch OD, order bearing assembly 283445C91

1шт.

25

401906R1

SPACER

- gear

1шт.

26

401907R1

GEAR

- drive, 66 tooth

1шт.

27

401908R2

SPACER

- gear

1шт.

66116R91

BEARING ASSY,66.67mm ID x 112.71mm OD x 30.16mm W

ASSEMBLY - two-piece, Includes: Ref. 29 and 30

1шт.

29

NSS

NOT SOLD SEPARAT

CONE - inner bearing, 4-7/16 inch OD, order bearing assembly 66116R91

1шт.

30

NSS

NOT SOLD SEPARAT

CUP - inner bearing, 2-5/8 inch ID, order bearing assembly 66116R91

1шт.

31

403896R1

WASHER

WASHER - final drive

1шт.

32

147030R1

SLOTTED NUT

- hex, slotted, special

1шт.

33

432-840

COTTER PIN,1/8" x 2 1/2"

1/8" x 2 1/2"

1шт.

34

86839C2

COVER

- housing, Start Serial: JJC0026130

1шт.

34

403895R1

COVER

CAP - main shaft, Serial Range: -JJC0026130

1шт.

35

401911R91

BEARING ASSY,44.45mm ID x 31.75mm W

BEARING - tapered roller, 1-3/4 inch ID

1шт.

36

61012R1

BEARING, CUP,93.66mm OD x 25.4mm W

CUP - tapered roller bearing, 3-11/16 inch OD

1шт.

37

401912R1

SHAFT

- pinion

1шт.

38

M53320

BEARING ASSY

BEARING - tapered roller, 2-1/4 inch ID

1шт.

39

1968292C1

BEARING

CUP - tapered roller bearing, 4-1/8 inch OD

1шт.

Выбрано товаров: 41