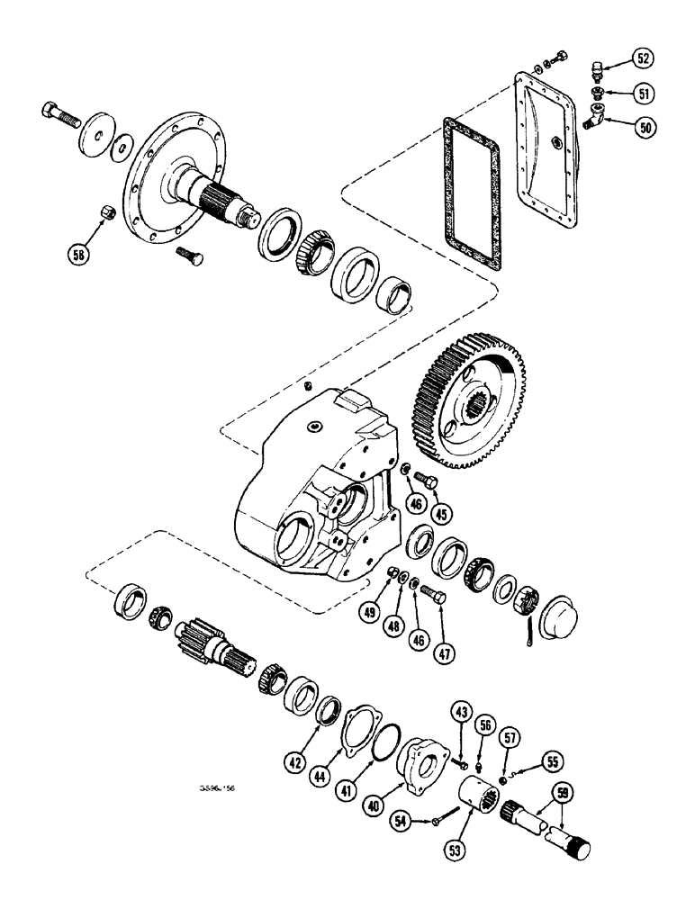
Запчасти Case IH 1660 (6-78) - FINAL DRIVE, (CONTD) (03) - POWER TRAIN

Схема запчастей Case IH 1660 - (6-78) - FINAL DRIVE, (CONTD) (03) - POWER TRAIN
44
43
48
56
49
53
45
46
58
46
51
57
54
59
52
55
40
42
47
41
50
FIT
1:1
100%

Артикул

Название

Примечание

Количество

REF

INSTRUCTION

DRIVE ASSEMBLY - final, Includes: Ref. 40 - 44

1шт.

40

401913R2

CAGE

- inner bearing, Serial Range: -JJC0026130.

1шт.

40

86845C1

CAGE

- inner bearing, Start Serial: JJC0026130

1шт.

41

238-5244

O-RING,0.139" Thk x 4.234" ID, -244, Cl 5, 75 Duro

, Serial Range: -JJC0026130.

1шт.

42

401914R91

OIL SEAL,54.28mm ID x 85.22mm OD x 11.13mm Thk

- oil, double lip

1шт.

43

113-172

BOLT,Hex, 5/16" - 18 x 1", Gr 8

, Serial Range: -JJC0026130.

3шт.

43

326-628

BOLT,Hex, 3/8" - 16 x 1-3/4", Gr 8

- hex, 3/8 NC x 1-3/4 inch, grade 8, Start Serial: JJC0026130

3шт.

44

401915R1

SHIM

- pinion inner bearing, 0.003 inch, Serial Range: -JJC0026130

1шт.

44

401916R1

SHIM

- pinion inner bearing, 0.005 inch to JJC0026130.

1шт.

44

401917R1

SHIM

- pinion inner bearing, 0.007 inch to JJC0026130

1шт.

44

184033C1

SHIM

- pinion inner bearing, 0.030 inch, Serial Range: -JJC0026130

1шт.

44

86895C1

SHIM,117.4mm ID x 136.2mm OD x 0.08mm Thk

- pinion inner bearing, 0.003 inch, Start Serial: JJC0026130

1шт.

44

86896C1

SHIM,117.4mm ID x 136.2mm OD x 0.13mm Thk

- pinion inner bearing, 0.005 inch, Start Serial: JJC0026130

1шт.

44

86897C1

SHIM,117.4mm ID x 136.2mm OD x 0.18mm Thk

- pinion inner bearing, 0.007 inch, Start Serial: JJC0026130

1шт.

44

86898C1

SHIM,117.4mm ID x 136.2mm OD x 0.76mm Thk

- pinion inner bearing, 0.030 inch, Start Serial: JJC0026130

1шт.

45

426-1232

BOLT,Hex, 3/4" - 10 x 2", Gr 8

10шт.

46

492-11075

LOCK WASHER,3/4"

3/4"

14шт.

47

426-1236

BOLT,Hex, 3/4" - 10 x 2-1/4", Gr 8

- hex, 3/4 NC x 2-1/4 inch, grade 8

4шт.

48

496-21081

WASHER,13/16" x 1 1/2" x .179", HDN

4шт.

49

REF

INSTRUCTION

BUSHING - end plate

4шт.

50

141621

ELBOW,90 Degree, 3/4" NPT Street

- 90 degree, 3/4 male x 3/4 PT female, rice combine only

1шт.

51

221-90

REDUCER,3/4" NPT x 1/8" NPT

- pipe, 3/4 male x 1/8 inch female

2шт.

52

219-434

BREATHER,1/8" - 27 NPT, Short, W/ Washer

VALVE - vent, includes felt washer, 1/8 PT x 1 inch

2шт.

53

184341C2

SPLINED COUPLING

COUPLING - axle drive shaft

2шт.

54

113-2293

BOLT,Hex, 3/8" - 16 x 3-1/2", Gr 8

2шт.

55

21864R1

COTTER PIN

- retaining, S-type

2шт.

56

219-14

LUBE NIPPLE,1/4" NPTF

FITTING - grease, straight, 1/4 drive type x 9/16 inch

2шт.

57

654049R1

LOCK NUT

- hex, self locking, 3/8 inch NC

2шт.

58

REF

INSTRUCTION

NUT - hex, wheel retaining

20шт.

59

1309012C1

SHAFT

- final drive, see Fig. 6-76

2шт.

Выбрано товаров: 30