Запчасти Case IH 1660 (6-84) - TRACK, (CONTD) (03) - POWER TRAIN

Схема запчастей Case IH 1660 - (6-84) - TRACK, (CONTD) (03) - POWER TRAIN
42
32
50
33
35
34
31
45
40
37
44
52
52
44
50
51
30
43
36
38
31
46
43
39
54
41
48
47
FIT
1:1
100%

Артикул

Название

Примечание

Количество

30

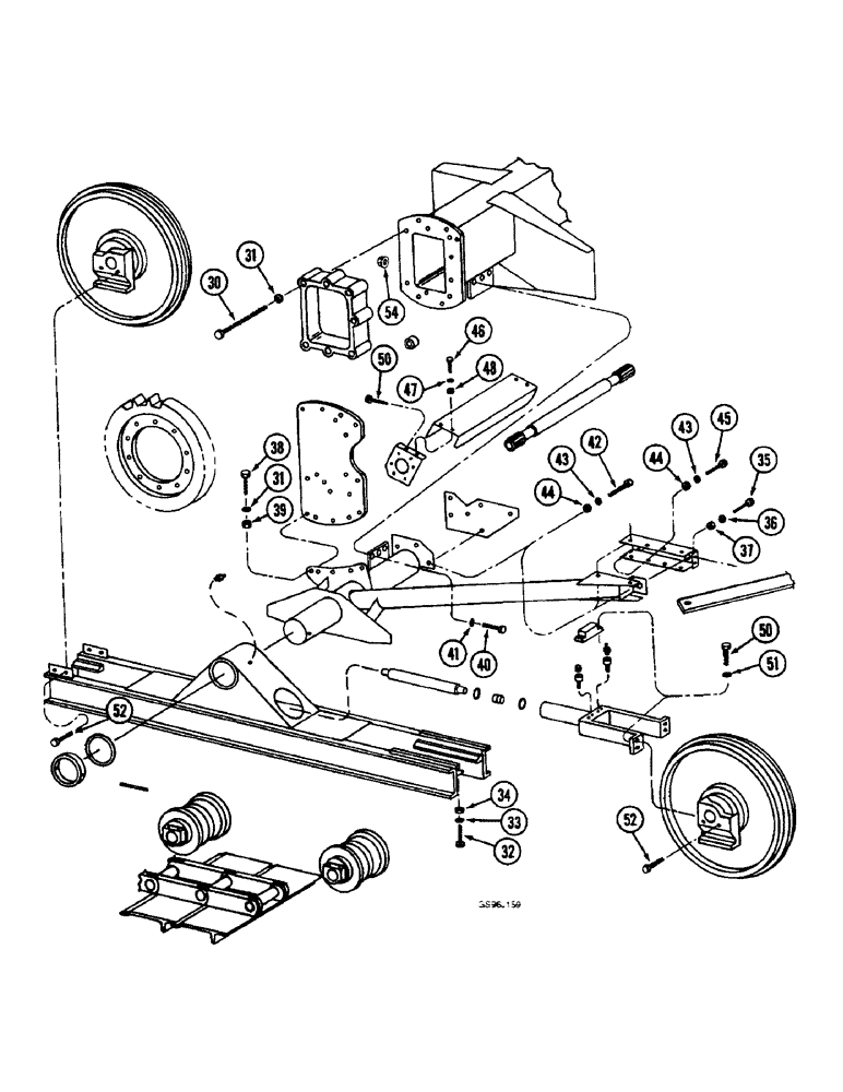
326-12120

BOLT,Hex, 3/4" - 10 x 7-1/2", Gr 8

(Replaces bolt 25701R1) Hex, 3/4"-10 x 7 1/2", G8

14шт.

31

492-11075

LOCK WASHER,3/4"

3/4"

24шт.

32

413-624

BOLT,Hex, 3/8" - 16 x 1-1/2", Gr 5

- hex, 3/8 NC x 1-1/2 inch

4шт.

33

492-11038

LOCK WASHER,3/8"

4шт.

34

425-106

NUT,3/8"-16, Cl 5

4шт.

35

60365H

BOLT,Hex, 3/8" - 16 x 1", Gr 8

- hex, 3/8 NC x 1 inch, grade 8

4шт.

36

492-11038

LOCK WASHER,3/8"

4шт.

37

429-106

NUT,3/8"-16, G8

- hex, 3/8 inch NC, grade 8

4шт.

38

426-1240

BOLT,Hex, 3/4" - 10 x 2-1/2", Gr 8

- hex, 3/4 NC x 2-1/2 inch, grade 8

10шт.

39

429-1012

NUT,3/4"-10, G8

- hex, 3/4 inch NC, grade 8

10шт.

40

426-820

BOLT,Hex, 1/2" - 13 x 1-1/4", Gr 8

- hex, 1/2 NC x 1-1/4 inch, grade 8

6шт.

41

496-21053

WASHER,17/32" x 1 1/16" x .134"

- flat, 17/32 x 1-1/16 x 1/8 inch, hardened

6шт.

42

426-1028

BOLT,Hex, 5/8" - 11 x 1-3/4", Gr 8

- hex, 5/8 NC x 1-3/4 inch, grade 8

22шт.

43

396-41066

WASHER,16.66mm ID x 38.1mm OD x 5.05mm Thk

- flat, 21/32 x 1-1/2 x 3/16 inch, hardened

26шт.

44

186851C1

FLANGE NUT

- hex flange, self-locking, 5/8 inch NC, grade 8

24шт.

45

326-1018

BOLT,Hex, 5/8" - 11 x 1-1/8", Gr 8

2шт.

46

413-612

BOLT,Hex, 3/8" - 16 x 3/4", Gr 5

4шт.

47

495-11041

WASHER,0.406" ID x 0.812" OD x 0.065" W

(Flat, 13/32 x 13/16 x 1/16") 3/8", SAE

4шт.

48

231-5146

FLANGE NUT,3/8"-16

4шт.

413-520

BOLT,Hex, 5/16" - 18 x 1-1/4", Gr 5

- hex, 5/16 NC x 1-1/4 inch

6шт.

50

326-816

BOLT,Hex, 1/2" - 13 x 1", Gr 8

12шт.

51

80679

LOCK WASHER,1/20.507 CST ZND

WASHER, LOCK, 1/2"

12шт.

52

326-1020

BOLT,Hex, 5/8" - 11 x 1-1/4", Gr 8

16шт.

53

329-1112

NUT,3/4"-16, G8

- hex, 3/4 inch NF, grade 8, not shown

20шт.

54

186852C1

FLANGE NUT,Hex, 1/2"-13, Lock

- hex, self-locking, special, 1/2 inch NC, grade 8

6шт.

Выбрано товаров: 25