Запчасти Case IH 1660 (5-36) - STEERING KNUCKLE, HUB AND WHEELS, NONADJUSTABLE AND ADJUSTABLE AXLES (04) - STEERING

Схема запчастей Case IH 1660 - (5-36) - STEERING KNUCKLE, HUB AND WHEELS, NONADJUSTABLE AND ADJUSTABLE AXLES (04) - STEERING
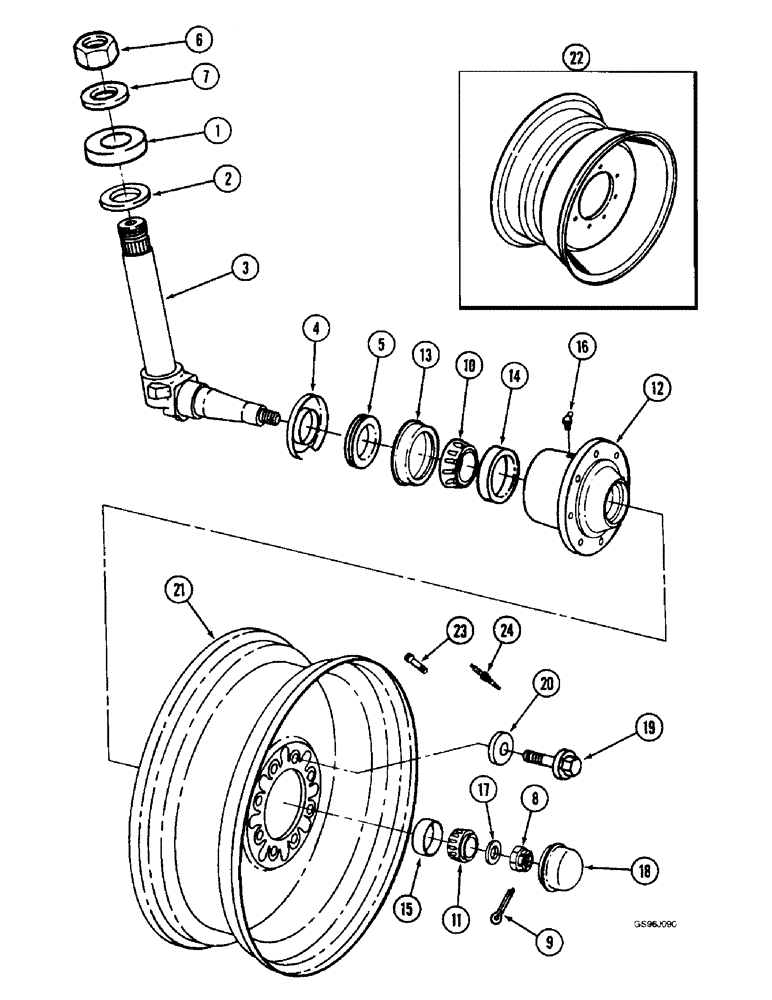
24
1
15
10
19
12
20
11
22
9
8
6
16
14
21
2
5
3
7
18
17
23
13
4
FIT
1:1
100%

Артикул

Название

Примечание

Количество

1

185106C91

BEARING ASSY,44.2mm ID x 70.1mm OD x 19.05mm W

BEARING - knuckle thrust

2шт.

2

15943DA

SEALING WASHER,60.33mm ID x 72.23mm OD x 4.76mm Thk

- Felt, Special, Knuckle pivot

2шт.

3

1315374C1

STEERING KNUCKLE

KNUCKLE - steering (Replaces knuckle 1315374C91)

2шт.

4

1259522C1

SHIELD

- dust

1шт.

5

491641C1

SEAL

- hub

1шт.

6

425-1522

JAM NUT,Jam, 1 3/8"-12, G5

- hex jam, 1-3/8 inch NF (Replaces nut 427547)

2шт.

7

495-81218

WASHER,35.71mm ID x 69.85mm OD x 1.37mm Thk

- flat, 1-13/32 x 2-3/4 x 3/64 inch (Replaces washer 22827R1)

2шт.

8

1259683C1

NUT

- hex, slotted, 30 mm - 1.5, M30 x 1, 5-6H

2шт.

9

432-1640

COTTER PIN,1/4" x 2 1/2"

Pin, Split (Cotter), 1/4" x 2 1/2"

2шт.

10

ST753B

BEARING ASSY,66.67mm ID x 22mm W

BEARING - tapered roller, inner, 2-5/8 inch ID

2шт.

11

130504H

ROLLER BEARING,42.887 mm ID x 25.48 mm

BEARING - tapered roller, outer

2шт.

12

1259528C1

HUB

ASSEMBLY - wheel, Includes: Ref. 13 - 16

2шт.

13

1264549C1

SEALING WASHER,106mm ID x 130mm OD x 1.6mm Thk

RETAINER - hub seal

1шт.

14

29214H

BEARING CUP,110mm OD x 18.82mm W

CUP - bearing, inner, 4-5/16 inch OD (Replaces cup 13390D)

1шт.

15

130503H

BEARING CUP

CUP - tapered roller bearing, outer, 3-17/64 inch OD

1шт.

16

219-404

LUBE NIPPLE,45 Degree Elbow, 3/16" NPTF

FITTING - grease, 45°, 3/16 drive type x 13/16"

2шт.

17

896-12030

WASHER,33mm ID x 56mm OD x 5mm Thk

- flat, 33 x 56 x 5 mm, hardened (Replaces washer 30181R1)

2шт.

18

189425C1

HUB CAP

CAP - wheel hub

2шт.

19

414064C1

BOLT,Hex, 9/16" - 18 x 1 1/2"

- hex flange, special, wheel

16шт.

20

396-41066

WASHER,16.66mm ID x 38.1mm OD x 5.05mm Thk

- flat, 21/32 x 1-1/2 x 3/16 inch, hardened, use with 186642C2 wheel only

16шт.

21

186642C2

WHEEL

- 18.4-16 inch tire

2шт.

21

672128R91

WHEEL

- 11.00 x 16 and 12.4 x 16 inch tire

2шт.

21

188759C2

RIM

WHEEL - for 11.2 x 24 tire (Replaces wheel 188759C1)

2шт.

21

1541719C1

RIM

WHEEL - for 14.9 x 24 tire (Replaces wheel 376196R91)

2шт.

22

1312960C1

RIM

WHEEL - for 12.5 x 18 tire

2шт.

23

536705R91

VALVE

- inflation, 5/8 inch diameter

2шт.

23

179482C1

VALVE STEM

VALVE - inflation, 7/16 inch diameter

2шт.

24

407184R1

VALVE

- inflation, if equipped

2шт.

Выбрано товаров: 0