Запчасти Case IH 1660 (5-42) - STEERING AXLE SHIELD, OSCILLATING (04) - STEERING

Схема запчастей Case IH 1660 - (5-42) - STEERING AXLE SHIELD, OSCILLATING (04) - STEERING
14
5
15
9
29
4
6
22
17
17
2
15
27
11
30
1
20
17
22
20
21
21
19
8
3
20
4
26
14
18
13
15
24
17
25
21
12
3
23
10
16
28
23
19
7
18
16
FIT
1:1
100%

Артикул

Название

Примечание

Количество

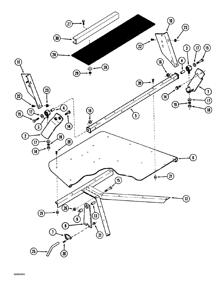
1

1302778C5

BRACKET

BSN JJC0040383

1шт.

1

1979621C1

ARM

- shield, left-hand (Replaces arm 1302778C5) ASN JJC0040383

1шт.

2

1302779C5

BRACKET

BSN JJC0040383

1шт.

2

1979622C1

ARM ASSY.

ASN JJC0040383 Shield, RH

1шт.

3

181342C91

END ASSY.

END ASSEMBLY - axle, Includes: Ref. 4

2шт.

4

1330324C1

BUSHING

- (Replaces bushing 564103R91)

2шт.

5

1979625C2

SUPPORT

- axle shield (Replaces supports 1302765C1 and 1979625C1)

1шт.

6

1302762C1

SHIELD

- axle

1шт.

7

1345189C1

BEARING COVER,19.06mm ID

- pivot (Replaces bearing 382508R91)

1шт.

8

1302578C91

SUPPORT ASSY.

SUPPORT ASSEMBLY - shield pivot, Includes: Ref. 9

1шт.

9

289588R1

BUSHING

- shield pivot support

1шт.

10

1302044C2

SUPPORT

- hood extension, left-hand

1шт.

11

1302045C2

SUPPORT

- hood extension, right-hand

1шт.

12

1302550C1

SUPPORT ASSY.

SUPPORT - axle shield

1шт.

13

1302776C1

BUSHING,13.46mm ID x 19.05mm OD x 30.23mm L

- pivot link

1шт.

14

409-7816

BOLT,Hex Flg, 1/2" - 13 x 1", Spcl

- hex serrated flange, 1/2 NC x 1 inch

4шт.

15

413-836

BOLT,Hex, 1/2" - 13 x 2-1/4", Gr 5

- hex, 1/2 NC x 2-1/4 inch

3шт.

16

231-5148

FLANGE NUT,Flg, USR, 1/2"-13

2шт.

17

496-21053

WASHER,17/32" x 1 1/16" x .134"

- flat, 17/32 x 1-1/16 x 1/8 inch, hardened

4шт.

18

425-108

NUT,1/2" - 13, Gr 5

NUT, , Hex 1/2"-13, G5

2шт.

19

80679

LOCK WASHER,1/20.507 CST ZND

WASHER, LOCK, 1/2"

2шт.

20

477-73112

SERRATED SCREW,Sl Truss Hd, 5/16" - 18 x 3/4"

- serrated slotted truss head, 5/16 NC x 3/4"

25шт.

21

231-5145

SERRATED NUT,Flg, USR, 5/16"-18

NUT - hex serrated flange, 5/16 inch NC

29шт.

22

477-73812

SERRATED SCREW,Truss HD, 3/8" - 16 x 3/4"

BOLT - serrated slotted truss head, 3/8 NC x 3/4 inch

4шт.

23

231-5146

FLANGE NUT,3/8"-16

4шт.

24

1302784C1

STRIP

- chaffer extension flap

1шт.

25

182922C1

ROD

- shield support

1шт.

26

186852C1

FLANGE NUT,Hex, 1/2"-13, Lock

- hex, self-locking, special, 1/2 inch NC, grade 8

1шт.

27

413-516

BOLT,Hex, 5/16" - 18 x 1", Gr 5

- hex, 5/16 NC x 1 inch

6шт.

28

495-81119

WASHER,8.74mm ID x 31.75mm OD x 1.7mm Thk

- flat, 11/32 x 1-1/4 x 1/16 inch

6шт.

29

232-4115

LOCK NUT,5/16"-18, GC

NUT, LOCK, 5/16"-18, GC

6шт.

30

REF

INSTRUCTION

SIEVE - chaffer, see Fig. 9B-48

1шт.

Выбрано товаров: 32