Запчасти Case IH 1660 (5-88) - WHEEL DRIVE MOTOR, POWER GUIDE AXLE, P.I.N. JJC0036301 & AFTER (04) - STEERING

Схема запчастей Case IH 1660 - (5-88) - WHEEL DRIVE MOTOR, POWER GUIDE AXLE, P.I.N. JJC0036301 & AFTER (04) - STEERING
5
49
47
17
43
6
13
28
35
41
48
20
19
42
45
8
29
27
32
2
11
36
26
1
39
21
46
44
50
34
25
40
12
FIT
1:1
100%

Артикул

Название

Примечание

Количество

121436A1

MOTOR, HYDRAULIC

MOTOR ASSEMBLY - drive, wheel (Replaces motor assembly 1970137C1), Includes: Ref. 1 - 50

1шт.

1970137C1

MOTOR, HYDRAULIC

MOTOR ASSEMBLY - drive, no longer available, order motor assembly 121436A1 above, Includes: Ref. 1 - 50

1шт.

87300716R

REMAN-HYDROSTAT MOTO

1660 - CASE IH AXIAL-FLOW COMBINE (PRIOR TO S/N JJC0038346) - 1/86-12/92, Reman For New P/N's 1970137C1, 121436A1 & 87300716

1шт.

87300716C

CORE-HYDROSTAT MOTOR

Return Number

1шт.

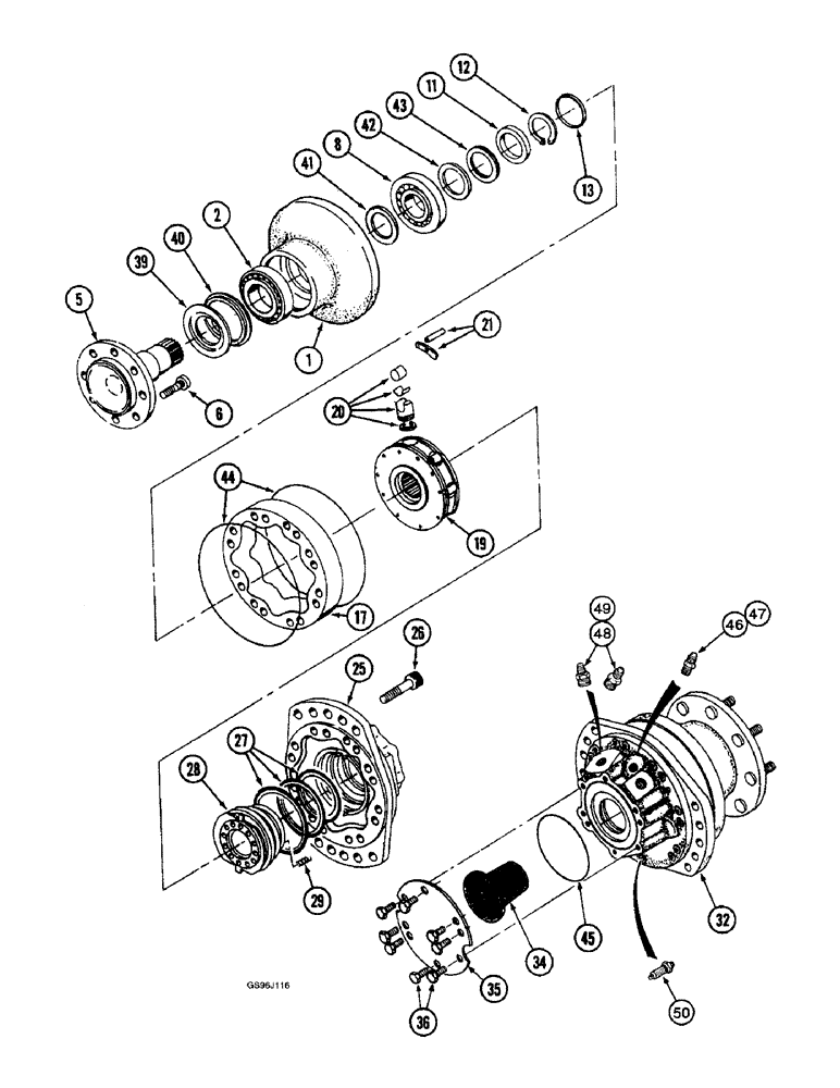
1

NSS

NOT SOLD SEPARAT

HOUSING - support, bearing

1шт.

2

305405A1

BALL BEARING,70mm ID x 125mm OD x 41mm W

BEARING - outer, housing

1шт.

5

NSS

NOT SOLD SEPARAT

SHAFT - hub, wheel

1шт.

6

1970151C1

STUD

- mounting, shaft

8шт.

8

NSS

NOT SOLD SEPARAT

BEARING - inner, housing

1шт.

11

NSS

NOT SOLD SEPARAT

SPACER - retainer, ring

1шт.

12

NSS

NOT SOLD SEPARAT

RING - snap

1шт.

13

NSS

NOT SOLD SEPARAT

RETAINER - snap ring

1шт.

17

NSS

NOT SOLD SEPARAT

RING - cam

1шт.

19

NSS

NOT SOLD SEPARAT

BLOCK - cylinder

1шт.

20

NSS

NOT SOLD SEPARAT

KIT - piston, block

10шт.

21

NSS

NOT SOLD SEPARAT

KIT - retainer, piston

1шт.

25

NSS

NOT SOLD SEPARAT

COVER - distribution

1шт.

26

NSS

NOT SOLD SEPARAT

BOLT - retainer, cover

16шт.

27

1978004C1

SEAL KIT

KIT - seal, block

1шт.

28

NSS

NOT SOLD SEPARAT

BLOCK - valve

1шт.

29

NSS

NOT SOLD SEPARAT

SPRING - pressure, valve block

8шт.

32

NSS

NOT SOLD SEPARAT

HOUSING - motor, wheel

1шт.

34

1970394C2

DIAPHRAGM

ACCUMULATOR - housing, motor

1шт.

35

1978005C1

COVER

PLATE - cover

1шт.

36

NSS

NOT SOLD SEPARAT

BOLT - retainer, cover plate

8шт.

1978008C1

SEAL KIT

KIT - seal, wheel motor, Includes: Ref. 39 - 45

1шт.

39

NSS

NOT SOLD SEPARAT

DEFLECTOR - shaft

1шт.

40

NSS

NOT SOLD SEPARAT

SEAL - grease

1шт.

41

NSS

NOT SOLD SEPARAT

SEAL - inner, shaft

1шт.

42

NSS

NOT SOLD SEPARAT

WASHER - shim, support

1шт.

43

NSS

NOT SOLD SEPARAT

KIT - shim, bearing

1шт.

44

NSS

NOT SOLD SEPARAT

O-RING - cam

2шт.

45

238-5162

O-RING,0.103" Thk x 5.737" ID, -162, Cl 5, 75 Duro

1шт.

46

218-5059

HYD CONNECTOR,3/4"-16, 37 Degree x 3/4"-16, O-Ring

ADAPTER - straight, 3/4-16 inch flare x O-ring boss, Incl. Ref 47

1шт.

47

237-6008

O-RING,0.087" Thk x 0.644" ID, -908, Cl 6, 90 Duro

8-1, 90 Duro, .644" ID x .087" Thk

1шт.

48

218-5064

HYD CONNECTOR,1-1/16" - 12 Male JIC x 1-1/16" - 12 Male ORB

ADAPTER - straight, 1-1/16-12 inch flare x O-ring boss, Incl. Ref. 49

2шт.

49

237-6012

O-RING,0.116" Thk x 0.924" ID, -912, Cl 6, 90 Duro

12-1, 90 Duro, .924 ID x .116" Thk

1шт.

50

121434A1

ADAPTER

- flush port, English thread

1шт.

Выбрано товаров: 0