Запчасти Case IH 1660 (4-56) - ALTERNATOR-GENERATOR MOUNTING (06) - ELECTRICAL

Схема запчастей Case IH 1660 - (4-56) - ALTERNATOR-GENERATOR MOUNTING (06) - ELECTRICAL
10
12
16
2
9
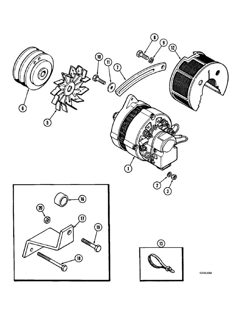
1
17
19
18
11
6
20
3
13
7
8
5
FIT
1:1
100%

Артикул

Название

Примечание

Количество

1

REF

INSTRUCTION

ALTERNATOR ASSEMBLY - engine, parts list Fig. 4-60 or 4-61A

1шт.

2

492-11025

LOCK WASHER,1/4"

WASHER, LOCK, 1/4"

1шт.

3

425-104

NUT,1/4"-20, Cl 5

- hex, 1/4 inch NC

1шт.

5

221425R1

FAN

- alternator-generator

1шт.

6

131042C1

PULLEY

- drive, alternator, 7/8 inch ID

1шт.

7

1977052C2

BRACE

BRACKET - alternator adjusting (Replaces bracket 532418R1)

1шт.

8

413-616

BOLT,Hex, 3/8" - 16 x 1", Gr 5

- hex, 3/8 NC x 1 inch

1шт.

9

492-11038

LOCK WASHER,3/8"

1шт.

10

1014921C1

BOLT

BOLT - hex, 8 x 30 mm

1шт.

11

495-81112

WASHER,.344" x 3/4" x .120"

- flat, 11/32 x 3/4 x 7/64 inch, if used

1шт.

11

30183R1

WASHER,M8 x 21.5 x 2.5, HT

- flat, 9 x 21 x 3 mm, if used

1шт.

12

1979062C2

COVER ASSY

SHIELD - alternator dust cover (Replaces shield 245165C1)

1шт.

13

306132C1

CABLE TIE,14.5" L

STRAP - tie, 14 inch

1шт.

16

1982256C1

SPACER

- pulley

1шт.

17

1977053C1

SUPPORT ASSY.

SUPPORT - alternator, rear

1шт.

18

413-556

BOLT,Hex, 5/16" - 18 x 3-1/2", Gr 5

- hex, 5/16 NC x 3-1/2 inch

1шт.

19

413-632

BOLT,Hex, 3/8" - 16 x 2", Gr 5

1шт.

20

429-106

NUT,3/8"-16, G8

- hex, 3/8 inch NC, grade 8

1шт.

Выбрано товаров: 18