Запчасти Case IH 1660 (4-66) - WINDSHIELD WIPER MOTOR (06) - ELECTRICAL

Схема запчастей Case IH 1660 - (4-66) - WINDSHIELD WIPER MOTOR (06) - ELECTRICAL
12
2
7
6
8
13
14
16
3
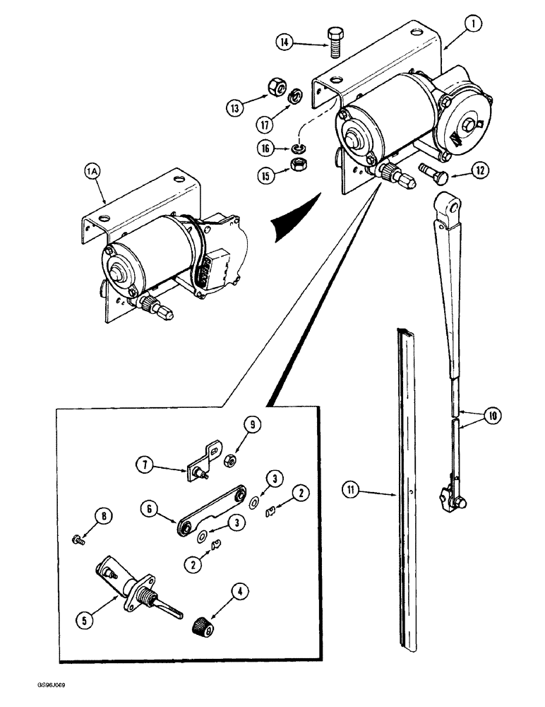
1
2
17
10
3
11
4
5
1a
15
9
FIT
1:1
100%

Артикул

Название

Примечание

Количество

1

1276130C92

WIPER MOTOR

MOTOR ASSEMBLY - wiper, includes bracket, no longer available, order motor 109740A1 and harness 115400A1 below

1шт.

1a

109740A1

WIPER MOTOR

MOTOR - wiper (Replaces motor assembly 1276130C92)

1шт.

115400A1

HARNESS

- adapter, wiper motor, Includes: Ref. 2 - 9 and wiper motor

1шт.

F96765

WIPER MOTOR

MOTOR - wiper, without bracket, no longer available, order components

1шт.

2

739487C1

CLIP

- spring

2шт.

Part of Wiper Leakage Kit, P/N 1267542C91

1шт.

3

148074R1

WASHER

- flat, hardened

2шт.

Part of Wiper Leakage Kit, P/N 1267542C91

1шт.

4

1267556C1

BUTTON

NUT - knurled drive

1шт.

Part of Wiper Leakage Kit, P/N 1267542C91

1шт.

5

NSS

NOT SOLD SEPARAT

SHAFT - wiper motor, includes pivot, order kit 1267542C91

1шт.

Part of Wiper Leakage Kit, P/N 1267542C91

1шт.

6

NSS

NOT SOLD SEPARAT

LINK - connecting, order kit 1267542C91

1шт.

Part of Wiper Leakage Kit, P/N 1267542C91

1шт.

7

NSS

NOT SOLD SEPARAT

ARM - drive, order kit 1267542C91

1шт.

Part of Wiper Leakage Kit, P/N 1267542C91

1шт.

8

NSS

NOT SOLD SEPARAT

SCREW - retaining, includes washer, order kit 1267542C91

2шт.

Part of Wiper Leakage Kit, P/N 1267542C91

1шт.

9

NSS

NOT SOLD SEPARAT

NUT - retaining, order kit 1267542C91

1шт.

Part of Wiper Leakage Kit, P/N 1267542C91

1шт.

10

1321282C1

ARM

- wiper, 18 inch (457 mm) long

1шт.

11

1327520C1

WIPER BLADE

BLADE - wiper, 22 inch (559 mm) long

1шт.

12

411-416

CARRIAGE BOLT,Sq Nk, 1/4" - 20 x 1", Gr 2

BOLT - carriage, 1/4 NC x 1 inch, grade 2

1шт.

13

425-104

NUT,1/4"-20, Cl 5

- hex, 1/4 inch NC

1шт.

14

413-616

BOLT,Hex, 3/8" - 16 x 1", Gr 5

- hex, 3/8 NC x 1 inch

2шт.

15

425-106

NUT,3/8"-16, Cl 5

2шт.

16

492-11038

LOCK WASHER,3/8"

2шт.

17

492-11025

LOCK WASHER,1/4"

WASHER, LOCK, 1/4"

2шт.

1267542C91

PACKAGE

KIT - wiper linkage, no longer available, order components separately, Includes: Ref. 2 - 9

1шт.

Выбрано товаров: 29