Запчасти Case IH 1660 (4-68) - RADIO (06) - ELECTRICAL

Схема запчастей Case IH 1660 - (4-68) - RADIO (06) - ELECTRICAL
18
17
5
16
7
9
8
5
3
19
15
2
25
22
20
17
1
14
10
9
11
10
4
21
13
13
24
FIT
1:1
100%

Артикул

Название

Примечание

Количество

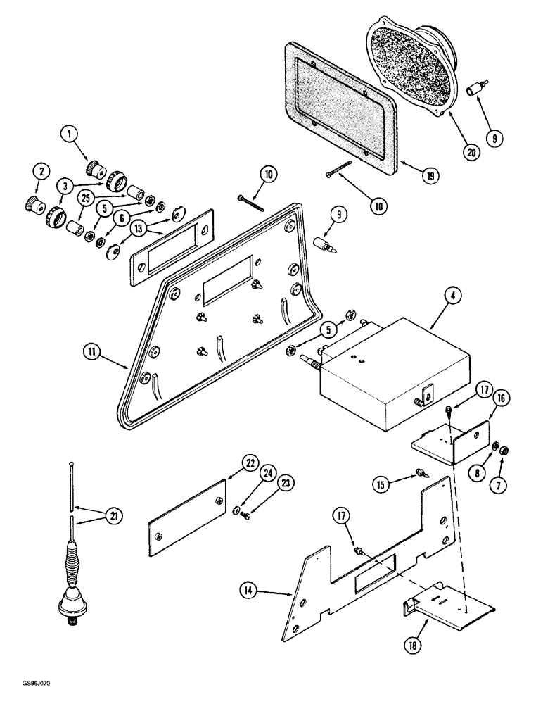
1

111381C1

KNOB

- control, volume

1шт.

Part of Cab Radio Installation Kit, P/N 84226C91

1шт.

2

111382C1

KNOB

- control, tuning

1шт.

Part of Cab Radio Installation Kit, P/N 84226C91

1шт.

3

385532C1

KNOB

- control, tone and balance

2шт.

Part of Cab Radio Installation Kit, P/N 84226C91

1шт.

4

245344C91

RADIO

- AM

1шт.

4

245160C91

RADIO

- AM-FM stereo, no longer available

1шт.

Order ZAE1ETZ as a direct replacement from ship direct central.

1шт.

4

84067C91

RADIO

- AM-FM stereo with cassette tape player, no longer available

1шт.

Order ZAE1ETZ as a direct replacement from ship direct central.

1шт.

5

142921C1

NUT

- hex, special, special

4шт.

6

142920C1

WASHER

- flat, 9.72 x 15.00 x 0.60 mm

2шт.

7

425-144

JAM NUT,Jam, 1/4"-20, G5

- hex jam, 1/4 inch NC

1шт.

8

492-11025

LOCK WASHER,1/4"

WASHER, LOCK, 1/4"

1шт.

9

117995C1

PACKAGE

KIT - fastener, contains 5 fasteners

3шт.

Part of Cab Radio Installation Kit, P/N 84226C91

1шт.

10

1276052C1

SELF-TAP SCREW,Cross Oval Hd, #8 x 1 3/4"

SCREW - self tapping, oval head, No. 8-18 x 1-3/4 inch

14шт.

11

1280182C2

PANEL

- radio trim

1шт.

13

84103C1

PANEL

- radio trim highlight

1шт.

Order ZAE1ETZ as a direct replacement from ship direct central.

1шт.

14

91484C1

PLATE

- radio support

1шт.

Part of Cab Radio Installation Kit, P/N 84226C91

1шт.

15

280-14510

SELF-TAP SCREW,Hex Wash Hd, #10 x 5/8"

SCREW - self tapping, hex washer head, No. 10-16 x 5/8 inch

4шт.

16

84048C1

BRACKET

- radio support rear slide

1шт.

Part of Cab Radio Installation Kit, P/N 84226C91

1шт.

17

280-1458

SELF-TAP SCREW,Hex Wash Hd, #10 x 1/2"

SCREW - self tapping, hex washer head, No. 10-16 x 1/2 inch

2шт.

18

84049C1

BRACKET

- radio support, rear

1шт.

Part of Cab Radio Installation Kit, P/N 84226C91

1шт.

19

245806C1

PANEL

- speaker grille

2шт.

Part of Cab Radio Installation Kit, P/N 84226C91

1шт.

20

245343C3

SPEAKER

- radio, 5 x 7 inch, 4 ohm

2шт.

Part of Cab Radio Installation Kit, P/N 84226C91

1шт.

21

60-6490T1

ANTENNA

- radio

1шт.

Part of Cab Radio Installation Kit, P/N 84226C91

1шт.

22

1321384C1

PANEL

- radio insert

1шт.

23

436746

SCREW

- machine, special, No. 10 NF x 1/4 inch

2шт.

24

195-513

WASHER,#10

- flat, 7/32 x 1/2 x 3/64 inch

2шт.

25

84240C1

SPACER

- 3/8 x 5/8 x 3/4 inch

2шт.

Part of Cab Radio Installation Kit, P/N 84226C91

1шт.

84226C91

KIT

- radio installation, cab, Includes: Ref. 1, 2, 3, 9, 13, 14, 16, 18, 19, 20, 32, and 25, Includes instructions, no longer available, order ZAE1600 from ship direct central

1шт.

Выбрано товаров: 41