Запчасти Case IH 1660 (8-12) - HEADER LIFT SUPPLY SYSTEM, PRIOR TO P.I.N. JJC0036001 (07) - HYDRAULICS

Схема запчастей Case IH 1660 - (8-12) - HEADER LIFT SUPPLY SYSTEM, PRIOR TO P.I.N. JJC0036001 (07) - HYDRAULICS
26
14
36
41
29
30
11a
4
20
25
19a
29
17a
40
31
10
34
31
7
20
21
24
35
25
37
30
2
42
28
19
11
18
3
26
5
12
6
17
1
13
31
28
30
28
29
38
39
FIT
1:1
100%

Артикул

Название

Примечание

Количество

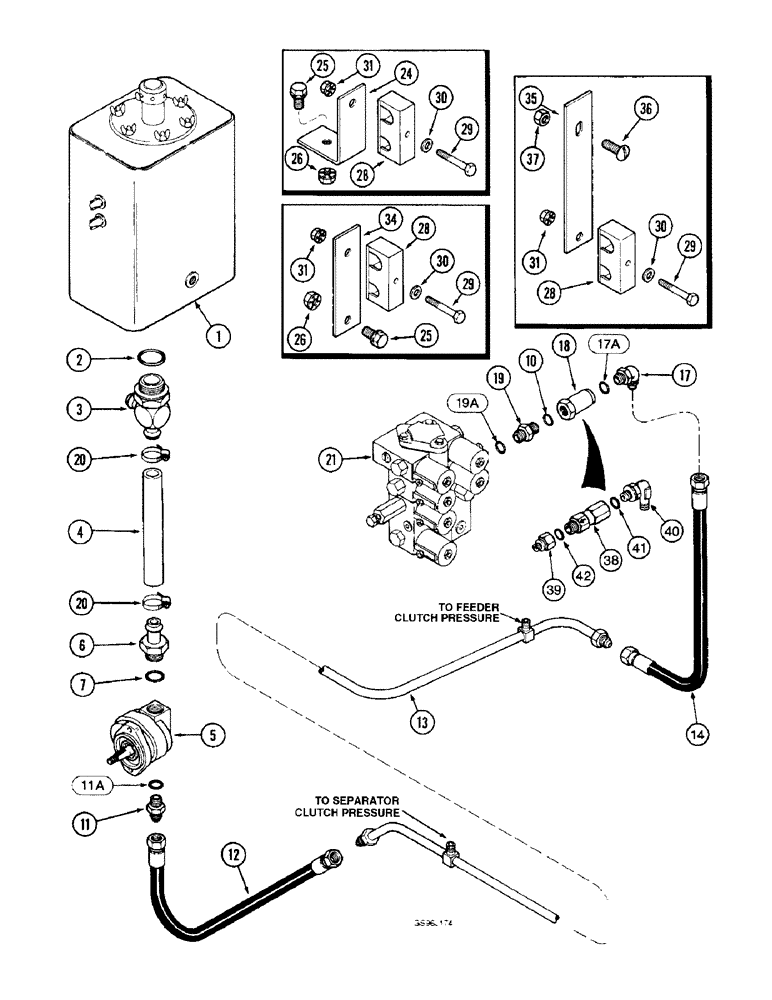
1

1301237C92

RESERVOIR

ASSEMBLY - hydraulic oil, parts list Fig. 8-02

1шт.

2

237-6024

O-RING,0.118" Thk x 1.720" ID, -924, Cl 6, 90 Duro

24-1, 90 Duro, 1.72" ID x .118" Thk

6шт.

3

1301506C1

TEE

- adjustable, 1-7/8-12 thread x 1 inch OD beaded tube

1шт.

4

1310703C1

HOSE

- header lift suction, 13 inch (330 mm) long, cut from bulk hose 190851C2

1шт.

5

REF

INSTRUCTION

PUMP ASSEMBLY - auxiliary hydraulic lift, parts list Fig. 8 - 24

1шт.

6

180182C1

FITTING

CONNECTOR - 1-5/16-12 thread x 1 inch barb end

1шт.

7

237-6016

O-RING,0.116" Thk x 1.171" ID, -916, Cl 6, 90 Duro

- 1-11/64 ID x 7/64 inch wide

1шт.

11

218-5062

HYD CONNECTOR,7/8"-14, 37 Degree x 7/8"-14, O-Ring

ADAPTER - straight, 7/8-14 inch flare x O-ring, boss, Includes: Ref. 11A

1шт.

11a

237-6010

O-RING,0.097" Thk x 0.755" ID, -910, Cl 6, 90 Duro

10-1, 90 Duro, .755" ID x .097" Thk

1шт.

12

381173R91

HOSE,12.7mm ID x 209.55mm L, SAE 100R1

- 29 inch (737 mm) long

1шт.

13

196747C1

HYD TUBE

TUBE - header lift pressure

1шт.

14

H169052

HYDRAULIC HOSE,12.7mm ID x 508mm L, SAE 100R1

Header Lift Presssure, Replaces 156436H1 12.70 mm ID x 508.00 mm, SAE 100R1

1шт.

17

218-5107

90 ELBOW,90 Degree Elbow, 7/8" - 14 Male JIC x 7/8" - 14 Male ORB

- 90 degree, 7/8-14 inch flare x adjustable O-ring boss, Incl. Ref. 17A

1шт.

17a

237-6010

O-RING,0.097" Thk x 0.755" ID, -910, Cl 6, 90 Duro

10-1, 90 Duro, .755" ID x .097" Thk

1шт.

18

1267150C91

FILTER ASSY

FILTER - valve pressure line, no longer available, order items 38 - 42 below

1шт.

19

1267158C1

CONNECTOR, ELEC

CONNECTOR - short, 5/8 inch tube O-ring boss, 7/8-14 thread, Includes: Ref. 19A

1шт.

19a

237-6010

O-RING,0.097" Thk x 0.755" ID, -910, Cl 6, 90 Duro

10-1, 90 Duro, .755" ID x .097" Thk

1шт.

20

214-1524

HOSE CLAMP,#24, 1.06" - 2", Type F Worm, W/ Liner

CLAMP - adjustable, 1-1/16 - 2 inch diameter, Type F

2шт.

21

REF

INSTRUCTION

VALVE ASSEMBLY - control, parts list Fig. 8-32

1шт.

24

178950C1

ANGLE

SUPPORT - header lift tube

2шт.

25

409-7612

BOLT,3/8"-16 x 1.09" OAL

- hex serrated flange, 3/8 NC x 3/4 inch

3шт.

26

231-5146

FLANGE NUT,3/8"-16

4шт.

28

121714C1

CLAMP

- header lift tubes

3шт.

29

413-428

BOLT,Hex, 1/4" - 20 x 1-3/4", Gr 5

- hex, 1/4 NC x 1-3/4 inch

3шт.

30

496-21028

WASHER,.281" x 5/8" x .075", HDN

- flat, 9/32 x 5/8 x 5/64 inch, hardened

3шт.

31

231-5144

SERRATED NUT,Flg, USR, 1/4"-20

3шт.

34

187509C1

BAR

- header lift tubes, 5 inch (127 mm) long

1шт.

35

187510C2

BAR

- header lift tubes, 7-1/2 inch (191 mm) long

1шт.

36

477-73112

SERRATED SCREW,Sl Truss Hd, 5/16" - 18 x 3/4"

- serrated slotted truss head, 5/16 NC x 3/4"

1шт.

37

231-5145

SERRATED NUT,Flg, USR, 5/16"-18

NUT - hex serrated flange, 5/16 inch NC

1шт.

38

1272346C1

FILTER

- valve pressure line

1шт.

39

1968919C1

FITTING

ADAPTER - reducer, 7/8-14 x 1-1/16-12 inch thread, used with filter 1272346C1, item 38

1шт.

40

218-5119

ELBOW,90 Degree Elbow, 7/8" - 14 Male JIC x 1-1/16" - 12 Male ORB

- 90 degree, 7/8-14 flare x 1-1/16-12 inch adjustable O-ring boss, Includes: Ref. 41

1шт.

41

237-6012

O-RING,0.116" Thk x 0.924" ID, -912, Cl 6, 90 Duro

12-1, 90 Duro, .924 ID x .116" Thk

1шт.

42

23706012

O-RING - 59/64 ID x 7/64 inch wide

1шт.

190851C2

HOSE

- bulk, 83 inch (2108 mm) long

1шт.

Выбрано товаров: 36