Запчасти Case IH 1660 (9G-48) - COMPRESSOR (10) - CAB & AIR CONDITIONING

Схема запчастей Case IH 1660 - (9G-48) - COMPRESSOR (10) - CAB & AIR CONDITIONING
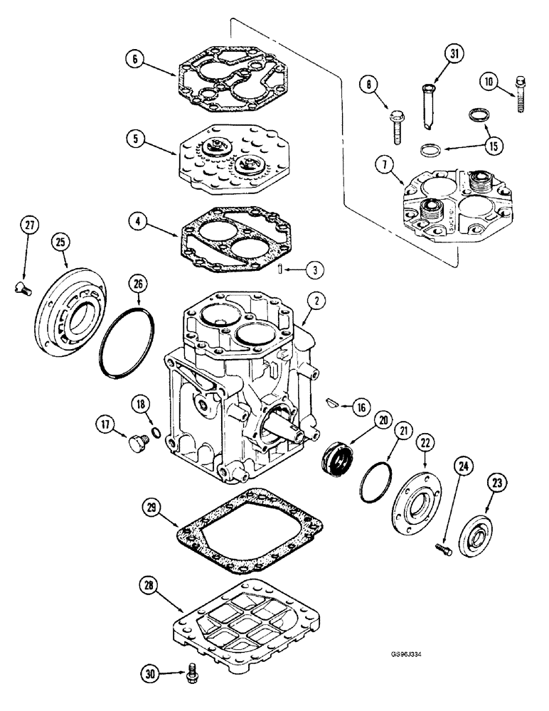
7
21
18
15
2
22
3
20
24
5
26
29
4
27
25
17
6
31
28
10
16
8
23
30
FIT
1:1
100%

Артикул

Название

Примечание

Количество

1255750C91

COMPRESSOR

ASSEMBLY - air conditioning, Includes: Ref. 2 - 31

1шт.

2

NSS

NOT SOLD SEPARAT

CRANKCASE - compressor, order compressor assembly 1255750C91

1шт.

3

37-1212

DOWEL,1/8" x 3/4"

PIN - dowel, 1/8 x 3/4 inch (Replaces pin 21247R1)

1шт.

394430C91

KIT

- valve plate, Includes: Ref. 4 - 6

1шт.

4

431761C1

CYLINDER HEAD GASKET

- valve, Serial Range: plate-crankcase

1шт.

5

NSS

NOT SOLD SEPARAT

PLATE - valve, order kit 394430C91

1шт.

6

431756C1

CYLINDER HEAD GASKET

- cylinder head to valve plate

1шт.

478712C91

PACKAGE

KIT - cylinder head, Includes: Ref. 7

1шт.

7

NSS

NOT SOLD SEPARAT

HEAD - cylinder, order kit 478712C91

1шт.

8

413-522

BOLT,Hex, 5/16" - 18 x 1-3/8", Gr 5

- hex, 5/16 NC x 1-3/8 inch

8шт.

10

380-2524

12 PT SCREW,Flg, 5/16" - 18 x 1 1/2"

BOLT - 12 point flange, 5/16 NC x -1/2 inch

2шт.

15

A42938

GASKET

- service valve, not used in this application (Replaces gasket 118469C1)

2шт.

16

126-112

WOODRUFF KEY,#6, 5/32" x 5/8", HT

1шт.

17

445073

HYD CONNECTOR

- hex, 3/8 inch NF

2шт.

18

431764C1

SEAL,8.484mm ID x 1.778mm Width

- O-ring oil plug

2шт.

592263C91

SEAL KIT

- shaft seal, front, Includes: Ref. 20 - 23

1шт.

20

NSS

NOT SOLD SEPARAT

SEAL - crankcase, order kit 592263C91

1шт.

21

NSS

NOT SOLD SEPARAT

O-RING - plate, order kit 592263C91

1шт.

22

NSS

NOT SOLD SEPARAT

PLATE - retaining, seal, order kit 592263C91

1шт.

23

NSS

NOT SOLD SEPARAT

CAP - dust, order kit 592263C91

1шт.

24

443874

BRACKET

- hex flange, No. 10 NC x 1/2 inch

6шт.

25

431757C1

HOUSING

COVER - rear, crankcase housing

1шт.

26

431763C1

O-RING,0.07" Thk x 3.239" ID, -42, Cl 6, 90 Duro

- O-ring

1шт.

27

473-12510

SCREW,Slotted Flat Hd, 1/4"-20 x 5/8"

- machine, flat head slotted, 1/4 NC x 5/8 inch

4шт.

28

431755C1

PLATE

- base

1шт.

29

431760C2

GASKET

- base

1шт.

30

463-12510

SCREW,Hex Hd, 1/4"-20 x 5/8"

- hex flange, 1/4 NC x 5/8 inch

14шт.

31

118210C1

FILTER SCREEN

SCREEN - filter, suction

1шт.

Выбрано товаров: 0