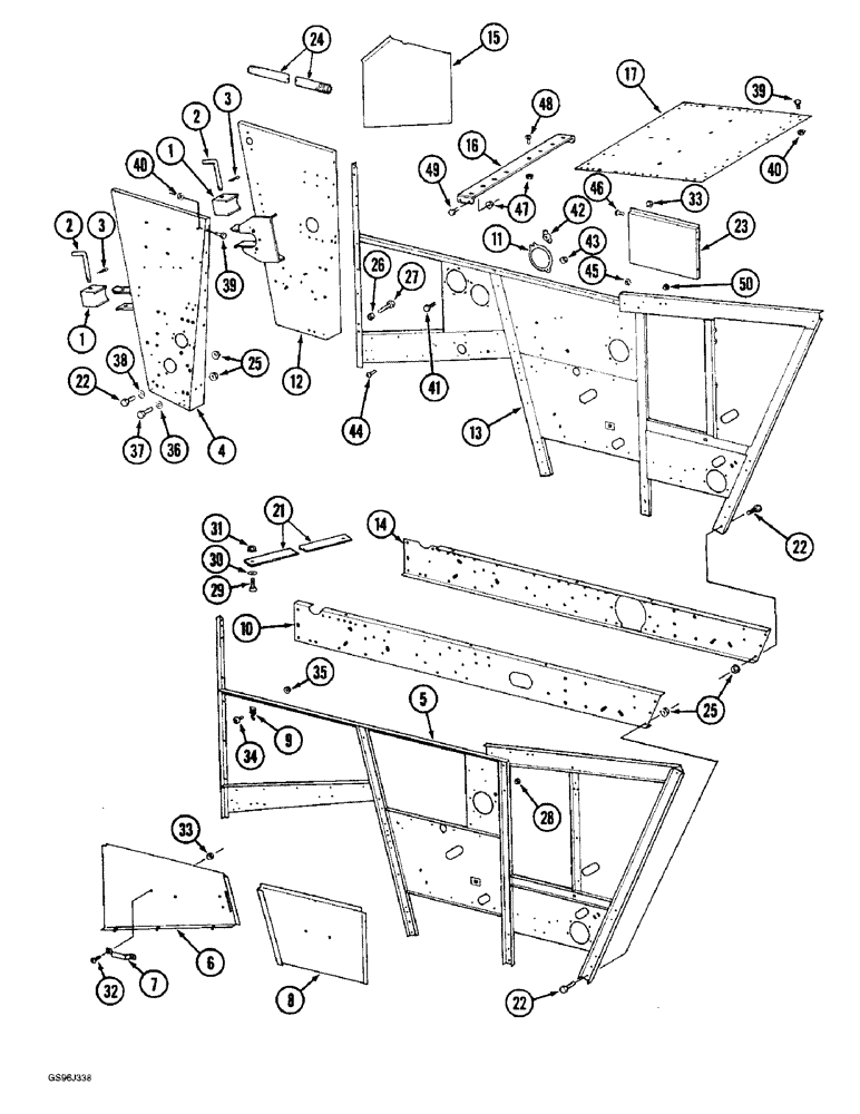
Запчасти Case IH 1660 (9H-04) - SEPARATOR DOORS, SIDES AND SUPPORTS, WITH ROCK TRAP (12) - CHASSIS

Схема запчастей Case IH 1660 - (9H-04) - SEPARATOR DOORS, SIDES AND SUPPORTS, WITH ROCK TRAP (12) - CHASSIS
24
38
33
25
1
30
3
43
6
22
7
22
39
45
9
22
2
40
21
4
11
44
50
49
35
46
48
31
1
34
12
25
37
40
41
14
13
29
39
8
15
3
47
2
42
27
28
32
5
17
36
10
33
23
16
26
FIT
1:1
100%

Артикул

Название

Примечание

Количество

1

1989327C2

RETAINER

BLOCK - feeder pivot

2шт.

2

192533C2

ROD

- feeder pivot block

2шт.

3

1970957C1

SPRING

PIN - cotter, hair, 3/16 inch

2шт.

120868A1

SUPPORT ASSY.

POST ASSEMBLY - front, left-hand, Includes: Ref. 4 and decal

1шт.

4

185124C8

SUPPORT ASSY.

POST - front left-hand

1шт.

ZA740950

DECAL

- post assembly, not shown

1шт.

5

185256C3

SIDE ASSY.

SIDE - separator, left-hand

1шт.

6

186178C91

DOOR

- separator, left-hand front

1шт.

7

160638C1

HANDLE

- door

3шт.

8

186188C91

DOOR

- separator, left-hand

1шт.

9

167800C1

CLIP

- door retaining clip

14шт.

10

1327695C8

SUPPORT

- separator, left-hand side, main

1шт.

11

188315C2

DOOR

- separator side, right-hand

1шт.

12

185125C3

SUPPORT ASSY.

POST - separator, right-hand

1шт.

13

1300267C93

SIDE ASSY.

SIDE - separator, right-hand

1шт.

14

1317554C5

SUPPORT

- separator, right-hand side, main

1шт.

15

186199C91

DOOR

- separator, right-hand front

1шт.

16

195316C1

SUPPORT ASSY.

SUPPORT - engine deck

1шт.

17

192323C2

SUPPORT

PLATE - engine deck

1шт.

21

196315C2

BAR

- separator frame diagonal support

2шт.

22

426-1020

BOLT,Hex, 5/8" - 11 x 1-1/4", Gr 8

- hex, 5/8 NC x 1-1/4 inch, grade 8

26шт.

23

181085C2

DOOR

- separator side

2шт.

23

1322236C1

DOOR

- separator, with straw chopper, export combine only

2шт.

24

1319395C1

CONDUIT

- convoluted, 12-1/8 inch long, cut from bulk conduit 1262114C1

1шт.

25

232-51310

FLANGE NUT,Flg, USR, 5/8"-12

- hex serrated flange, 5/8 inch NC, grade 8

34шт.

26

272897R1

SPACER

- 1/2 x 1 inch pipe

1шт.

27

409-7624

BOLT,Hex Flg, 3/8" - 16 x 1 1/2", Spcl

1шт.

28

353-252

PLUG,1"

- button, 1 inch

1шт.

29

426-824

BOLT,Hex, 1/2" - 13 x 1-1/2", Gr 8

- hex, 1/2 NC x 1-1/2 inch, grade 8

5шт.

30

496-21053

WASHER,17/32" x 1 1/16" x .134"

- flat, 17/32 x 1-1/16 x 1/8 inch, hardened

5шт.

31

186852C1

FLANGE NUT,Hex, 1/2"-13, Lock

- hex, self-locking, special, 1/2 inch NC, grade 8

5шт.

32

477-73108

SERRATED SCREW,Sl Truss Hd, 5/16" - 18 x 1/2"

BOLT - serrated slotted truss head, 5/16 NC x 1/2 inch

6шт.

33

231-5145

SERRATED NUT,Flg, USR, 5/16"-18

NUT - hex serrated flange, 5/16 inch NC

16шт.

34

340-1108

SCREW,Cross Pan Hd, #10-24 x 1/2"

- machine, pan Phillips, No. 10 NC x 1/2 inch

14шт.

35

231-51409

SERRATED NUT,Flg, USR, #10-24

14шт.

36

396-41066

WASHER,16.66mm ID x 38.1mm OD x 5.05mm Thk

- flat, 21/32 x 1-1/2 x 3/16 inch, hardened

4шт.

37

426-1024

BOLT,Hex, 5/8" - 11 x 1-1/2", Gr 8

- hex, 5/8 NC x 1-1/2 inch, grade 8

8шт.

38

169256C2

WASHER,16.28mm ID x 31.8mm OD x 3.05mm Thk

- flat, special, 41/64 x 1-1/2 x 1/8 inch

12шт.

39

426-816

BOLT,Hex, 1/2" - 13 x 1", Gr 8

- hex, 1/2 NC x 1 inch, grade 8

13шт.

40

232-5138

FLANGE NUT,Flg, USR, 1/2"-13, G8

13шт.

41

413-48

BOLT,Hex, 1/4" - 20 x 1/2", Gr 5

- hex, 1/4 NC x 1/2 inch

1шт.

42

86627130

WING NUT,1/4"-20

NUT - wing, 1/4 inch NC

1шт.

43

232-4114

LOCK NUT,1/4"-20, GC

NUT, LOCK, 1/4"-20, GC

1шт.

44

477-82508

SERRATED SCREW,Sl Truss Hd, 1/4" - 20 x 1/2"

BOLT - serrated slotted truss head, 1/4 NC x 1/2 inch

1шт.

45

432366

HOLE PLUG BUTTON,1 3/8"

PLUG - button, 1-3/8 inch diameter

1шт.

46

477-73112

SERRATED SCREW,Sl Truss Hd, 5/16" - 18 x 3/4"

- serrated slotted truss head, 5/16 NC x 3/4"

10шт.

47

231-5146

FLANGE NUT,3/8"-16

16шт.

49

477-73812

SERRATED SCREW,Truss HD, 3/8" - 16 x 3/4"

BOLT - serrated slotted truss head, 3/8 NC x 3/4 inch

4шт.

50

353-411

PLUG,Dome, 1.000" hole, Nylon

1шт.

1262114C1

CONDUIT

- bulk, 31 inch (787 mm) long

1шт.

48

477-73816

SERRATED SCREW,Sl Truss Hd, 3/8" x 1"

BOLT - serrated slotted truss head, 3/8 NC x 1 inch

12шт.

Выбрано товаров: 0