Запчасти Case IH 1660 (9H-08) - SERVICE LADDER (12) - CHASSIS

Схема запчастей Case IH 1660 - (9H-08) - SERVICE LADDER (12) - CHASSIS
6
25
4
26
6
7
2
15
5
10
21
17
14
18
11
4
3
7
27
14
23
2
3
24
4
29
4
4
16
19
20
3
14
3
30
6
8
4
9
26
15
29
1
22
4
4
4
27
3
28
4
31
FIT
1:1
100%

Артикул

Название

Примечание

Количество

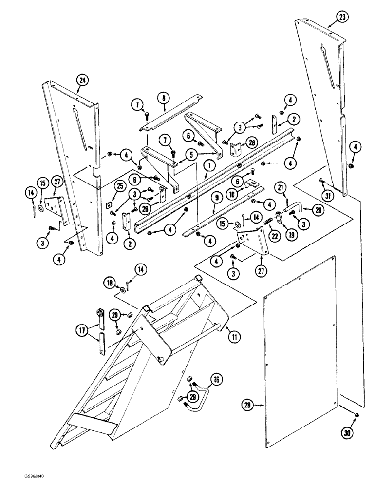
1

185399C2

CHANNEL

- ladder upper support

1шт.

2

194311C1

ANGLE

BRACKET - mounting, upper support

2шт.

3

477-73112

SERRATED SCREW,Sl Truss Hd, 5/16" - 18 x 3/4"

- serrated slotted truss head, 5/16 NC x 3/4"

24шт.

4

231-5145

SERRATED NUT,Flg, USR, 5/16"-18

NUT - hex serrated flange, 5/16 inch NC

29шт.

5

1347489C1

SUPPORT

BRACKET - upper step

2шт.

6

477-73116

SERRATED SCREW,Truss HD, 5/16" - 18 x 1"

BOLT - serrated slotted truss head, 5/16 NC x 1 inch

3шт.

7

409-7512

BOLT,Hex Flg, 5/16" - 18 x 3/4", Spcl

- hex serrated flange, 5/16 NC x 3/4 inch

4шт.

8

1327607C1

PLATE

STEP - angle, upper ladder

1шт.

9

1319722C1

BAR

- upper step support

1шт.

10

1321975C1

BRACKET

BAR - ladder stop

1шт.

11

1319766C93

LADDER

- rear service, includes decal

1шт.

14

32-1212

COTTER PIN,3/16" x 3/4"

PIN, SPLIT (COTTER), 3/16" x 3/4"

4шт.

15

396-21066

WASHER,16.66mm ID x 33.33mm OD x 4.27mm Thk

6шт.

16

1329715C1

HANDLE

- ladder

1шт.

17

1321698C1

LINK

- ladder slip

1шт.

18

495-81024

WASHER,17/32" x 1 1/4" x .060"

- flat, 17/32 x 1-1/4 x 1/16 inch

2шт.

19

1319739C1

BRACKET

- ladder pin

1шт.

20

1319740C1

PIN

- ladder support

1шт.

21

138-2037

PIN,1/8" x 3/4", Coiled

- roll, 1/8 x 13/16 inch

1шт.

22

540815R2

SPRING

- latch pin

1шт.

23

185404C5

SIDE PLATE

BRACE - ladder, left-hand

1шт.

24

185405C4

SIDE PLATE

BRACE - ladder, right-hand

1шт.

25

488837C1

SPRING NUT

- speed, 5/16 inch

4шт.

26

1327997C1

ANGLE

BRACKET - mounting, channel

2шт.

27

1319738C1

BRACKET

- ladder pivot

2шт.

28

186970C3

SHEET

- ladder front opening (Replaces sheet 186970C2)

1шт.

29

231-5148

FLANGE NUT,Flg, USR, 1/2"-13

4шт.

30

92068R1

NUT

- Tinnerman, front plate

6шт.

31

409-748

BOLT,Hex Flg, 1/4" - 20 x 1/2", Spcl

6шт.

Выбрано товаров: 29