Запчасти Case IH 1660 (9A-10) - SEPARATOR JACKSHAFT SUPPORT (13) - FEEDER

Схема запчастей Case IH 1660 - (9A-10) - SEPARATOR JACKSHAFT SUPPORT (13) - FEEDER
4
2
3
3
13
10
14
17
14
4
5
19
1
5
13
16
4
3
4
3
6
7
14
4
5
4
4
7
23
24
3
14
8
22
15
4
13
3
20
18
4
4
FIT
1:1
100%

Артикул

Название

Примечание

Количество

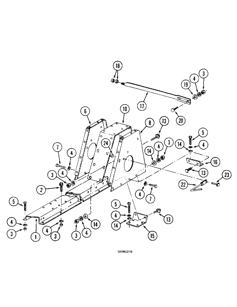
1

181333C1

SUPPORT ASSY.

SUPPORT - jackshaft

1шт.

2

409-7816

BOLT,Hex Flg, 1/2" - 13 x 1", Spcl

- hex serrated flange, 1/2 NC x 1 inch

2шт.

3

425-108

NUT,1/2" - 13, Gr 5

NUT, , Hex 1/2"-13, G5

22шт.

4

80679

LOCK WASHER,1/20.507 CST ZND

WASHER, LOCK, 1/2"

30шт.

5

413-820

BOLT,Hex, 1/2" - 13 x 1-1/4", Gr 5

- hex, 1/2 NC x 1-1/4 inch

8шт.

6

181165C1

SUPPORT ASSY.

SUPPORT - jackshaft, left-hand

1шт.

7

413-816

BOLT,Hex, 1/2" - 13 x 1", Gr 5

8шт.

8

181166C1

SUPPORT

- jackshaft, right-hand

1шт.

10

181167C1

SUPPORT

- jackshaft, upper

1шт.

13

434-820

CARRIAGE BOLT,Sht Sq Nk, 1/2" - 13 x 1 1/4", Gr 5

BOLT - carriage, 1/2 NC x 1-1/4 inch

1шт.

14

495-81287

WASHER,13.49mm ID x 31.75mm OD x 3.4mm Thk

- flat, 17/32 x 1-1/4 x 7/64 inch

9шт.

15

181164C1

SUPPORT

- separator jackshaft

1шт.

16

181172C1

SUPPORT

ANGLE - jackshaft support, rear

1шт.

17

181171C1

ROD

- cross

1шт.

18

425-1110

NUT,5/8"-18, G5

2шт.

19

495-81017

WASHER,13.49mm ID x 19.05mm OD x 3.4mm Thk

- flat, 17/32 x 3/4 x 1/8 inch

2шт.

20

434-824

CARRIAGE BOLT,Sht Sq Nk, 1/2" - 13 x 1 1/2", Gr 5

BOLT - carriage, 1/2 NC x 1-1/2 inch

2шт.

22

194901C1

ROD

- belt support

1шт.

23

434-612

CARRIAGE BOLT,Sht Sq Nk, 3/8" - 16 x 3/4", Gr 5

BOLT - carriage, 3/8 NC x 3/4 inch

2шт.

24

231-5146

FLANGE NUT,3/8"-16

2шт.

Выбрано товаров: 20