Запчасти Case IH 1660 (9A-20) - FEEDER DRIVE (13) - FEEDER

Схема запчастей Case IH 1660 - (9A-20) - FEEDER DRIVE (13) - FEEDER
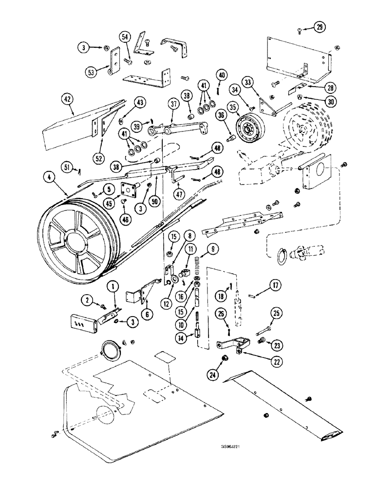
9
15
50
6
38
48
42
12
39
54
35
4
3
11
40
8
25
33
14
43
34
22
2
26
46
30
18
15
3
10
41
28
36
48
53
52
24
23
37
47
38
51
5
17
1
45
29
3
41
16
FIT
1:1
100%

Артикул

Название

Примечание

Количество

1

188043C2

SUPPORT

- lower belt guard, parts list Fig. 9A-22

1шт.

2

477-73812

SERRATED SCREW,Truss HD, 3/8" - 16 x 3/4"

BOLT - serrated slotted truss head, 3/8 NC x 3/4 inch

11шт.

3

231-5146

FLANGE NUT,3/8"-16

19шт.

4

194380C2

GUIDE

WRAPPER - guard, belt (Replaces wrapper 194380C1)

1шт.

5

477-73820

SERRATED SCREW,Truss HD, 3/8" - 16 x 1-1/4"

BOLT - serrated slotted truss head, 3/8 NC x 1-1/4 inch

1шт.

6

188045C2

SUPPORT ASSY.

SUPPORT - rear, belt guard

1шт.

8

194357C2

CHANNEL

CLIP - tightener, special

1шт.

9

PO23

SPRING

- tightener rod

1шт.

10

194356C1

TUBE

SPACER - spring rod

1шт.

11

186890C4

PIVOT

- spring rod (Replaces pivot 186890C2)

1шт.

12

495-81225

WASHER,1 17/32" x 2 1/2" x .060"

- flat, 1-17/32 x 2-1/2 x 3/64 inch

1шт.

14

194216C2

ROD

- tightener, feeder drive

1шт.

15

425-108

NUT,1/2" - 13, Gr 5

NUT, , Hex 1/2"-13, G5

3шт.

16

495-81163

WASHER,17/32" x 1 1/2" x .120"

- flat, 17/32 x 1-1/2 x 7/64 inch

1шт.

17

427-6156

CLEVIS PIN,9.53mm OD x 39.67mm L

PIN, CLEVIS, , Hardened 3/8" x 1 9/16"

1шт.

18

432-616

COTTER PIN,3/32" x 1"

3/32" x 1"

1шт.

22

194369C2

SUPPORT

- cylinder

1шт.

23

413-816

BOLT,Hex, 1/2" - 13 x 1", Gr 5

2шт.

24

231-5148

FLANGE NUT,Flg, USR, 1/2"-13

2шт.

25

439-1652

HEADED PIN,9.53mm OD x 82.55mm L

PIN - headed, 3/8 x 3-1/4 inch, grade 2

1шт.

26

432-816

COTTER PIN,1/8" x 1"

1/8" x 1"

1шт.

28

194383C3

BRACKET

- support, upper

1шт.

29

477-73116

SERRATED SCREW,Truss HD, 5/16" - 18 x 1"

BOLT - serrated slotted truss head, 5/16 NC x 1 inch

2шт.

30

231-5145

SERRATED NUT,Flg, USR, 5/16"-18

NUT - hex serrated flange, 5/16 inch NC

2шт.

33

195109C1

ROD ASSY.

BRACKET - belt trap rod

1шт.

35

174757C1

PULLEY

- idler, 8 inch OD

1шт.

36

559205R91

BEARING ASSY,15.92 mm ID x 30 mm OD x 82.55 mm

- pulley

1шт.

37

192105C93

LEVER

ASSEMBLY - idler, Includes: Ref. 38

1шт.

38

1302308C1

BUSHING,25.65mm ID x 31.85mm OD x 28.57mm L

- 1 ID x 1-1/4 OD x 1-1/8 inch wide

2шт.

39

219-36

LUBE NIPPLE,45 Degree Elbow, 1/8" - 27 NPTF

FITTING - grease, 45 degree, 1/8 PT x 7/8 inch

1шт.

40

432-1624

COTTER PIN,1/4" x 1 1/2"

Pin, Split (Cotter), 1/4" x 1-1/2"

1шт.

41

495-81069

WASHER,1-1/32" ID x 1-1/2" OD x 3/50" Thk

- flat, 1-1/32 x 1-1/2 x 1/16 inch

6шт.

42

1321886C1

COVER

- belt, upper

1шт.

43

495-11041

WASHER,0.406" ID x 0.812" OD x 0.065" W

(Flat, 13/32 x 13/16 x 1/16") 3/8", SAE

1шт.

45

185414C2

SUPPORT

- pivot

1шт.

47

192111C1

ROD

- retainer

1шт.

48

432-1216

COTTER PIN,3/16" x 1"

3шт.

50

194358C1

GUIDE

- belt retainer, without rock trap

1шт.

50

1315076C1

GUIDE

- retainer, belt, with rock trap

1шт.

51

432-1216

COTTER PIN,3/16" x 1"

1шт.

52

192131C4

SUPPORT

- belt guard (Replaces support 192131C3)

1шт.

53

194364C2

HINGE

- pivot

1шт.

54

477-73820

SERRATED SCREW,Truss HD, 3/8" - 16 x 1-1/4"

BOLT - serrated slotted truss head, 3/8 NC x 1-1/4 inch

1шт.

34

477-73816

SERRATED SCREW,Sl Truss Hd, 3/8" x 1"

BOLT - serrated slotted truss head, 3/8 NC x 1 inch

2шт.

46

477-73816

SERRATED SCREW,Sl Truss Hd, 3/8" x 1"

BOLT - serrated slotted truss head, 3/8 NC x 1 inch

4шт.

Выбрано товаров: 45