Запчасти Case IH 1660 (9A-22) - FEEDER DRIVE, (CONTD) (13) - FEEDER

Схема запчастей Case IH 1660 - (9A-22) - FEEDER DRIVE, (CONTD) (13) - FEEDER
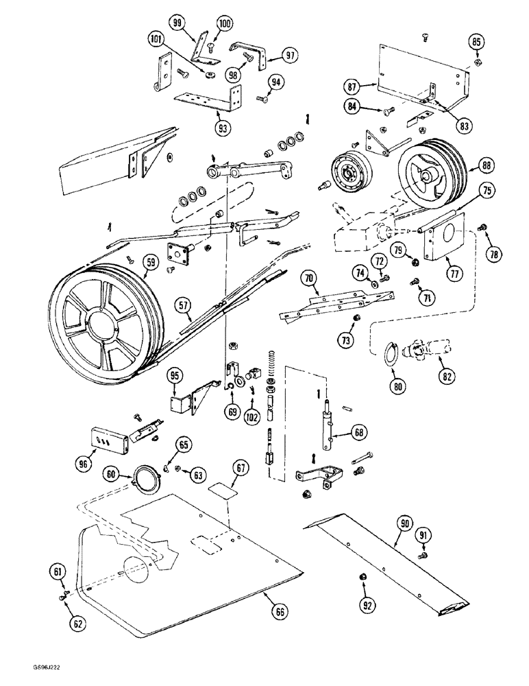
65
77
82
94
90
79
78
73
100
75
72
95
63
102
101
91
68
92
57
59
93
85
96
71
70
62
74
61
69
80
99
66
84
98
67
97
87
83
60
88
FIT
1:1
100%

Артикул

Название

Примечание

Количество

57

192738C1

BELT,22.225 mm W x 3814.70 mm L, 3, Ribs

V-BELT , Drive, Feeder (Without rock trap) 22.225 mm W x 3814.70 mm L, 3, Ribs

1шт.

57

1315168C1

V-BELT,22.23 mm W x 4228.70 mm L

Drive, Feeder, With Rock Trap 22.23 mm W x 4228.70 mm L

1шт.

59

1305297C1

PULLEY

- driven, 22-9/16 inch OD, feeder

1шт.

60

188315C1

DOOR

- access, belt

1шт.

61

477-82508

SERRATED SCREW,Sl Truss Hd, 1/4" - 20 x 1/2"

BOLT - serrated slotted truss head, 1/4 NC x 1/2 inch

1шт.

62

413-48

BOLT,Hex, 1/4" - 20 x 1/2", Gr 5

- hex, 1/4 NC x 1/2 inch

1шт.

63

231-1444

NUT,1/4"-20, GB

NUT, LOCK, 1/4"-20, GB

1шт.

65

126177

WING NUT

NUT - wing, 1/4 inch NC, door

1шт.

66

186189C95

SHIELD

ASSEMBLY - belt, includes decal (Replaces shield assembly 186189C93), Includes: Ref. 67

1шт.

67

188199C1

PRODUCT GRAPHIC

DECAL - Caution, disengage separator clutch and shut off engine before removing shield

1шт.

68

133405C92

CYLINDER

ASSEMBLY - feeder, parts list Fig. 8-74

1шт.

68

87337239R

REMAN-HYD CYLINDER

1660 CASE IH AXIAL-FLOW COMBINE (PRIOR TO S/N JJC0038346) (NORTH AMERICA), Assembly, Feeder, PRIOR TO P.I.N. JJC0038346 (1/86-12/92), Reman for New PN 133405C92

1шт.

68

87337239C

CORE-HYD CYLINDER

Return Number

1шт.

69

100-11150

SNAP RING,#150, Ext

Ring, Snap, , spring rod, if equipped #150, Ext

1шт.

70

194521C1

SUPPORT

- gear case

1шт.

71

477-73812

SERRATED SCREW,Truss HD, 3/8" - 16 x 3/4"

BOLT - serrated slotted truss head, 3/8 NC x 3/4 inch

4шт.

73

495-51053

WASHER,13.49mm ID x 25.4mm OD x 1.6mm Thk

- flat, 17/32 x 1 x 1/16 inch

6шт.

74

495-51053

WASHER,13.49mm ID x 25.4mm OD x 1.6mm Thk

- flat, 17/32 x 1 x 1/16 inch

4шт.

75

191497C1

SEALING STRIP

SEAL - 10-5/8 inch (270 mm) long, support

1шт.

77

191399C1

SUPPORT

- gear housing, rear

1шт.

78

477-73812

SERRATED SCREW,Truss HD, 3/8" - 16 x 3/4"

BOLT - serrated slotted truss head, 3/8 NC x 3/4 inch

7шт.

79

231-5146

FLANGE NUT,3/8"-16

7шт.

80

191496C1

SEALING STRIP

SEAL - 11-7/8 inch (300 mm) long, support

1шт.

82

191595C91

JOINT ASSY.

JOINT ASSEMBLY - drive, parts list Fig. 9A-08

1шт.

83

186081C1

ANGLE

- upper shield

1шт.

84

477-73108

SERRATED SCREW,Sl Truss Hd, 5/16" - 18 x 1/2"

BOLT - serrated slotted truss head, 5/16 NC x 1/2 inch

2шт.

85

231-5145

SERRATED NUT,Flg, USR, 5/16"-18

NUT - hex serrated flange, 5/16 inch NC

2шт.

87

186080C2

SUPPORT

- shield, upper

1шт.

88

191603C2

PULLEY

- drive, 12 inch OD

1шт.

90

1315085C1

GUARD

SHIELD - extension, belt, with rock trap

1шт.

91

477-73812

SERRATED SCREW,Truss HD, 3/8" - 16 x 3/4"

BOLT - serrated slotted truss head, 3/8 NC x 3/4 inch

8шт.

92

231-5146

FLANGE NUT,3/8"-16

12шт.

93

1315078C3

SUPPORT

- extension, pivot, with rock trap

1шт.

94

477-73820

SERRATED SCREW,Truss HD, 3/8" - 16 x 1-1/4"

BOLT - serrated slotted truss head, 3/8 NC x 1-1/4 inch

6шт.

95

1315075C1

ANGLE

SUPPORT - shield rear extension

1шт.

96

1315083C1

SUPPORT

- shield lower extension, with rock trap

1шт.

97

1315232C1

SUPPORT

- stiffener, upper, with rock trap

1шт.

98

413-628

BOLT,Hex, 3/8" - 16 x 1-3/4", Gr 5

- hex, 3/8 NC x 1-3/4 inch

1шт.

99

1315079C1

SUPPORT

- shield, upper, with rock trap

1шт.

101

49139D

WASHER,10.32mm ID x 38.1mm OD x 5mm Thk

- flat, 13/32 x 1-1/4 x 31/64 inch

1шт.

102

432-1240

COTTER PIN,3/16" x 2 1/2"

3/16" x 2 1/2"

1шт.

72

477-73816

SERRATED SCREW,Sl Truss Hd, 3/8" x 1"

BOLT - serrated slotted truss head, 3/8 NC x 1 inch

2шт.

100

477-73816

SERRATED SCREW,Sl Truss Hd, 3/8" x 1"

BOLT - serrated slotted truss head, 3/8 NC x 1 inch

2шт.

Выбрано товаров: 43