Запчасти Case IH 1660 (9A-24) - FEEDER JACKSHAFT DRIVE (13) - FEEDER

Схема запчастей Case IH 1660 - (9A-24) - FEEDER JACKSHAFT DRIVE (13) - FEEDER
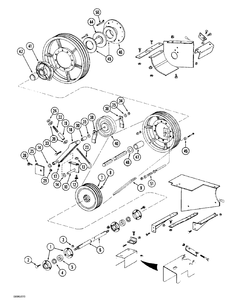
6
50
47
7
4
48
2
13
9
3
40
38
8
46
18
12
51
45
14
35
49
22
41
25
5
14
28
34
38
44
17
33
30
29
42
20
23
24
19
35
10
1
FIT
1:1
100%

Артикул

Название

Примечание

Количество

1

1307583C1

FLANGED BEARING

- bearing, left-hand, square design

2шт.

1

663562R1

FLANGE

- bearing, left-hand, round design, shown

2шт.

2

434-816

CARRIAGE BOLT,Sht Sq Nk, 1/2" - 13 x 1", Gr 5

BOLT - carriage, 1/2 NC x 1 inch

4шт.

3

231-5148

FLANGE NUT,Flg, USR, 1/2"-13

4шт.

4

455112R11

COLLAR

- locking, bearing

1шт.

5

455111R91

BALL BEARING,38.113 mm ID x 52.25 mm OD x 24.32, 42.8 mm

BEARING - ball, left-hand

1шт.

6

1319482C2

SHAFT

- cross, jackshaft

1шт.

7

1321645C1

PULLEY

- driven, 13-1/2 inch OD, feeder

1шт.

8

Q1376

KEY

- square tapered, 3/8 x 2-1/4 inch

1шт.

9

1313095C2

V-BELT,131.69" L

Drive, For 47 Inch Feeder 131.69" L

1шт.

9

1313097C3

V-BELT,22.33 mm W x 3706.69 mm L

Drive For 54-1/2 Inch Feeder 22.33 mm W x 3706.69 mm L

1шт.

10

182322C1

SUPPORT

- pivot, idler

1шт.

12

434-612

CARRIAGE BOLT,Sht Sq Nk, 3/8" - 16 x 3/4", Gr 5

BOLT - carriage, 3/8 NC x 3/4 inch

2шт.

13

231-5146

FLANGE NUT,3/8"-16

2шт.

14

495-81069

WASHER,1-1/32" ID x 1-1/2" OD x 3/50" Thk

- flat, 1-1/32 x 1-1/2 x 1/16 inch

10шт.

17

219-90

LUBE NIPPLE,45 Degree Elbow, 1/4" -28 NPTF

FITTING - grease, 45 degree, 1/4-28 special taper x 13/16 inch

1шт.

18

1321982C1

ARM

- tightener

1шт.

19

176581C1

SPACER

- adjusting bolt

1шт.

20

632076R1

WASHER

- flat, 17/32 x 1-3/4 x 3/32 inch

2шт.

22

PO3A

SPRING

- tightener bolt

1шт.

23

197410C1

BOLT,1/2" - 13 x 17 1/2", Carbon Steel

- idler draw

1шт.

24

425-108

NUT,1/2" - 13, Gr 5

NUT, , Hex 1/2"-13, G5

1шт.

25

182323C1

SUPPORT

- idler

1шт.

28

434-612

CARRIAGE BOLT,Sht Sq Nk, 3/8" - 16 x 3/4", Gr 5

BOLT - carriage, 3/8 NC x 3/4 inch

2шт.

29

231-5146

FLANGE NUT,3/8"-16

2шт.

30

61270C1

SPACER

- idler, drive

1шт.

33

413-1088

BOLT,Hex, 5/8" - 11 x 5-1/2", Gr 5

- hex, 5/8 NC x 5-1/2 inch

1шт.

33

413-1096

BOLT,Hex, 5/8" - 11 x 6", Gr 5

- hex, 5/8 NC x 6 inch

1шт.

34

425-1010

NUT,5/8"-11, G5

1шт.

35

492-11062

BEARING WASHER,5/8"

WASHER, LOCK, 5/8"

1шт.

37

396-21066

WASHER,16.66mm ID x 33.33mm OD x 4.27mm Thk

1шт.

38

197110C1

GUIDE

- belt

2шт.

40

176579C1

IDLER

- drive tightener, 8 inch OD

1шт.

41

1305220C91

HUB ASSY.

HUB ASSEMBLY - clutch, outer, Includes: Ref. 42

1шт.

42

610435C1

BUSHING,69.93mm ID x 82.65mm OD x 76.2mm L

- hub

1шт.

44

1305154C2

HUB

- slip clutch

1шт.

45

181579C1

DISC

DISC - friction, clutch

2шт.

46

185955C1

PLATE

- friction

1шт.

47

1305393C1

SPACER

- 2-35/64 inch long, clutch

1шт.

48

95-81150

WASHER,46.02mm ID x 63.5mm OD x 3.35mm Thk

- flat, 1-13/16 x 2-1/2 x 1/8 inch

1шт.

49

1305375C1

SPACER

- drive lug

4шт.

50

Q3959

COTTER PIN,Gib, 3/8" Sq x 4 1/2"

Tapered Gib, 3/8" Sq x 4 1/2"

2шт.

51

1305692C2

SPRING

- slip clutch

8шт.

Выбрано товаров: 43