Запчасти Case IH 1660 (9A-26) - FEEDER JACKSHAFT DRIVE, (CONTD) (13) - FEEDER

Схема запчастей Case IH 1660 - (9A-26) - FEEDER JACKSHAFT DRIVE, (CONTD) (13) - FEEDER
87
90
74
93
98
73
90
101
92
54
58
66
70
61
82
63
52
60
75
65
72
59
99
57
58
59
97
68
96
88
53
61
79
102
83
85
80
95
86
77
60
78
56
54
62
55
94
69
89
67
100
71
103
104
84
60
FIT
1:1
100%

Артикул

Название

Примечание

Количество

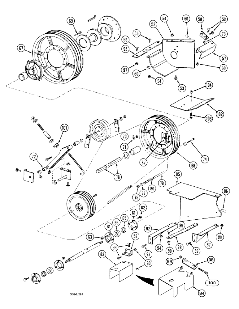
52

1321838C2

GUARD

SHIELD - support, front, used with shield 1321848C2, item 83, no longer available, order shield 1345355C1 below

1шт.

52

1345355C1

GUARD ASSY.

SHIELD - jackshaft front, used with shield 1345358C1, item 84

1шт.

53

256873

BOLT,Hex Serr, 5/16" - 18 x 1/2", 5SPL, Full Thd

4шт.

54

231-5145

SERRATED NUT,Flg, USR, 5/16"-18

NUT - hex serrated flange, 5/16 inch NC

4шт.

55

477-73112

SERRATED SCREW,Sl Truss Hd, 5/16" - 18 x 3/4"

- serrated slotted truss head, 5/16 NC x 3/4"

2шт.

56

480523R1

HAIR PIN COTTER

1шт.

57

1329952C2

GUARD

SHIELD - jackshaft end

1шт.

58

10810R

HINGE

- shield

2шт.

59

477-73812

SERRATED SCREW,Truss HD, 3/8" - 16 x 3/4"

BOLT - serrated slotted truss head, 3/8 NC x 3/4 inch

8шт.

60

231-5146

FLANGE NUT,3/8"-16

8шт.

61

619333R1

FLANGED BEARING

- bearing, right-hand

2шт.

62

434-816

CARRIAGE BOLT,Sht Sq Nk, 1/2" - 13 x 1", Gr 5

BOLT - carriage, 1/2 NC x 1 inch

4шт.

63

231-5148

FLANGE NUT,Flg, USR, 1/2"-13

4шт.

65

664598R11

COLLAR

- locking, bearing

1шт.

66

664597R91

BALL BEARING,1.5005" ID x 90 mm OD x 1.625"

- ball, right-hand

1шт.

67

1305297C1

PULLEY

- driven, see Fig. 9A-22

1шт.

68

1305288C1

PULLEY

- drive, 16-11/16 inch OD, feeder

1шт.

69

326-656

BOLT,Hex, 3/8" - 16 x 3-1/2", Gr 8

4шт.

70

492-11038

LOCK WASHER,3/8"

4шт.

71

329-106

NUT,3/8"-16, G8

4шт.

72

M74461

SPACER,26.6mm ID x 33.4mm OD x 19mm L

1шт.

73

151670C1

SHIM

SHIM - 0.036 inch, pin spacer

1шт.

74

1315319C1

BOLT,Hex, 3/8" - 16 x 6", Gr 8

- hex, special, 3/8 x 6 inch, grade 8

8шт.

75

232-4136

LOCK NUT,3/8"-16, GC

NUT, LOCK, 3/8"-16, GC

8шт.

77

495-81143

WASHER,13/32" x 1 1/2" x .120"

16шт.

78

REF

INSTRUCTION

SHAFT - feeder, parts list Fig. 9A-34

1шт.

79

1305370C3

SPACER

- spring clutch

8шт.

80

495-81129

WASHER,13/32" x 3/4" x .120"

- flat, 13/32 x 3/4 x 7/64 inch

9шт.

95-81150

WASHER,46.02mm ID x 63.5mm OD x 3.35mm Thk

- flat, 1-13/16 x 2-1/2 x 1/8 inch

1шт.

82

1315316C1

SUPPORT

- spring, slip clutch

2шт.

83

1321848C2

GUARD

SHIELD - end, jackshaft, no longer available, order shield 1345358C1, item 84, and items 98-100

1шт.

84

1345358C1

GUARD

SHIELD - feeder jackshaft, right-hand, also order items 98-100

1шт.

85

1321841C1

GUARD

SHIELD - jackshaft drive, 47 inch feeder

1шт.

85

1321866C1

GUARD

SHIELD - jackshaft drive, 54-1/2 inch feeder

1шт.

86

480523R1

HAIR PIN COTTER

4шт.

87

1327779C1

SUPPORT

- shield, upper rear

1шт.

88

1321851C2

SUPPORT

- shield, lower rear (Replaces support 1321851C1)

1шт.

89

434-612

CARRIAGE BOLT,Sht Sq Nk, 3/8" - 16 x 3/4", Gr 5

BOLT - carriage, 3/8 NC x 3/4 inch

3шт.

90

231-5146

FLANGE NUT,3/8"-16

3шт.

92

1321853C1

SUPPORT

- shield, lower front

1шт.

93

256873

BOLT,Hex Serr, 5/16" - 18 x 1/2", 5SPL, Full Thd

2шт.

94

231-5145

SERRATED NUT,Flg, USR, 5/16"-18

NUT - hex serrated flange, 5/16 inch NC

2шт.

95

1321880C1

SUPPORT

- shield, front

1шт.

96

477-73112

SERRATED SCREW,Sl Truss Hd, 5/16" - 18 x 3/4"

- serrated slotted truss head, 5/16 NC x 3/4"

2шт.

97

231-5145

SERRATED NUT,Flg, USR, 5/16"-18

NUT - hex serrated flange, 5/16 inch NC

2шт.

98

1345199C1

SUPPORT

BRACKET - feeder jackshaft shield

1шт.

99

231-4144

NUT,1/4"-20, GB

NUT, LOCK, 1/4"-20, GB

1шт.

100

413-472

BOLT,Hex, 1/4" - 20 x 4-1/2", Gr 5

- hex, 1/4 NC x 4-1/2 inch

1шт.

101

194652C1

PIVOT

- rod

1шт.

102

1330071C1

GUARD

SHIELD - rear upper

1шт.

103

413-614

BOLT,Hex, 3/8" - 16 x 7/8", Gr 5

1шт.

104

425-106

NUT,3/8"-16, Cl 5

1шт.

Выбрано товаров: 52