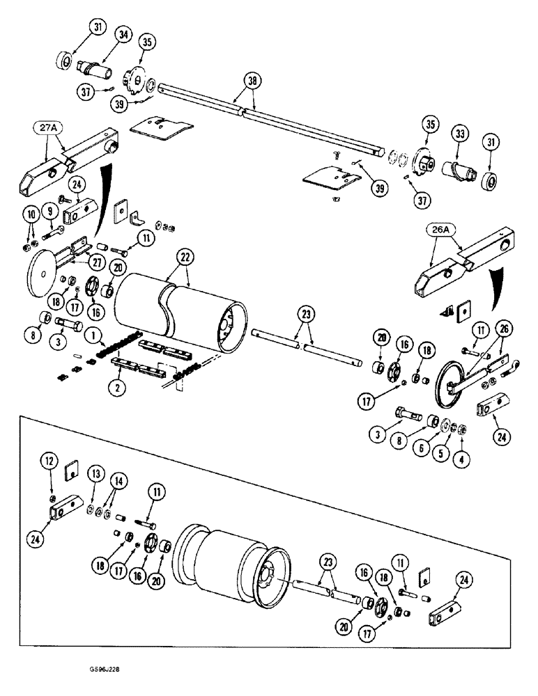
Запчасти Case IH 1660 (9A-34) - FEEDER CONVEYOR (13) - FEEDER

Схема запчастей Case IH 1660 - (9A-34) - FEEDER CONVEYOR (13) - FEEDER
3
35
31
18
20
1
12
18
11
26a
8
16
16
24
31
17
18
33
39
10
26
37
11
38
22
24
39
24
2
20
17
16
23
20
24
4
17
5
3
27a
11
13
6
11
14
37
9
20
27
35
17
8
34
18
23
16
FIT
1:1
100%

Артикул

Название

Примечание

Количество

1

117865A1

CHAIN (AG)

CHAIN ASSEMBLY - conveyor, rice, 54-1/2 inch feeder, 9 serrated slats, A557 chain (Replaces chain assembly 1324272C2)

1шт.

1

117869A1

CHAIN,Feeder

CHAIN ASSEMBLY - conveyor, corn and grain, 47 inch feeder, 10 smooth slats, A557 chain (Replaces chain assembly 1324266C2)

1шт.

1

1957593C2

ELEVATOR CHAIN

CHAIN ASSEMBLY - conveyor, rice, 47 inch feeder, 10 serrated slats, A557 chain

1шт.

1

117871A1

CHAIN,Feeder

CHAIN ASSEMBLY - conveyor, corn and grain, 54-1/2 inch feeder, 12 smooth slats, A557 chain (Replaces chain assembly 1324269C2)

1шт.

2

1313419C2

KIT

SLAT ASSEMBLY - conveyor, corn and grain, for 47 inch and 54-1/2 inch feeders, no longer available, order slat assembly 118268A1 below, bolt 426-616 below and nut 1306680C1, item 17

1шт.

2

118268A1

SLAT

SLAT ASSEMBLY - conveyor, corn and grain

1шт.

426-616

BOLT,Hex, 3/8" - 16 x 1", Gr 8

1шт.

2

1300287C1

CONNECTING STRIP

SLAT ASSEMBLY - conveyor, rice, for 54-1/2 inch feeders

1шт.

3

189709C1

BOLT,Hex, 1/2" - 13 x 3"

- hex, special, chain

2шт.

4

425-105

NUT,5/16"-18, G5

- hex, 5/16 inch NC

2шт.

5

80679

LOCK WASHER,1/20.507 CST ZND

WASHER, LOCK, 1/2"

2шт.

6

495-81162

WASHER,17/32" x 1 1/2" x .179"

- flat, 17/32 x 1-1/2 x 11/64 inch

2шт.

8

197211C1

SPACER

- stop, drum

2шт.

9

176508C1

BOLT,5/8" - 11 x 228.60mm

- tightening, special

2шт.

10

425-1010

NUT,5/8"-11, G5

1шт.

11

187218C2

BOLT

BOLT - hex, special, 5/8 NC x 4-1/2 inch, drum

2шт.

12

425-1010

NUT,5/8"-11, G5

4шт.

13

495-81026

WASHER,21/32" x 1 1/2" x .060"

4шт.

14

396-21066

WASHER,16.66mm ID x 33.33mm OD x 4.27mm Thk

1шт.

16

1330461C1

FLANGED BEARING

- bearing, drum (Replaces flange 565631R1)

2шт.

17

1306680C1

FLANGE NUT

NUT - hex flange, self-locking, special, 3/8 inch NC (Replaces nut 21622R1)

6шт.

18

557995R11

COLLAR

- bearing, with set screw

2шт.

20

619738R91

BALL BEARING,1.2505" ID x 62 mm OD x 1.4375"

- ball, conveyor

2шт.

22

1957437C1

DRUM

- conveyor, without stone retarder (Replaces drum 1319861C1)

1шт.

23

187207C2

SHAFT,31.75mm OD x 909.3mm L

SHAFT - drum, feeder

1шт.

24

1305103C2

ARM

- drum, corn and grain, no longer available, order 1338287C3, item 26A, for left-hand arm and 1338288C3, item 27A, for right-hand arm

2шт.

26

1319875C5

ARM

- drum, left-hand, rice (Replaces arm 1319875C3)

1шт.

26

1338291C1

ARM

- drum, left-hand, with stone retarder, no longer available, order arm 1338287C3, item 26A below

1шт.

26a

1338287C3

ARM

- drum, LH, used on models with smooth slats and with or without stone retarder

1шт.

27

1319876C5

ARM

- drum, right-hand, rice (Replaces arm 1319876C3)

1шт.

27

1338292C1

ARM

- drum, right-hand, with stone retarder, no longer available, order arm 1338288C3, item 27A below

1шт.

27a

1338288C3

ARM

- drum, RH, used on models with smooth slats and with or without stone retarder

1шт.

31

179665C91

BALL BEARING,38.1mm Hex x 85mm OD x 30mm W

BEARING - ball

2шт.

33

178780C3

SPACER

- sprocket, left-hand (Replaces spacer 178780C2)

1шт.

34

178781C2

SPACER

- sprocket, right-hand

1шт.

35

1970248C1

SPROCKET ASSY.

SPROCKET - chain, conveyor (Replaces sprocket 197556C1)

2шт.

37

197643C1

SET SCREW

- set, sprocket

4шт.

38

1320160C3

SHAFT

- conveyor

1шт.

39

32-2040

COTTER PIN,5/16" x 2 1/2"

Pin, Split (Cotter), 5/16" x 2 1/2"

2шт.

Выбрано товаров: 39