Запчасти Case IH 1660 (9A-36) - FEEDER CONVEYOR, (CONTD) (13) - FEEDER

Схема запчастей Case IH 1660 - (9A-36) - FEEDER CONVEYOR, (CONTD) (13) - FEEDER
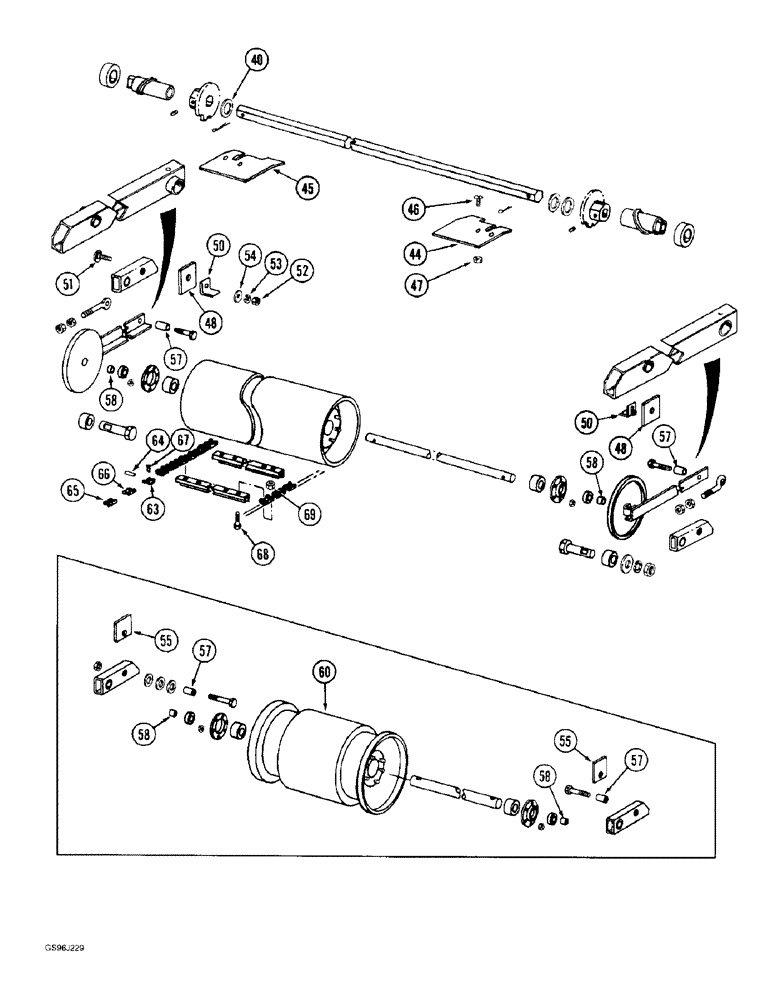
45
46
58
52
54
50
66
63
57
53
69
57
58
68
55
48
40
48
60
55
58
58
47
57
64
67
57
65
44
50
51
FIT
1:1
100%

Артикул

Название

Примечание

Количество

40

95-81150

WASHER,46.02mm ID x 63.5mm OD x 3.35mm Thk

- flat, 1-13/16 x 2-1/2 x 1/8 inch

1шт.

1300464C91

PACKAGE

KIT - stripper, feeder pivot, no longer available as a unit, order components separately, Includes: Ref. 44 - 47

1шт.

If roller link is worn, entire chain should be replaced

1шт.

44

185818C1

STRIPPER ASSY.

STRIPPER - pivot, left-hand

1шт.

45

185819C1

STRIPPER ASSY.

STRIPPER - pivot, right-hand

1шт.

46

477-73812

SERRATED SCREW,Truss HD, 3/8" - 16 x 3/4"

BOLT - serrated slotted truss head, 3/8 NC x 3/4 inch

4шт.

47

231-5146

FLANGE NUT,3/8"-16

4шт.

48

187347C1

PLATE

BAR - upper stop adjusting, upper

2шт.

50

1345418C1

ANGLE

- stop bar, upper

2шт.

51

433-1036

CARRIAGE BOLT,Sq Nk, 5/8" - 11 x 2 1/4", Gr 5

BOLT - carriage, 5/8 NC x 2-1/4 inch

2шт.

52

425-1010

NUT,5/8"-11, G5

2шт.

53

492-11062

BEARING WASHER,5/8"

WASHER, LOCK, 5/8"

2шт.

54

498-81008

SQ HOLE WASHER,41/64" x 1 1/4" x .060", Sq Hole

- square hole, 21/32 x 1-1/4 x 1/16 inch

2шт.

55

187225C1

BAR

- upper stop adjusting, with stone retarder

2шт.

57

187217C1

SPACER,7/8" Tube x 1 13/16"

- 7/8 x 1-13/16 inch

2шт.

58

11449P

SPACER,1 1/4" Pipe x 1/2"

- bearing, 1-1/4 x 1/2 inch

2шт.

60

1957439C3

ROLLER

- conveyor, with stone retarder (Replaces drums 187195C2 and 1957439C1)

1шт.

63

1324281C1

LINK,A557, Links x 41.4mm = mm

LINK ASSEMBLY - chain, for A557 chain, Includes: Ref. 64

1шт.

63

182090C1

LINK,Chain, 41.4mm Pitch

LINK ASSEMBLY - chain, for A550 chain, Includes: Ref. 64

1шт.

64

23442R1

PIN,2.36mm OD

- S Type, roller, No. 550 chain, for A550 chain

1шт.

64

1329837C2

PIN,2.63mm OD

- S type, roller, for A557 chain

1шт.

65

1324835C1

OFFSET LINK

LINK - offset, includes pin, for A557 chain

1шт.

65

182127C1

LINK,41.4mm Pitch

- offset, for A550 chain

1шт.

66

182094C1

LINK,Chain, Link, 41.4mm

- connecting, for A550 chain

1шт.

66

1324294C1

LINK,40.893mm Pitch

LINK - connecting, includes pin, for A557 chain

1шт.

67

104279

RIVET,FH, 3/8" x 3/4"

For A550 chain FH, 3/8" x 3/4"

1шт.

68

413-616

BOLT,Hex, 3/8" - 16 x 1", Gr 5

- hex, 3/8 NC x 1 inch, for A557 chain

1шт.

69

1306680C1

FLANGE NUT

NUT - hex flange, self-locking, special, 3/8 inch NC, for A557 chain

1шт.

Выбрано товаров: 28