Запчасти Case IH 1660 (9A-44) - FEEDER REVERSER, WITHOUT ROCK TRAP (13) - FEEDER

Схема запчастей Case IH 1660 - (9A-44) - FEEDER REVERSER, WITHOUT ROCK TRAP (13) - FEEDER
1
15
33
34
29
20
36
47
39
59
42
10
17
3
18
37
25
5
8
43
28
49
21
61
4
3
19
58
44
12
3
15
50
60
25
2
3
55
51
7
52
13
38
18
22
6
35
48
40
38
FIT
1:1
100%

Артикул

Название

Примечание

Количество

1

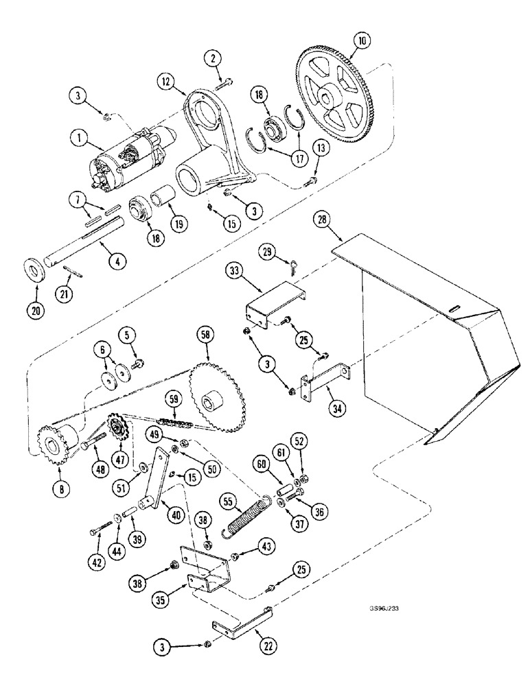
245927C92

STARTING MOTOR

MOTOR ASSEMBLY - reverser, feeder, parts list Fig. 4-58

1шт.

1

245927C93R

REMAN-STARTER

Reman for New PN 245927C92

1шт.

1

245927C93C

CORE-STARTER

Return Number

1шт.

2

413-636

BOLT,Hex, 3/8" - 16 x 2-1/4", Gr 5

- hex, 3/8 NC x 2-1/4 inch

3шт.

3

231-5146

FLANGE NUT,3/8"-16

3шт.

4

1321534C1

SHAFT

- reverser

1шт.

5

409-7816

BOLT,Hex Flg, 1/2" - 13 x 1", Spcl

- hex serrated flange, 1/2 NC x 1 inch

1шт.

6

495-91167

WASHER,13.49mm ID x 50.8mm OD x 3.4mm Thk

- flat, 17/32 x 2 x 7/64 inch

2шт.

7

Q51

KEY,3/8" Sq x 2 1/2", Par

2шт.

8

1329717C1

SPROCKET

- drive, 20 tooth

1шт.

10

1321537C92

PINION,320mm OD, W/ Ring Gear

FLYWHEEL - feeder reverser motor

1шт.

12

1321539C1

HOUSING

- shaft, reverser

1шт.

13

409-7624

BOLT,Hex Flg, 3/8" - 16 x 1 1/2", Spcl

2шт.

15

219-87

LUBE NIPPLE,1/4" - 28 NPTF

NIPPLE, LUBE, 1/4"-28 x .56" lg, Self-Tap

2шт.

17

100-21315

SNAP RING,3.156", Int, #315

Ring, Snap, 3.156", Int, #315

2шт.

18

597537R91

BEARING ASSY,38.1mm ID x 80mm OD x 18mm W

BEARING - ball

2шт.

19

1321523C1

SPACER

- bearing

1шт.

20

896-16036

WASHER,39mm ID x 78mm OD x 7mm Thk

- flat, 39 x 78 x 7 mm, hardened

1шт.

21

38-33248

PIN,1/2" x 3", Coiled

1шт.

22

1321782C2

SUPPORT

- shield (Replaces support 1321780C1)

3шт.

85490H

SPACER

- tube, 5/8 x 3/4 inch

2шт.

25

154273C1

BOLT,Hex Serr, 3/8" - 16 x 1", Spcl

- hex, self-locking, special, 3/8 NC x 1 inch

11шт.

28

120866A1

GUARD

SHIELD - feeder reverser, includes decal

1шт.

29

480523R1

HAIR PIN COTTER

3шт.

33

1329840C1

BRACKET

- support, rear

1шт.

34

1329838C2

BRACKET

- support, front

1шт.

35

1979299C2

SUPPORT

- idler bar (Replaces supports 1957648C2 and 1979299C1)

1шт.

36

413-828

BOLT,Hex, 1/2" - 13 x 1-3/4", Gr 5

1шт.

37

496-21053

WASHER,17/32" x 1 1/16" x .134"

- flat, 17/32 x 1-1/16 x 1/8 inch, hardened

1шт.

38

231-5148

FLANGE NUT,Flg, USR, 1/2"-13

2шт.

39

1979303C1

SPACER

TUBE - spacer, 7/8 x 4 inch (Replaces tube 221338H1)

1шт.

40

1979305C1

ARM

SUPPORT - idler (Replaces support 1321933C3)

1шт.

42

413-652

BOLT,Hex, 3/8" - 16 x 3-1/4", Gr 5

- hex, 3/8 NC x 3-1/4 inch

1шт.

42

326-6112

BOLT,Hex, 3/8" - 16 x 7", Gr 8

- hex, 3/8 NC x 7 inch, grade 8 (Replaces bolt 25253R1)

1шт.

44

25553R1

WASHER,13/32" x 1 1/8" x .134", HDN

- flat, 13/32 x 1-1/8 x 9/64 inch

1шт.

47

629972R91

DRIVE SPROCKET,15T

SPROCKET - idler, 15 tooth

1шт.

48

413-1072

BOLT,Hex, 5/8" - 11 x 4-1/2", Gr 5

1шт.

49

425-1010

NUT,5/8"-11, G5

1шт.

50

492-11062

BEARING WASHER,5/8"

WASHER, LOCK, 5/8"

1шт.

51

396-21066

WASHER,16.66mm ID x 33.33mm OD x 4.27mm Thk

1шт.

52

232-41110

NUT,5/8"-11, GC

NUT, LOCK, 5/8"-11, GC

1шт.

55

1330032C1

SPRING

- return, idler

1шт.

58

1329720C2

SPROCKET

- driven, 40 tooth

1шт.

59

REF

INSTRUCTION

CHAIN ASSEMBLY - drive

1шт.

For service order 75 links of No. 60H chain and one 1317D connecting link.

1шт.

60

UA17298

SPACER,7/8" Tube x 1 1/16"

- 7/8 x 1-1/16 inch

1шт.

61

495-11066

WASHER,5/8", SAE

- flat, 21/32 x 1-5/16 x 3/32 inch

4шт.

Выбрано товаров: 0