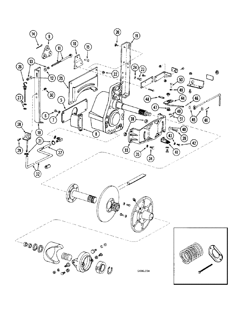
Запчасти Case IH 1660 (9B-02) - ROTOR DRIVE, PRIOR TO P.I.N. JJC0026711 (14) - ROTOR, CONCANVES & SIEVE

Схема запчастей Case IH 1660 - (9B-02) - ROTOR DRIVE, PRIOR TO P.I.N. JJC0026711 (14) - ROTOR, CONCANVES & SIEVE
15
43
30
26
28
13
27
25
31
10
47
22
41
45
39
49
9
34
49
46
46
18
12
19
8
42
33
11
48
40
50
38
24
7
6
29
5
20
51
35
14
23
44
32
32
FIT
1:1
100%

Артикул

Название

Примечание

Количество

186364C1

RETAINER

- torque sensing spring removal

1шт.

1315304C2

PLATE

- torque spring

1шт.

1319996C1

ROD,Hex, 3/8" x 10"

ASSEMBLY - torque sensing spring removal, includes nut

2шт.

425-106

NUT,3/8"-16, Cl 5

2шт.

5

181315C1

PLATE

- gear housing support, front

1шт.

6

413-824

BOLT,Hex, 1/2" - 13 x 1-1/2", Gr 5

4шт.

7

80679

LOCK WASHER,1/20.507 CST ZND

WASHER, LOCK, 1/2"

4шт.

8

181314C2

BLOCK

- housing support, front

2шт.

9

188141C1

SUPPORT

- gear housing anchor

1шт.

10

188142C1

SUPPORT

- gear housing anchor

1шт.

11

188143C1

EYEBOLT

- gear housing

1шт.

12

495-81259

WASHER,21/32" x 2" x .238"

- flat, 21/32 x 2 x 1/4 inch

2шт.

13

425-1010

NUT,5/8"-11, G5

2шт.

14

432-1216

COTTER PIN,3/16" x 1"

1шт.

15

439-5832

HEADED PIN,12.7mm OD x 50.8mm L

PIN - headed, 1/2 x 2 inch

1шт.

18

194055C2

SUPPORT

- gear housing, left-hand

1шт.

19

194056C2

SUPPORT

- gear housing, right-hand

1шт.

20

434-820

CARRIAGE BOLT,Sht Sq Nk, 1/2" - 13 x 1 1/4", Gr 5

BOLT - carriage, 1/2 NC x 1-1/4 inch

6шт.

22

231-5148

FLANGE NUT,Flg, USR, 1/2"-13

6шт.

23

413-616

BOLT,Hex, 3/8" - 16 x 1", Gr 5

- hex, 3/8 NC x 1 inch

4шт.

24

492-11038

LOCK WASHER,3/8"

4шт.

25

1338395C1

SUPPORT ASSY.

SUPPORT - rotor drive (Replaces support 188137C1)

1шт.

26

194066C91

DIPSTICK

GAUGE ASSEMBLY - rotor gear housing, Includes: Ref. 27

1шт.

27

238-5210

O-RING,0.139" Thk x 0.734" ID, -210, Cl 5, 75 Duro

2шт.

28

193946C1

TUBE,12.7 mm OD

- gear housing gauge

1шт.

29

477-73112

SERRATED SCREW,Sl Truss Hd, 5/16" - 18 x 3/4"

- serrated slotted truss head, 5/16 NC x 3/4"

2шт.

30

231-5145

SERRATED NUT,Flg, USR, 5/16"-18

NUT - hex serrated flange, 5/16 inch NC

2шт.

31

214-1404

HOSE CLAMP,#04, 0.25" - 0.62", Type F Worm

CLAMP - adjustable, 1/4 - 5/8 inch diameter

2шт.

32

NSS

NOT SOLD SEPARAT

HOSE - gear housing, cut from bulk hose S118466X

1шт.

33

194058C1

SUPPORT

- rear gear housing

1шт.

34

413-828

BOLT,Hex, 1/2" - 13 x 1-3/4", Gr 5

4шт.

35

80679

LOCK WASHER,1/20.507 CST ZND

WASHER, LOCK, 1/2"

4шт.

38

194077C1

SPACER

- gear housing

2шт.

39

413-848

BOLT,Hex, 1/2" - 13 x 3", Gr 5

- hex, 1/2 NC x 3 inch

2шт.

40

396-41053

WASHER,13.49mm ID x 31.75mm OD x 5.05mm Thk

- flat, 17/32 x 1-1/4 x 3/16 inch, hardened

2шт.

41

188171C1

SUPPORT

- gear housing pivot

1шт.

42

413-516

BOLT,Hex, 5/16" - 18 x 1", Gr 5

- hex, 5/16 NC x 1 inch

2шт.

43

492-11031

LOCK WASHER,5/16"

WASHER, LOCK, 5/16"

2шт.

44

188172C2

LEVER ASSY.

LEVER - rotor drive shift

1шт.

45

495-81287

WASHER,13.49mm ID x 31.75mm OD x 3.4mm Thk

- flat, 17/32 x 1-1/4 x 7/64 inch

2шт.

46

432-1216

COTTER PIN,3/16" x 1"

2шт.

47

277523R1

BUSHING

- shift lever

1шт.

48

188169C1

BAR

- shift lever

2шт.

49

496-21028

WASHER,.281" x 5/8" x .075", HDN

- flat, 9/32 x 5/8 x 5/64 inch, hardened

2шт.

50

439-1416

HEADED PIN,1/4" x 1"

PIN - headed, 1/4 x 1 inch, grade 2

2шт.

51

432-816

COTTER PIN,1/8" x 1"

1/8" x 1"

2шт.

Выбрано товаров: 46