Запчасти Case IH 1660 (9C-02) - DISCHARGE BEATER (15) - BEATER & CLEANING FANS

Схема запчастей Case IH 1660 - (9C-02) - DISCHARGE BEATER (15) - BEATER & CLEANING FANS
35
21
3
40
25
6
42
18
39
12
11
4
37
8
9
20
5
25
26
1
17
10
38
19
1
4
24
36
34
2
37
6
13
22
23
7
24
41
FIT
1:1
100%

Артикул

Название

Примечание

Количество

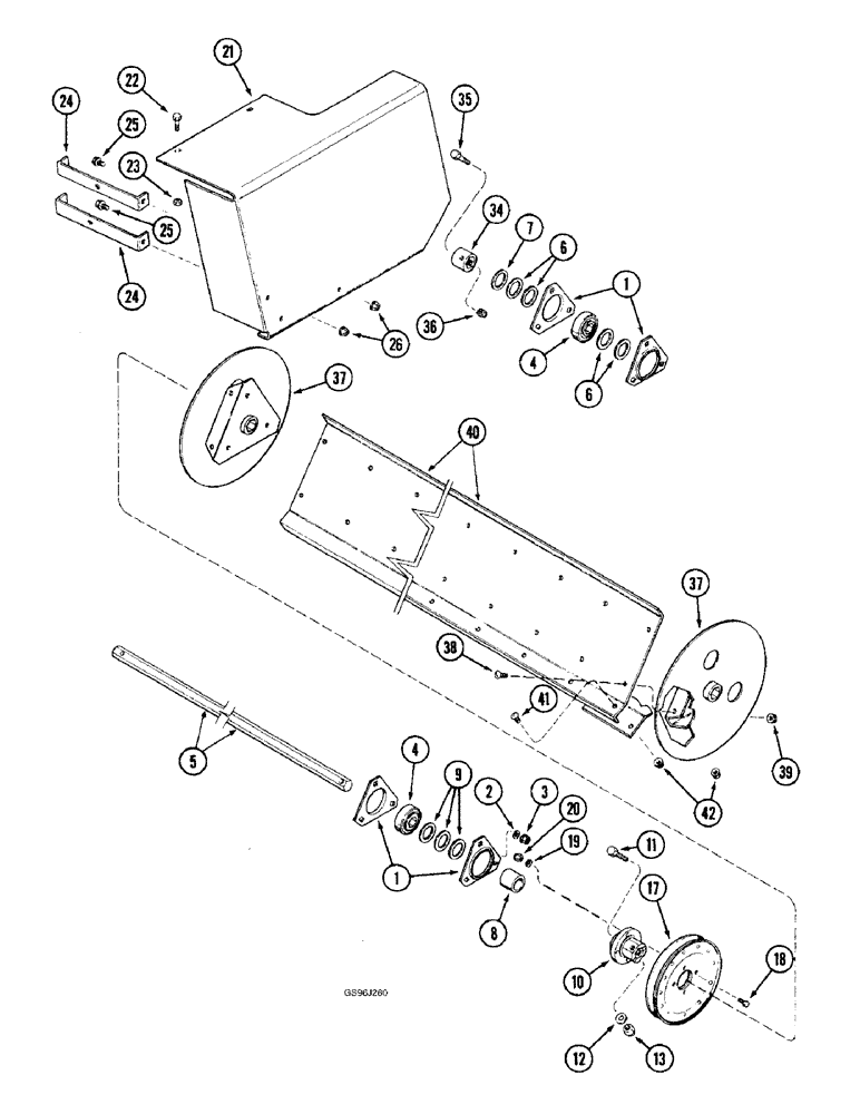
1

180955C1

FLANGED BEARING,0.375"

FLANGE - bearing

4шт.

2

492-11038

LOCK WASHER,3/8"

6шт.

3

425-106

NUT,3/8"-16, Cl 5

6шт.

4

156816C91

BEARING HOUSING,28.6mm Hex x 72mm OD x 25mm W

BEARING - ball

2шт.

5

1302175C2

SHAFT

BAR - discharge beater (Replaces bar 1302175C1)

1шт.

6

495-81211

WASHER,34.14mm ID x 50.8mm OD x 3.4mm Thk

- flat, 1-11/32 x 2 x 7/64 inch

4шт.

7

495-81210

WASHER,34.14mm ID x 50.8mm OD x 1.7mm Thk

- flat, 1-11/32 x 2 x 3/64 inch

1шт.

8

632147R1

SPACER

- 1-5/8 OD x 1-5/8 inch long

1шт.

9

495-81211

WASHER,34.14mm ID x 50.8mm OD x 3.4mm Thk

- flat, 1-11/32 x 2 x 7/64 inch

3шт.

10

1319402C1

HUB

- beater drive pulley

1шт.

11

326-840

BOLT,Hex, 1/2" - 13 x 2-1/2", Gr 8

1шт.

12

396-21053

WASHER,17/32" x 1 1/16" x .134"

Hardened 17/32" x 1 1/16" x .134"

1шт.

13

232-4118

NUT,1/2"-13, GC

NUT, LOCK, 1/2"-13, GC

1шт.

17

195161C1

PULLEY

- drive, 8-3/8 inch OD

1шт.

18

413-516

BOLT,Hex, 5/16" - 18 x 1", Gr 5

- hex, 5/16 NC x 1 inch

4шт.

19

492-11031

LOCK WASHER,5/16"

WASHER, LOCK, 5/16"

8шт.

20

425-105

NUT,5/16"-18, G5

- hex, 5/16 inch NC

4шт.

21

195113C1

SUPPORT

- beater drive

1шт.

22

154273C1

BOLT,Hex Serr, 3/8" - 16 x 1", Spcl

- hex, self-locking, special, 3/8 NC x 1 inch

2шт.

23

231-5146

FLANGE NUT,3/8"-16

4шт.

24

194760C1

SUPPORT

BRACKET - beater drive shield

2шт.

25

409-7612

BOLT,3/8"-16 x 1.09" OAL

- hex serrated flange, 3/8 NC x 3/4 inch

4шт.

26

231-5146

FLANGE NUT,3/8"-16

4шт.

34

1302104C1

HUB

BUSHING - beater, fixed, 35 mm

1шт.

35

413-636

BOLT,Hex, 3/8" - 16 x 2-1/4", Gr 5

- hex, 3/8 NC x 2-1/4 inch

1шт.

36

232-4136

LOCK NUT,3/8"-16, GC

NUT, LOCK, 3/8"-16, GC

1шт.

37

1319266C1

HUB

- beater

2шт.

38

477-73812

SERRATED SCREW,Truss HD, 3/8" - 16 x 3/4"

BOLT - serrated slotted truss head, 3/8 NC x 3/4 inch

12шт.

39

231-5146

FLANGE NUT,3/8"-16

12шт.

40

1319269C1

SUPPORT

BLADE - beater

3шт.

41

477-73812

SERRATED SCREW,Truss HD, 3/8" - 16 x 3/4"

BOLT - serrated slotted truss head, 3/8 NC x 3/4 inch

33шт.

42

231-5146

FLANGE NUT,3/8"-16

27шт.

Выбрано товаров: 32