Запчасти Case IH 1660 (9C-14) - CLEANING FAN DRIVE, (CONTD) (15) - BEATER & CLEANING FANS

Схема запчастей Case IH 1660 - (9C-14) - CLEANING FAN DRIVE, (CONTD) (15) - BEATER & CLEANING FANS
55
54
67
58
68
47
48
58
65
56
50
64
77
43
59
45
53
68
63
55
53
60
55
44
72
66
63
68
71
68
49
53
46
57
69
63
54
76
54
75
49
65
FIT
1:1
100%

Артикул

Название

Примечание

Количество

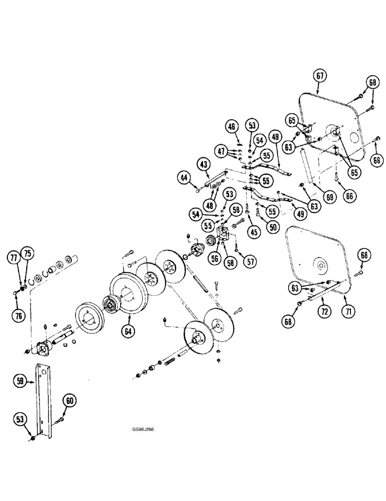
43

186283C1

SUPPORT

- fan drive control

1шт.

45

439-1624

HEADED PIN,3/8" x 1 1/2"

PIN - headed, 3/8 x 1-1/2 inch, grade 2, hardened

1шт.

46

432-816

COTTER PIN,1/8" x 1"

1/8" x 1"

1шт.

47

495-11041

WASHER,0.406" ID x 0.812" OD x 0.065" W

(Flat, 13/32 x 13/16 x 1/16") 3/8", SAE

3шт.

48

495-81142

WASHER,0.41" ID x 1.5" OD x 0.06" Thk

- flat, 13/32 x 1-1/2 x 1/16 inch

2шт.

49

194850C2

SUPPORT

- fan control

2шт.

50

413-532

BOLT,Hex, 5/16" - 18 x 2", Gr 5

1шт.

53

425-105

NUT,5/16"-18, G5

- hex, 5/16 inch NC

3шт.

54

492-11031

LOCK WASHER,5/16"

WASHER, LOCK, 5/16"

3шт.

55

28588R1

WASHER

- flat, 11/32 x 11/16 x 3/64 inch

1шт.

56

194852C2

SUPPORT

- fan driver

1шт.

57

434-520

CARRIAGE BOLT,Sht Sq Nk, 5/16" - 18 x 1 1/4", Gr 5

BOLT - carriage, 5/16 NC x 1-1/4 inch

2шт.

58

27825R1

SPACER,8.5mm ID x 12.7mm OD x 12.7mm L

2шт.

59

188128C1

CHANNEL

- fan hub

1шт.

60

477-73112

SERRATED SCREW,Sl Truss Hd, 5/16" - 18 x 3/4"

- serrated slotted truss head, 5/16 NC x 3/4"

7шт.

63

231-5145

SERRATED NUT,Flg, USR, 5/16"-18

NUT - hex serrated flange, 5/16 inch NC

24шт.

64

REF

INSTRUCTION

PULLEY - cleaning unit drive, 13 inch OD, parts list Fig. 9A-02

1шт.

65

194756C2

ANGLE

- fan drive pulley shield

4шт.

66

409-7512

BOLT,Hex Flg, 5/16" - 18 x 3/4", Spcl

- hex serrated flange, 5/16 NC x 3/4 inch

2шт.

67

194758C2

SUPPORT

- fan shield

1шт.

68

477-73108

SERRATED SCREW,Sl Truss Hd, 5/16" - 18 x 1/2"

BOLT - serrated slotted truss head, 5/16 NC x 1/2 inch

4шт.

69

186089C1

SHIELD

- elevator drive idler

1шт.

71

194759C6

GUARD

SHIELD - straw chopper drive (Replaces shield 194759C4)

1шт.

72

194760C1

SUPPORT

BRACKET - beater drive shield

4шт.

195186C2

SEAL

SEAL - chaffer, rear

1шт.

75

185129C1

WASHER,13.46mm ID x 38.1mm OD x 4.57mm Thk

WASHER - flat, special, 17/32 x 1-1/2 x 3/16 inch, hardened

1шт.

76

413-816

BOLT,Hex, 1/2" - 13 x 1", Gr 5

1шт.

77

80679

LOCK WASHER,1/20.507 CST ZND

WASHER, LOCK, 1/2"

1шт.

44

477-73816

SERRATED SCREW,Sl Truss Hd, 3/8" x 1"

BOLT - serrated slotted truss head, 3/8 NC x 1 inch

1шт.

Выбрано товаров: 29