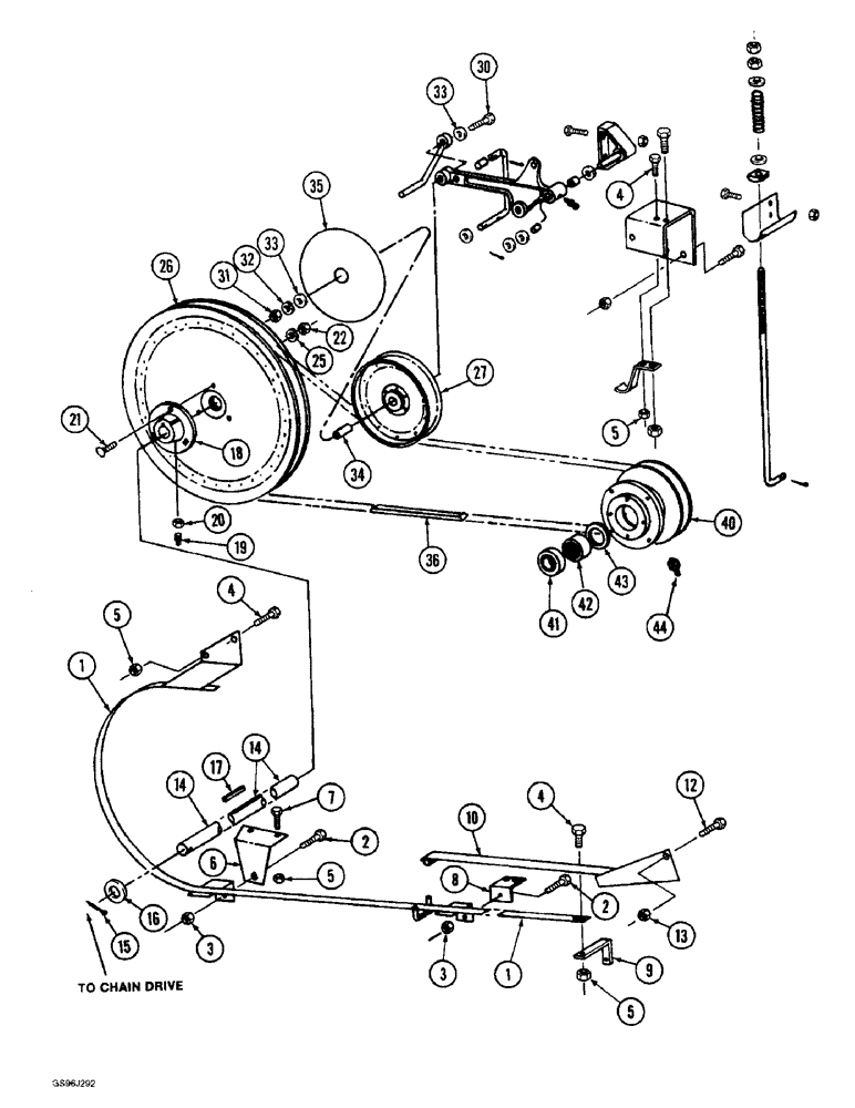
Запчасти Case IH 1660 (9E-12) - GRAIN TANK UNLOADER BELT DRIVE (17) - GRAIN TANK & UNLOADER

Схема запчастей Case IH 1660 - (9E-12) - GRAIN TANK UNLOADER BELT DRIVE (17) - GRAIN TANK & UNLOADER
44
6
13
14
14
1
43
5
35
12
8
31
5
3
1
19
5
15
3
4
42
33
22
2
4
40
19
30
2
26
4
41
17
7
25
18
10
32
9
5
33
36
16
27
21
34
FIT
1:1
100%

Артикул

Название

Примечание

Количество

1

195168C3

GUIDE

- belt, unloader, parts list Fig. 9E-14

1шт.

2

409-7512

BOLT,Hex Flg, 5/16" - 18 x 3/4", Spcl

- hex serrated flange, 5/16 NC x 3/4 inch

2шт.

3

231-5145

SERRATED NUT,Flg, USR, 5/16"-18

NUT - hex serrated flange, 5/16 inch NC

2шт.

4

154273C1

BOLT,Hex Serr, 3/8" - 16 x 1", Spcl

- hex, self-locking, special, 3/8 NC x 1 inch

6шт.

5

231-5146

FLANGE NUT,3/8"-16

4шт.

6

192870C2

SUPPORT

ANGLE - support, front

1шт.

7

409-7620

BOLT,Hex Flg, 3/8" - 16 x 1 1/4", Spcl

- hex serrated flange, 3/8 NC x 1-1/4 inch

2шт.

8

193693C1

SUPPORT

ANGLE - support, center

1шт.

9

195392C1

ANGLE

- support, lower rear

1шт.

10

193716C1

SUPPORT ASSY.

GUIDE - belt, upper

1шт.

12

413-820

BOLT,Hex, 1/2" - 13 x 1-1/4", Gr 5

- hex, 1/2 NC x 1-1/4 inch

1шт.

13

231-1448

NUT,1/2"-13, GB

- hex, self-locking, 1/2 inch NC

1шт.

14

1321171C1

SHAFT

- vertical

1шт.

15

432-1624

COTTER PIN,1/4" x 1 1/2"

Pin, Split (Cotter), 1/4" x 1-1/2"

1шт.

16

495-81191

WASHER,1 5/32" x 2" x .060"

- flat, 1-5/32 x 2 x 3/64 inch

1шт.

17

586879R1

KEY

- square parallel, 5/16 x 2 inch

1шт.

18

192882C1

HUB

- pulley, driven

1шт.

485-13116

SET SCREW,Sq Hd, 5/16"-18 x 1", Cup pt

SCREW - set, square head, 5/16 NC x 1 inch, cup point (Replaces screw 107327)

1шт.

20

NLS

NO LONGER SERVICED

- hex jam, 5/16 inch NC

1шт.

21

434-620

CARRIAGE BOLT,Sht Sq Nk, 3/8" - 16 x 1 1/4", Gr 5

BOLT, CARRIAGE, Short NK, 3/8"-16 x 1 1/4", G5, Full Thd

3шт.

22

425-106

NUT,3/8"-16, Cl 5

3шт.

25

492-11038

LOCK WASHER,3/8"

3шт.

26

192967C1

PULLEY ASSY.

PULLEY - driven

1шт.

27

663887R91

PULLEY,203.2mm Idler Dia x 214.63mm OD x 48.42mm W

- drive, 8 inch OD, belt

1шт.

30

413-1060

BOLT,Hex, 5/8" - 11 x 3-3/4", Gr 5

- hex, 5/8 NC x 3-3/4 inch

1шт.

30

413-1080

BOLT,Hex, 5/8" - 11 x 5", Gr 5

1шт.

31

425-1010

NUT,5/8"-11, G5

1шт.

32

492-11062

BEARING WASHER,5/8"

WASHER, LOCK, 5/8"

1шт.

33

496-21066

WASHER,16.6mm ID x 33.5mm OD x 3.8mm Thk

- flat, 21/32 x 1-5/16 x 5/32 inch, hardened

2шт.

34

568005R1

SPACER,7/8" Tube x 1 3/8"

- shield, pulley

1шт.

35

186483C1

GUARD ASSY.

SHIELD - pulley

1шт.

36

191290C1

V-BELT,22.32 mm W x 3409.89 mm L

V-BELT , Drive, Unloader 22.32 mm W x 3409.89 mm L

1шт.

40

192945C91

PULLEY ASSY.

PULLEY ASSEMBLY - unloader drive, pump, Includes: Ref. 41 - 43

1шт.

41

658089R91

BALL BEARING,30mm ID x 62mm OD x 16mm W

BEARING - ball

1шт.

42

A144861

NEEDLE BEARING

BEARING - roller

1шт.

43

466176R92

SEAL

- pulley

1шт.

44

219-87

LUBE NIPPLE,1/4" - 28 NPTF

NIPPLE, LUBE, 1/4"-28 x .56" lg, Self-Tap

1шт.

Выбрано товаров: 0